Sunroof, Tilt and Sunshade are stuck?

Tiny
TIGRAN
  • MEMBER
  • 2014 FORD EXPLORER
  • 6 CYL
  • 4WD
  • AUTOMATIC
  • 154,000 MILES
Hello,

I am experiencing an issue with the sunroof system. The sunroof, tilt function, and sunshade are all stuck. None of the components respond when the controls are used, and there is no sound or movement from the system.

At this time, the sunroof and sunshade appear completely inoperative. I've tried everything I could, but it won't help.

Please let me know what the next steps would be to diagnose or address this issue.

Thank you
Sunday, December 14th, 2025 AT 11:12 AM

10 Replies

Tiny
STEVE W.
  • MECHANIC
  • 15,682 POSTS
Well with none of them working and that they are powered with two different motors I would start with the power supply to them. So grab a cheap test light and connect it to a good ground. Then use it to test the fuse. That is fuse 8 in the under hood fuse box and fuse 38 in the fuse panel at the end of the dash. Do the locks and windows all work?
Was this
answer
helpful?
Yes
No
Monday, December 15th, 2025 AT 2:34 PM
Tiny
TIGRAN
  • MEMBER
  • 6 POSTS
Thanks for the advice! I checked the fuses 8 and 38 with my multimeter, and they’re good. Also, all the locks and windows are working fine. Any ideas on what could be causing the console issue? Is it the motors?
Was this
answer
helpful?
Yes
No
Monday, December 15th, 2025 AT 11:41 PM
Tiny
STEVE W.
  • MECHANIC
  • 15,682 POSTS
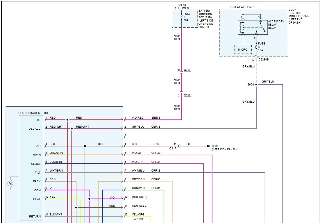
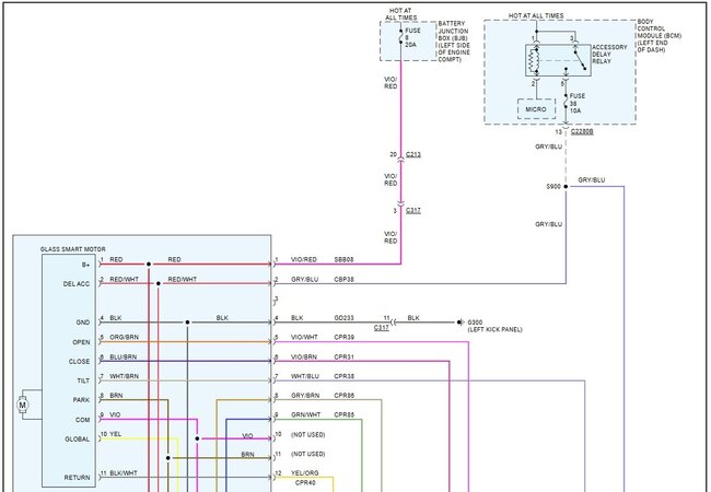
Doubt it's the motors themselves, they won't fail at the same time. I would go to the switch assembly and test there. At the switch you can also apply power to test the motors and at least close it up if it's open. I would also check the ground behind the drivers kick panel. A bad ground would shut the system down. If you print the diagram and lay them out you will see the ground (g300) They use a simple polarity reversal to control the motors. So at the switch you can check for power and ground as well.
Was this
answer
helpful?
Yes
No
Tuesday, December 16th, 2025 AT 1:08 PM
Tiny
TIGRAN
  • MEMBER
  • 6 POSTS
I’m sorry, I’m not really good with electronics or wiring stuff. I don’t really know how to check it or where to put the probes. I might be asking too much, but could you give me a bit more detail, like which pins to check or something?
Was this
answer
helpful?
Yes
No
Tuesday, December 16th, 2025 AT 2:28 PM
Tiny
STEVE W.
  • MECHANIC
  • 15,682 POSTS
OK, you have a multimeter? What other test gear do you have. That will give me an idea of the tests you can do without extra work.
Was this
answer
helpful?
Yes
No
Tuesday, December 16th, 2025 AT 8:04 PM
Tiny
TIGRAN
  • MEMBER
  • 6 POSTS
Yeah, I have a multimeter, and I can get other tools if they’re really needed. If a multimeter isn’t enough, I’m okay with doing some extra work, of course it depends on how much extra work, but still.
Was this
answer
helpful?
Yes
No
Wednesday, December 17th, 2025 AT 5:16 PM
Tiny
STEVE W.
  • MECHANIC
  • 15,682 POSTS
OK, the next hurdle is getting to the control switch and then to the motor modules. We will start at the switch assembly. Attached are the removal instructions, basically it's "Pull it gently down and out, then remove the light assembly and then the switch.
It uses switch part number BB5Z15B691AA Looking online at pricing, I'd probably suggest just buying a new switch as a much faster way of testing, plug it in and things work, your testing is done. As a quick question, when you have the vehicle running do the switches light up like they should? That would tell you if the relay that switches other items is also feeding up to the switch at least. From there everything switches to the sunroof assembly itself and the motor modules and the power to them as they share a single feed.

However before all this we can try a couple other things that might help,
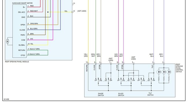
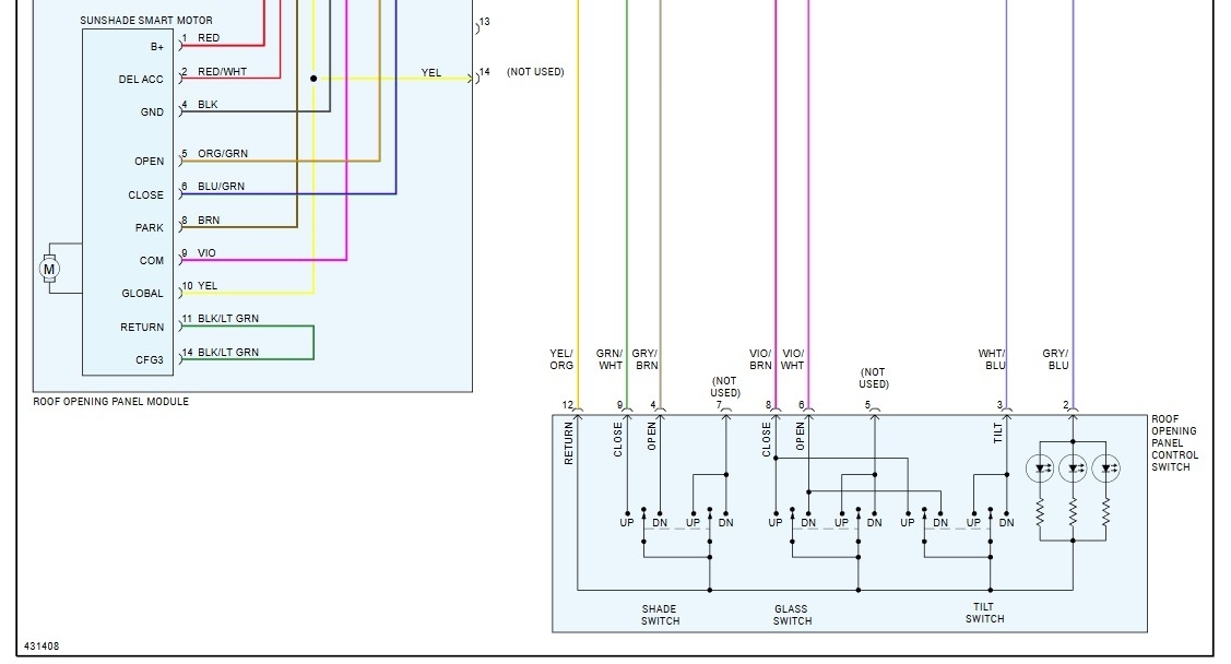
First is to try initializing the sunroof motors. That is done using the 3rd and 4th images, you do the glass first then the shade.
Was this
answer
helpful?
Yes
No
Wednesday, December 17th, 2025 AT 11:11 PM
Tiny
TIGRAN
  • MEMBER
  • 6 POSTS
I apologize for the late reply, I’ve been really busy the past couple of days. The buttons don’t light up at all with the vehicle running, and I tried both initialization procedures but neither one worked. It seems like the switch isn’t getting power. Where should I check first power at the switch connector or ground G300? And how?
Was this
answer
helpful?
Yes
No
Saturday, December 20th, 2025 AT 4:27 PM
Tiny
TIGRAN
  • MEMBER
  • 6 POSTS
Or should I just change the relay?
Was this
answer
helpful?
Yes
No
Saturday, December 20th, 2025 AT 4:38 PM
Tiny
STEVE W.
  • MECHANIC
  • 15,682 POSTS
No problem, I understand that life tends to progress on it's own. We will still be here.
OK, if they are not lighting up and you have no other responses to them then might I ask how you checked the fuses? If you used resistance then please check again for battery voltage on both sides. The delay relay also powers other items that stay on after you turn the key off, usually things like the radio, power windows, door locks, seats. Then it powers them off after a set time or if you open the door. Do those still operate that way? IE start the engine, walt a couple seconds and shut it off, pull the key, do the windows, locks and such still work? Or check at fuse 32 and see if there is still power there if you cycle the switch, without opening any doors. That will tell you if the relay is working.
Was this
answer
helpful?
Yes
No
Sunday, December 21st, 2025 AT 9:15 AM

Please login or register to post a reply.