Saturday, August 22nd, 2009 AT 9:32 AM
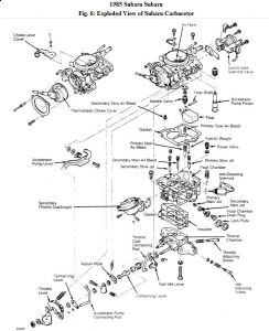
My 1985 Subaru 4x4 wagon stalls and refuses to idle. My mechanics tested/replaced all of the vaccuum hoses to confirm no leakage. Now they think it is a defective carburetor. But given the age of the car, they recommended donating it to charity over spending $500+ for a rebuilt carb. Before doing so, I would like to know if anyone might offer an affordable solution that makes economic sense for this aging but otherwise ok car. Another subscriber mentioned the same problem and seemed to think it was caused by the idling plug. I don't even know what that is, much less whether it makes sense or how to replace/repair it. This is my first time using this site and I do not know what kind of donation is considered reasonable. Hopefully, mine does not offend you as too low. If so, please let me know. Thanks.




