2000 Subaru Outback engine fans

Tiny
LORNA LINCOLN
  • MEMBER
  • 2000 SUBARU OUTBACK
  • 4 CYL
  • AWD
  • AUTOMATIC
  • 151,670 MILES
Cooling fans do not operate unless ac is on
Sunday, February 8th, 2009 AT 7:05 AM

7 Replies

Tiny
2CARPRO JACK
  • MECHANIC
  • 11,533 POSTS
That car looks like thePCM tells the fans to come on via the coolant sensor. You may have a coolant sensor out of range. Otherwise you need to get a test light and see if the PCM is triggering the relay at the Green/red wire at the sub fan relay and the Red/blue wire at the main fan relay. Also check fuses 17, 18 and the 2 fuses in the A/C relay holder
Was this
answer
helpful?
Yes
No
Monday, February 9th, 2009 AT 7:36 AM
Tiny
BNC084
  • MEMBER
  • 1 POST
  • 2000 SUBARU OUTBACK
Engine Cooling problem
2000 Subaru Outback 4 cyl All Wheel Drive Automatic 127K miles

I just replaced my radiator with new thermostat and coolant. When the engine warms up, the cooling fan kick in but never shut off and do not know if this was existed before the repair and did not noticed it or just started after. So this is the basic trouble shooting I have done:
I turned off the engine and turn the ignition on only and the fan start to run and shuts off after I minute but it does not shut off while the engine is running.
Has anyone running into similar problem? I do not know if this is cooling sensor issue, relay or some thing else.
Thanks.
Was this
answer
helpful?
Yes
No
Thursday, December 5th, 2019 AT 1:23 PM (Merged)
Tiny
RASMATAZ
  • MECHANIC
  • 75,992 POSTS
Check the thermostat if its the correct temperature for the engine.

Try the coolant temperature sensor could be out of range and telling the computer that the engine is gettig hotter than usual and computer constantly energizing the relay.
Was this
answer
helpful?
Yes
No
Thursday, December 5th, 2019 AT 1:23 PM (Merged)
Tiny
JLEWS80
  • MEMBER
  • 1 POST
  • 1998 SUBARU OUTBACK
  • 4 CYL
  • AWD
  • AUTOMATIC
  • 114,000 MILES
I have a problem with my radiator fan always running when ever the car has power. Both fans come on and one goes from high to low. The temp guage goes to about 1/4 even when the car is cold.
I have tried to disconnect the temp sensor to see if that was bad but it would stay on. I bought a new ECU but that didn't work either.
Please help!
Was this
answer
helpful?
Yes
No
Thursday, December 5th, 2019 AT 1:23 PM (Merged)
Tiny
BLUELIGHTNIN6
  • MECHANIC
  • 16,542 POSTS
Check the a/c radiator fan relays. Should be 3 (main fan relay #1 & #2 as well as Sub Fan Relay #2). All located in the a/c relay holder, on left side of engine compartment.
Was this
answer
helpful?
Yes
No
+2
Thursday, December 5th, 2019 AT 1:23 PM (Merged)
Tiny
PJ413
  • MEMBER
  • 1 POST
  • 1997 SUBARU OUTBACK
  • 2.5L
  • 4 CYL
  • AWD
  • AUTOMATIC
  • 240,000 MILES
Overheats constantly. I had it tested and was told it was the cooling fan relay. I cannot find it. Where can I find a diagram that will show me where it is located?
Was this
answer
helpful?
Yes
No
Thursday, December 5th, 2019 AT 1:23 PM (Merged)
Tiny
HMAC300
  • MECHANIC
  • 48,601 POSTS
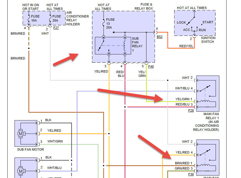
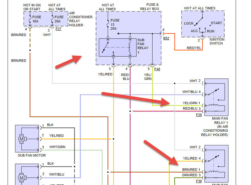
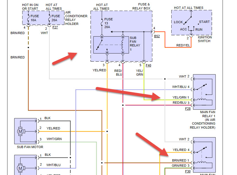
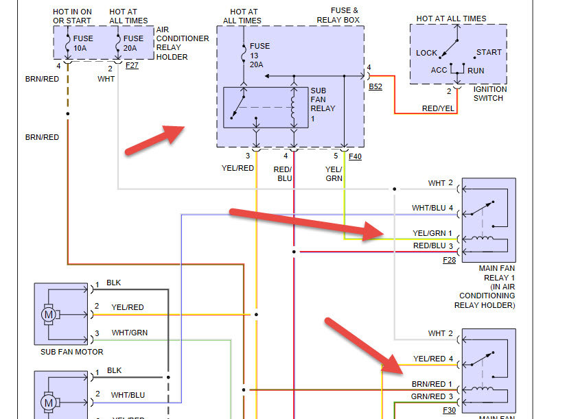
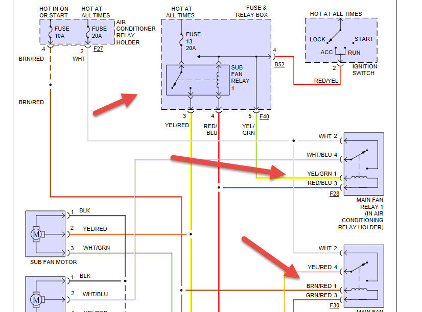
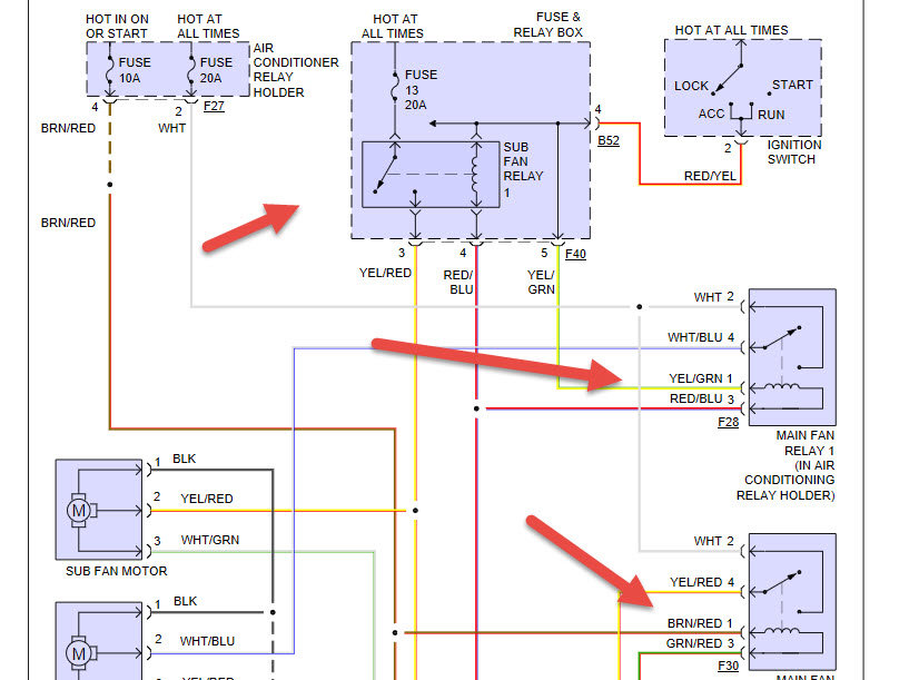
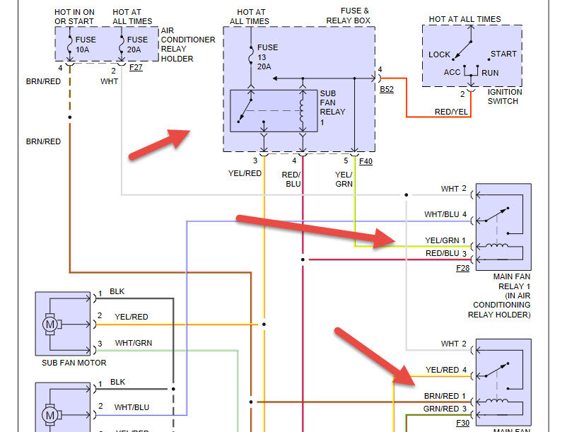
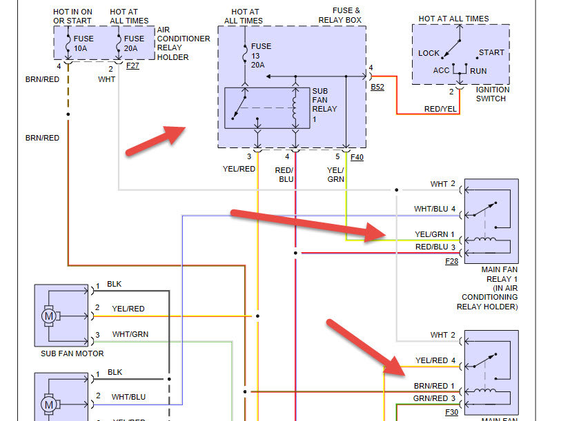
There are four relays for the fans, one is called sub relay and the other three are in A/C holder. See picture.
Was this
answer
helpful?
Yes
No
Thursday, December 5th, 2019 AT 1:23 PM (Merged)

Please login or register to post a reply.