HOME
ASK A QUESTION
REPAIR GUIDES
BECOME A MEMBER
LOG IN
Login with Facebook
OR
Remember me
NOT A MEMBER?
FORGOT PASSWORD?
CONTACT US
PRIVACY POLICY
TERMS AND CONDITIONS
☰
Home
Subaru
Impreza
Engine
Symptoms
Not Running
1995 Subaru Impreza no start
BUTCHER5
MEMBER
1995 SUBARU IMPREZA
4 CYL
FWD
AUTOMATIC
190,000 MILES
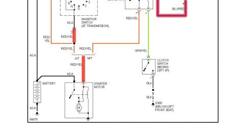
Car will not start. All lights come on but starter or nothing kicks over.
Thursday, July 31st, 2008 AT 4:46 PM
1 Reply
RASMATAZ
MECHANIC
75,992 POSTS
Make sure the battery is good and connections, check slow blow fuse 5amp,inhibitor switch at transmission and starter motor
Was this
answer
helpful?
Yes
No
Thursday, July 31st, 2008 AT 4:59 PM
Please
login
or
register
to post a reply.
Related Engine Not Running Content
Engine Turns Over But Wont Start. White Smoke Is...
Car: Subaru Impreza 1996 Gl 2.0i Ej20 Mt Preamble: Body/engine Driven 250.000 Km Body Nearly Rust Free, Clutch, Drivetrain And...
Asked by
techhead
·
3 ANSWERS
1996
SUBARU IMPREZA
VIDEO
Car Cranking but Not Starting? Try This
Instructional repair video
GUIDE
Engine Not Starting
Over the past 20 years at 2CarPros we have identified the top problems that are easily fixed. This guide can save you a trip to the repair garage or calling a tow truck and...
1997 Subaru Impreza Vehicle Will Not Start
There Are Times When Vehicle Will Not Start. Battery Is Good. It Appears To Be The Starter Or A Short In The Ignition Or Something Else....
Asked by
alexsanchez123
·
1 ANSWER
1997
SUBARU IMPREZA
Car Wont Start
What Happens When You Get Air Back Up?
Asked by
gcsen
·
7 ANSWERS
1994
SUBARU IMPREZA
Not Starting In Cold Weather
My Subaru Runs Good Until It Gets Around 20 Degrees Outside Then It Turns Over But It Will Not Start I Put Dry Gas In Changed Fuel Filter I...
Asked by
haskeels
·
1 ANSWER
3 IMAGES
1997
SUBARU IMPREZA
1994 Subaru Impreza Wont Start
My Car Wont Start Its Trying To Start But It Keeps Back Firing And Chuging It Isnt The Maf Censor Because Ive Changed It So As Any Body Got...
Asked by
ralph1690
·
1 ANSWER
1994
SUBARU IMPREZA
VIEW MORE
Ask a Car Question. It's Free!
How to fix an engine that wont start
Car Cranking but Not Starting? Try This
Crankshaft Sensor Replacement