Horn stuck on

Tiny
GOGOJUICE6
  • MEMBER
  • 2000 BUICK CENTURY
  • 3.4L
  • V6
  • 2WD
  • AUTOMATIC
  • 100,000 MILES
Last night, for no reason, the horn went off. (The car hasn't been driven for 2 days). Checked the horn relay and it appears to be okay.
Any suggestions? Thanks for your help.
Thursday, October 22nd, 2020 AT 4:56 PM

3 Replies

Tiny
JACOBANDNICKOLAS
  • MECHANIC
  • 110,194 POSTS
Hi,

Does the horn stop if you remove the relay? I'm trying to determine if there is a short to power after the relay. Also, how was the relay inspected? Take a look at this link that explains how to test a relay:

https://www.2carpros.com/articles/how-to-check-an-electrical-relay-and-wiring-control-circuit

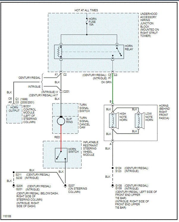
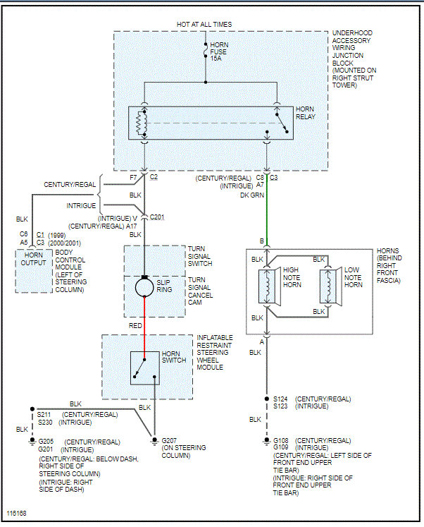
If the relay tests good, then I suspect the actual switch (horn button) in the column is the cause. I attached a wiring schematic of the horn circuit. Take a look and you'll see there isn't much more to fail other than a shorted wire.

Let me know about the relay and if it stops when the relay is removed.

Take care,
Joe
Was this
answer
helpful?
Yes
No
+2
Thursday, October 22nd, 2020 AT 5:16 PM
Tiny
GOGOJUICE6
  • MEMBER
  • 76 POSTS
Yes, it stopped once I removed the relay.(That was the only way to shut it up). This is the way I tested it: pulled it out connected jumper wire to one control terminal (85) and batt +, the other control terminal (86) to batt -, it clicked, then checked for continuity, at the power terminals (87 and 30). It had continuity.
Thx for the fast response and help.
Al.
Was this
answer
helpful?
Yes
No
Thursday, October 22nd, 2020 AT 8:17 PM
Tiny
GOGOJUICE6
  • MEMBER
  • 76 POSTS
  • 2000 BUICK CENTURY
  • 3.1L
  • V6
  • 2WD
  • AUTOMATIC
  • 100,000 MILES
After you guys answered my original question, I went ahead and took a voltage reading at the fuse box and got live volt on the top 2 connectors, where the horn relay goes.
Is this normal?
Thanks again for your help.
Al
Was this
answer
helpful?
Yes
No
Monday, October 26th, 2020 AT 11:17 AM (Merged)

Please login or register to post a reply.