Stop lights wiring diagram needed

Tiny
MONCHO6685
  • MEMBER
  • 2006 MAZDA 3
  • 2.0L
  • 4 CYL
  • 2WD
  • AUTOMATIC
  • 168,904 MILES
Hi, I need the wiring diagram for the brake stop lights for the vehicle listed above. The one on the trunk comes on but the other two doesn't. I checked the 10amp fuse at 38 location on passenger junction box and it's working 12.5v on both terminals. Maybe I have some problems on the terminals or a wire, if someone can help or have and idea of what's happening let me know I will appreciate.
thanks,
Juan Marin
Sunday, September 19th, 2021 AT 7:48 AM

3 Replies

Tiny
KASEKENNY
  • MECHANIC
  • 18,907 POSTS
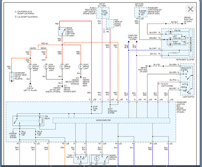
I am attaching the info below but I suspect you have an issue with the splice coming from the stop lamp switch.

Take a look at the wiring diagram below and you will see that the high mount is fed off the same fuse as the left and right brake lights.

What I would do is go straight to the bulbs and find out if you have 12 volts there. If not, back track through the system and find out where you lost it.

https://www.2carpros.com/articles/how-to-check-wiring

However, we know the switch is getting 12 volts as the high mount is working so you are loosing it from that splice to the bulb.

Run through this and let me know what questions you have. Thanks
Was this
answer
helpful?
Yes
No
+1
Sunday, September 19th, 2021 AT 10:54 AM
Tiny
MONCHO6685
  • MEMBER
  • 118 POSTS
Hi kasekenny1.

Thank you for your support and help. I solved it. The bulb socket are burned inside and don't make contact with the bulb. I bought a pair of new ones and replace the burn wires and done.
Thanks,
Juan Marin
Was this
answer
helpful?
Yes
No
+1
Saturday, October 16th, 2021 AT 4:06 PM
Tiny
KASEKENNY
  • MECHANIC
  • 18,907 POSTS
Wow. That is great info. Thanks for coming back to update us and I am glad you fixed it. Thanks for using 2CarPros.
Was this
answer
helpful?
Yes
No
+1
Saturday, October 16th, 2021 AT 5:47 PM

Please login or register to post a reply.