Tuesday, January 29th, 2019 AT 7:55 PM
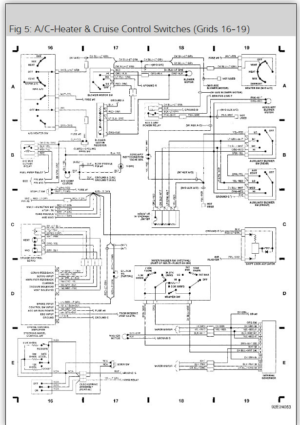
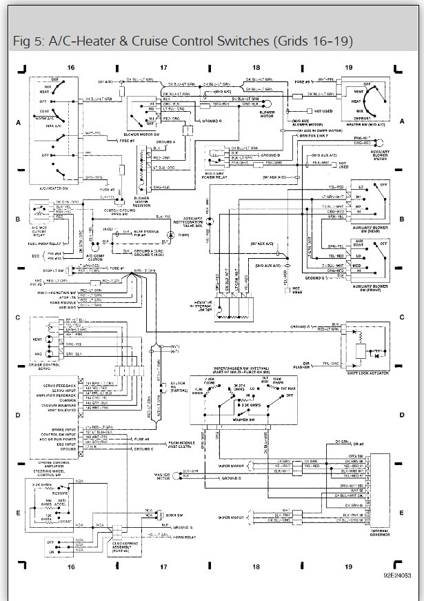
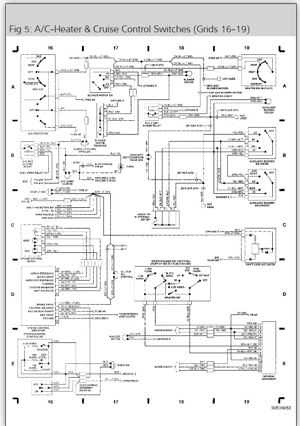
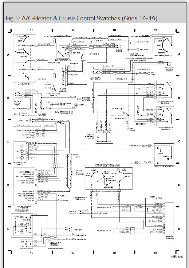
I have replaced the ECM, fuel pump relay, ignition switch, starter relay, alternator and key switch but it still drains the battery. What is the problem?




