Stereo wiring diagram

Tiny
TRISTAN JOSEPH RAMIREZ
  • MEMBER
  • 2016 KIA OPTIMA
  • 2.0L
  • 4 CYL
  • TURBO
  • 2WD
  • AUTOMATIC
  • 66,200 MILES
I want to add a line out converter for an Amp and I need a wiring diagram for the car listed above with navigation without Harman Kardom.
Tuesday, April 13th, 2021 AT 5:47 AM

1 Reply

Tiny
JACOBANDNICKOLAS
  • MECHANIC
  • 110,194 POSTS
Hi,

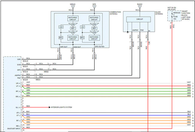
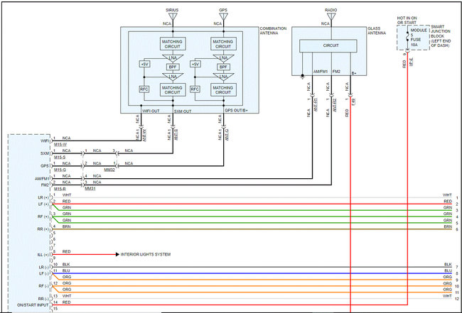
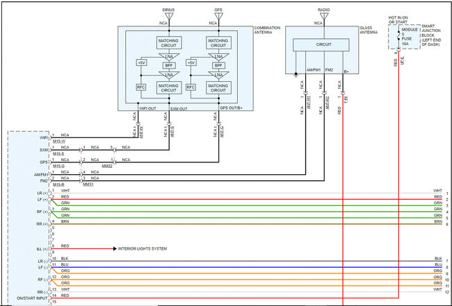
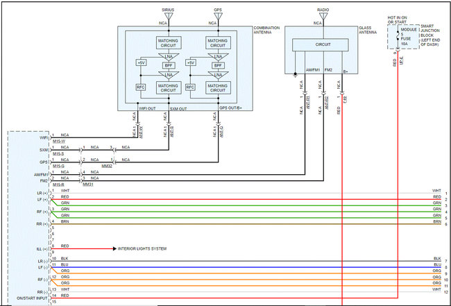
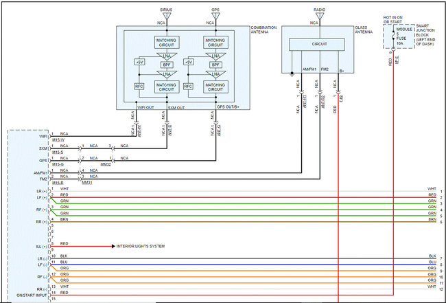
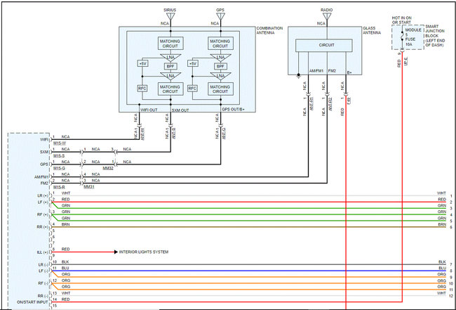
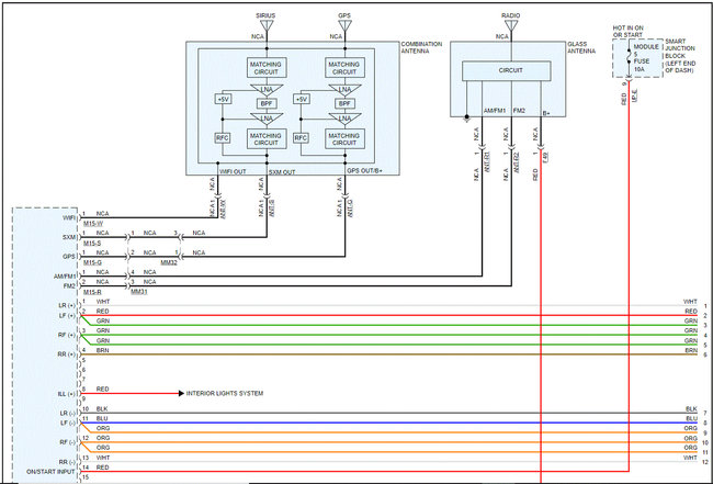
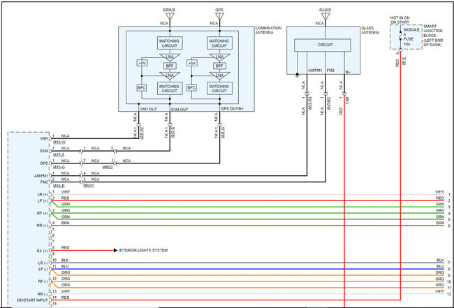
I have two options with nav. Neither indicates Harman Kardom. However, I know that is an upgrade and I believe it has a seperate amp.

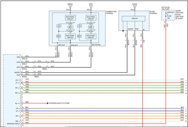
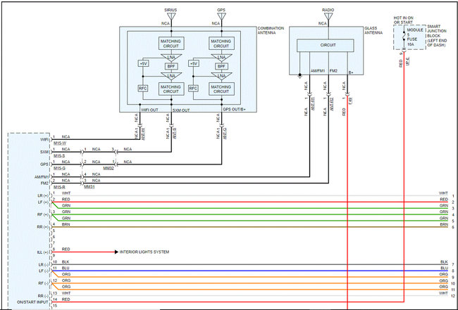
If you look at pic 1 below, I listed the options I have and highlighted the one I picked. If that is incorrect, let me know.

I had to cut the pics in half to make them readable. However, I did overlap them so you can follow from one to the next.

I hope this helps. Let me know if that was the wrong system

Take care,

Joe

See pics below.
Was this
answer
helpful?
Yes
No
-1
Tuesday, April 13th, 2021 AT 7:55 PM

Please login or register to post a reply.