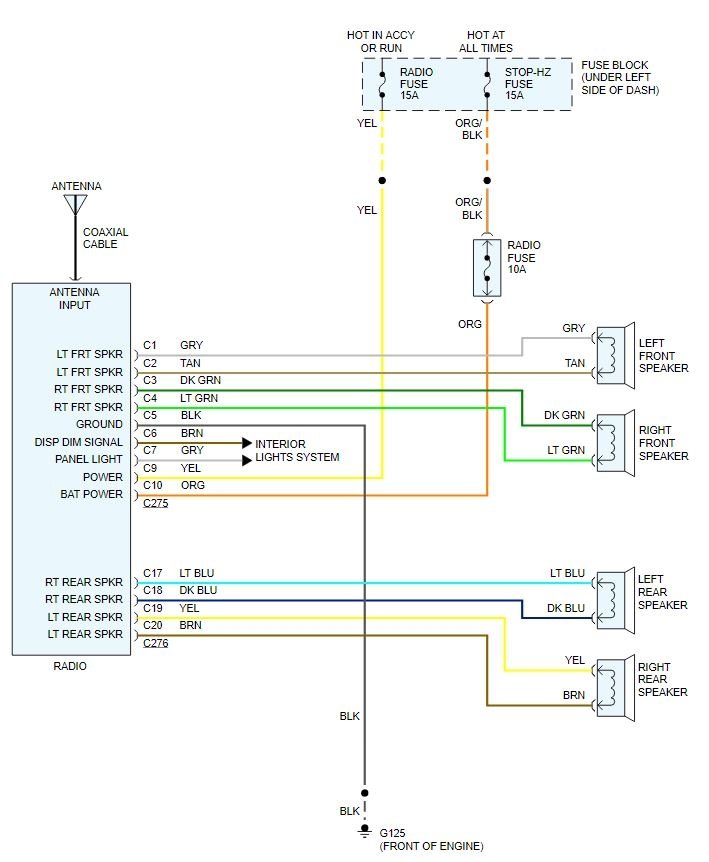
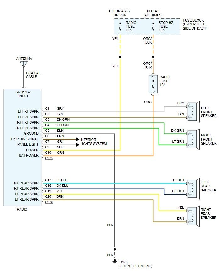
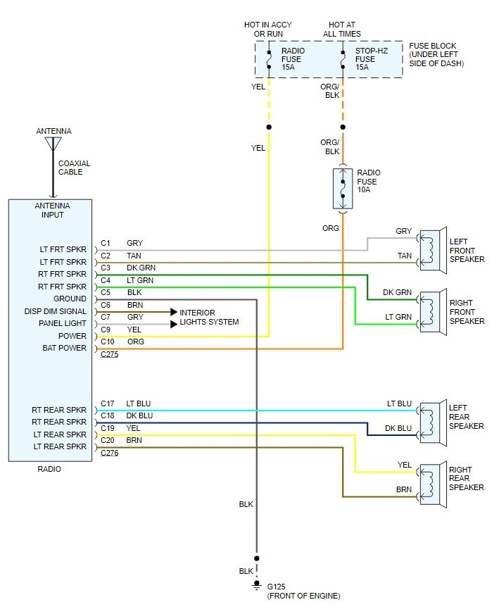
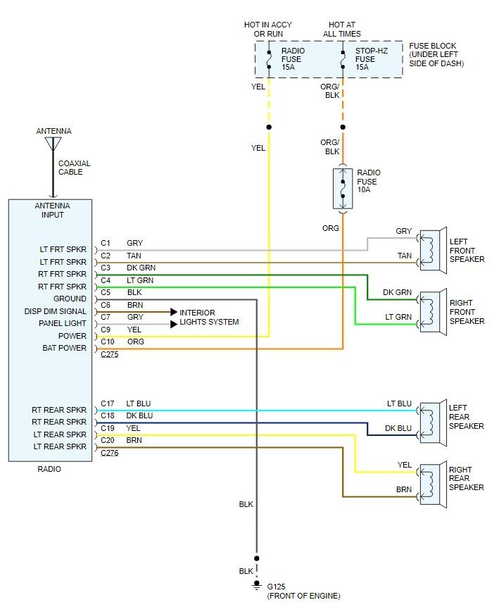
Does the factory stereo have a factory amplifier wire?

Tiny
ERICA DONI
  • MEMBER
  • 1993 CHEVROLET S-10
  • 1.3L
  • 6 CYL
  • 2WD
  • MANUAL
  • 300,000 MILES
If so where is it and what color? And can you bypass it?
Saturday, February 27th, 2021 AT 10:50 PM

1 Reply

Tiny
STEVE W.
  • MECHANIC
  • 15,701 POSTS
No amplifier wire on the stock stereos in that vintage truck. This is the OE wiring for them. I have added a remote switch to them but it involves removing the unit and adding a relay and wires to the OE switch to turn on an external amp. What is it you wish to do? If you want to add an amp you mat want to upgrade the OE unit anyway.
Was this
answer
helpful?
Yes
No
Sunday, February 28th, 2021 AT 12:06 AM

Please login or register to post a reply.