Steering wheel buttons not working

Tiny
FNNLT
  • MEMBER
  • 2008 CHEVROLET TAHOE
  • 5.3L
  • V8
  • 4WD
  • AUTOMATIC
  • 550,000 MILES
Suspecting circuit shortage. Checked fuses under hood and under dash both work fine.
Wednesday, March 4th, 2020 AT 1:10 AM

1 Reply

Tiny
SCGRANTURISMO
  • MECHANIC
  • 4,897 POSTS
Hello,

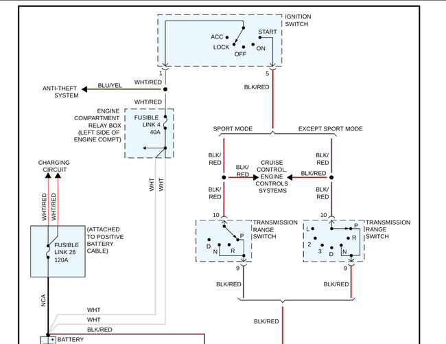
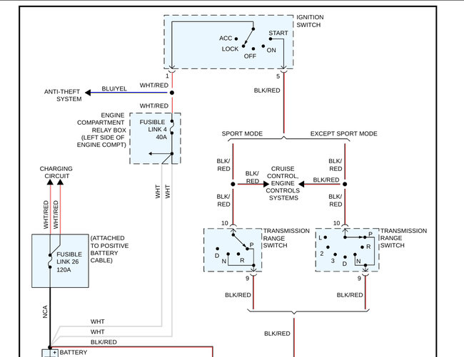
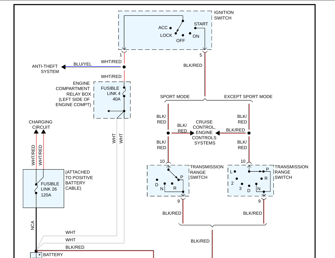
This sounds like the Steering Wheel Control Switch Assembly might be worn out or have an internal short in it and should be replaced as a whole unit. In the diagrams down below I have included the instructions for the removal and installation of the Steering Wheel Control Switch Assembly for your vehicle. Please pay special attention to the SIR disabling portion of the guide. Please get back to us with how everything turns out.

Thanks,
Alex
2CarPros
Was this
answer
helpful?
Yes
No
Wednesday, March 4th, 2020 AT 1:42 AM

Please login or register to post a reply.