Issues after replacing the steering box

Tiny
CHUCK748
  • MEMBER
  • 2002 MERCURY MARQUIS
  • 175,000 MILES
I replaced the steering box in my car and now have two problems. The steering wheel is off center quite a lot and a little tight. I am told an alignment will fix this? Second is whenever I turn on the A/C It instantly pops #16 fuse and I lose the climate control and turn signals. This started after the steering box replacement and the fuse also controls EVO steering which is why I think it may be related.
Monday, May 23rd, 2022 AT 6:55 AM

1 Reply

Tiny
JACOBANDNICKOLAS
  • MECHANIC
  • 110,192 POSTS
Hi,

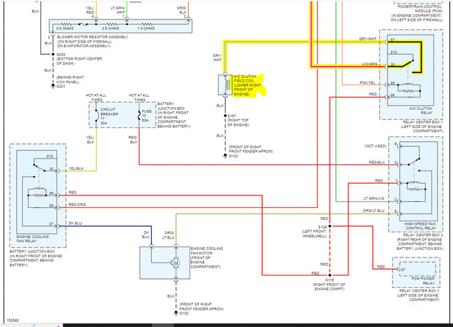
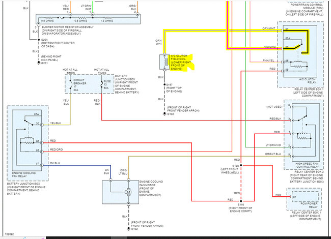
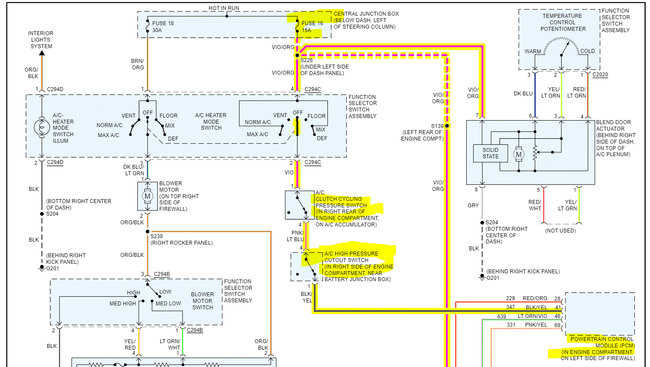
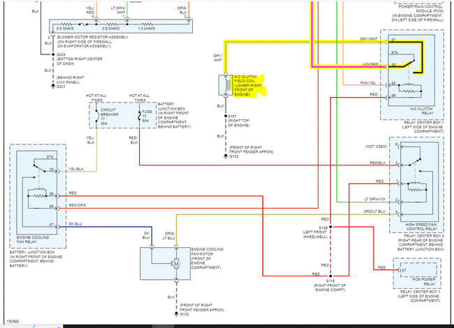
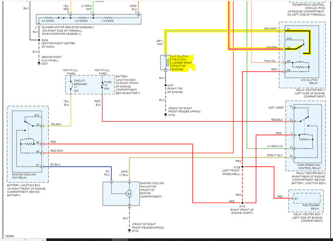
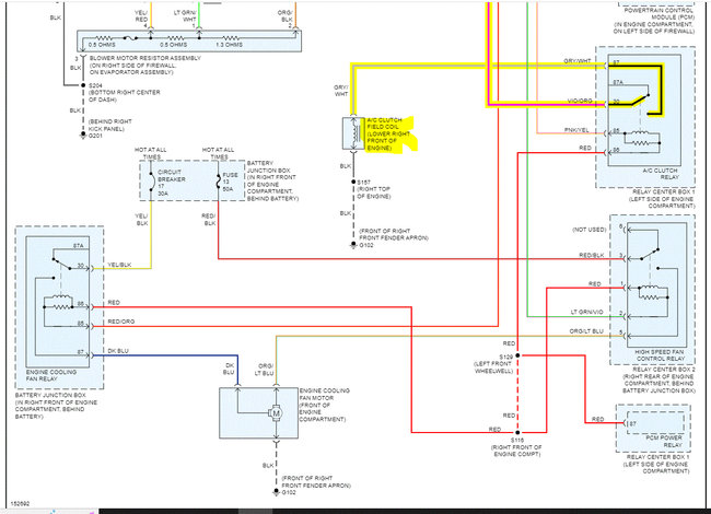
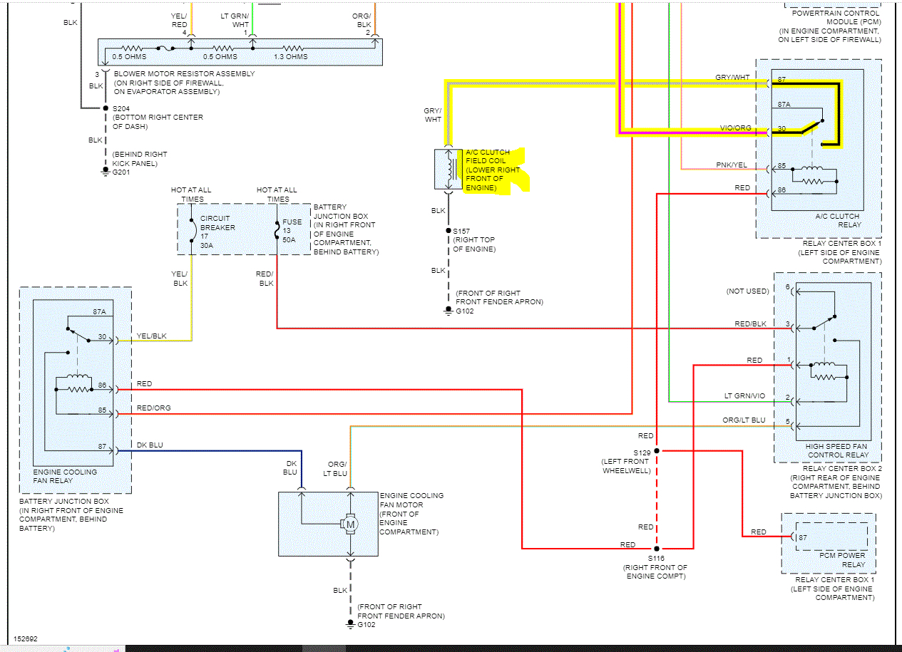
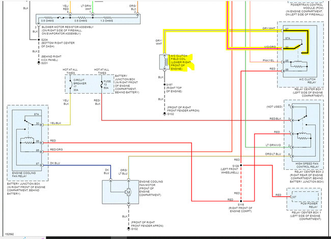
Since this happens when the A/C is turned on, I suspect that is where the issue is coming from. Here is what I want you to do: First, at the A/C compressor, you will find an electrical connector. Follow that as far as you can to make sure it isn't pinched or damaged causing a short. It will be a gray wire with a white tracer. If you find no evidence of damage, disconnect the compressor wire, and see if the fuse fails. If it does, go to the A/C clutch relay. Remove the relay and see if the fuse still fails. If it does, then the short is related to something different. However, the fuse is only responsible for the HVAC and engine cooling fan.

If you look below, I attached the wiring schematic related to the fuse you indicated. This way you have a reference when checking. I highlighted everything related to fuse 16.

Here is a link you may find helpful:

https://www.2carpros.com/articles/how-to-check-wiring

Let me know what you find.

Take care,

Joe

See pics below. Note: My first suspect is the wire going to the A/C compressor is where the problem is located. So, take your time when inspecting.
Was this
answer
helpful?
Yes
No
Monday, May 23rd, 2022 AT 8:45 PM

Please login or register to post a reply.