Starting problems and misfire of cylinders?

Tiny
GSHINCE
  • MEMBER
  • 2003 HYUNDAI SONATA
  • 2.4L
  • 4 CYL
  • 2WD
  • AUTOMATIC
  • 114,254 MILES
1st my car when I start I have to push the gas slightly for it to actually start. 2nd check engine light will come on saying cylinder misfires and eventually turn off on its own (1st time it was cylinder 1 misfire so replaced spark plug and light eventually turned off, turned on again and said misfire of 2nd and 3rd cylinder, random misfire, evaporative emission control system vent control circuit malfunction. Changed all spark plugs and light eventually turned off again, but I feel that it didn't fix the problem at all). Car still has trouble starting and I feel the misfires will possibly happen again just trying to figure out what could cause the misfires with the trouble of car starting without applying the gas. Also, when the check engine light initially comes on the car feels like it has trouble shifting to the next gear, it also seems to have these problems when my gas goes halfway below a quarter tank. It seems like the light starts going away and the car runs a lot better when my tank is full or above quarter tank. I have an automatic 03 Hyundai sonata 2.4 Liter.

I recently bought the car in March, and it always had the starting problem the first check engine light I seen though was around May and second one came on again late June.
Sunday, July 27th, 2025 AT 10:54 AM

5 Replies

Tiny
KEN L
  • MASTER CERTIFIED MECHANIC
  • 55,512 POSTS
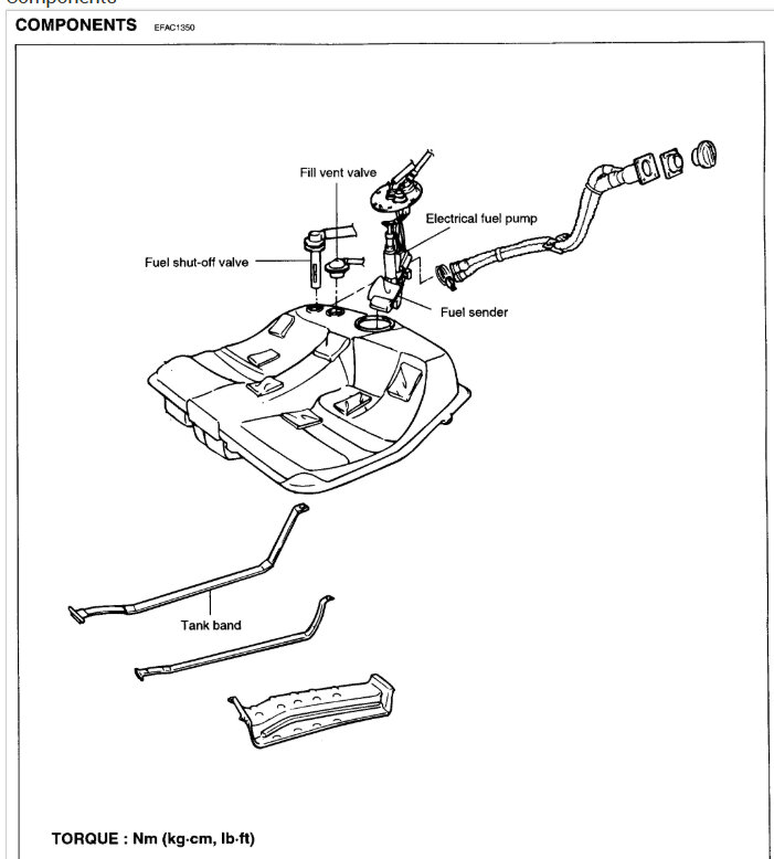
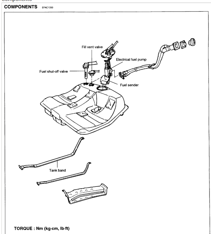
The fact that the car runs better with a full tank is telling us the fuel pump is weak and I would service the throttle body and the IAC motor, here are two guides with instructions below on how to fix the problem:

https://www.2carpros.com/articles/throttle-actuator-service

and

https://www.2carpros.com/articles/idle-air-control-valve-service

Check out the images (below). Please upload pictures or videos in your response.
Was this
answer
helpful?
Yes
No
Sunday, July 27th, 2025 AT 2:00 PM
Tiny
GSHINCE
  • MEMBER
  • 4 POSTS
Okay, so you think servicing these two locations would stop the problem, correct? Or is there most likely or possibly a problem with the fuel pump?
Was this
answer
helpful?
Yes
No
Sunday, July 27th, 2025 AT 2:34 PM
Tiny
KEN L
  • MASTER CERTIFIED MECHANIC
  • 55,512 POSTS
I would do the fuel pump for sure, and you should service the throttle body as part of a normal service procedure. That should fix the problem, yes.
Was this
answer
helpful?
Yes
No
Monday, July 28th, 2025 AT 11:27 AM
Tiny
GSHINCE
  • MEMBER
  • 4 POSTS
So I was gonna do this on my own and I am very amatuer with my mechanic skills but the video I watched explained and showed how easy it was for my sonata 03. I would be buying a fuel pump with module assembly could you possibly direct me to a cheap one? Also the video just showed pulling out the fuel pump assembly module from the tank, when getting the new one would I need to do anything inperticular when installing or would I just do everything in reverse when installing the replacement? (I see cheap whole assemblys on walmart and amazon just under 100$, but when I look on oriellys it only shows 250$ one. Would it be better to just go with oriellys or?)
Was this
answer
helpful?
Yes
No
Monday, July 28th, 2025 AT 9:58 PM
Tiny
KEN L
  • MASTER CERTIFIED MECHANIC
  • 55,512 POSTS
I would get a Denso pump, cheap fuel pumps are a bummer when you are on the side of the road because it has failed. Yes just install the new pump the way the old unit came out. Make sure to put a small amount of grease on the O ring seal when you reassemble the tank. If you get stuck you can upload an image or video of the problem so I can help.
Was this
answer
helpful?
Yes
No
Tuesday, July 29th, 2025 AT 10:37 AM

Please login or register to post a reply.