My engine is hard to start?

Tiny
RASMATAZ
  • MECHANIC
  • 75,992 POSTS
Take the one out on the inline and concentrate on the fuel pump side-
Was this
answer
helpful?
Yes
No
Monday, January 25th, 2021 AT 11:46 AM (Merged)
Tiny
THEBOSS
  • MEMBER
  • 31 POSTS
Rasmatas, The check valve I put inline is on the pressure side before filter, (Is filter line the pressure line or side?) The company where I purchased it said that was the purpose of this check valve. What would you think?-Thanks-
Was this
answer
helpful?
Yes
No
Monday, January 25th, 2021 AT 11:46 AM (Merged)
Tiny
THEBOSS
  • MEMBER
  • 31 POSTS
Hi rasmataz I was wondering if you had a chance to review my last reply on my check valve, it is an (inline check valve)that was installed inline on the filter line before the filter as close to the tank as I could get it but truck still has excessive cranking at times -Thanks-
Was this
answer
helpful?
Yes
No
Monday, January 25th, 2021 AT 11:46 AM (Merged)
Tiny
RASMATAZ
  • MECHANIC
  • 75,992 POSTS
Replace the fuel pump-before you do this check and test the coolant temperature sensor
Was this
answer
helpful?
Yes
No
Monday, January 25th, 2021 AT 11:46 AM (Merged)
Tiny
THEBOSS
  • MEMBER
  • 31 POSTS
The temperature sensor test fine. -Thanks-
Was this
answer
helpful?
Yes
No
Monday, January 25th, 2021 AT 11:46 AM (Merged)
Tiny
RIVERMIKERAT
  • MECHANIC
  • 6,110 POSTS
Check for fuel pressure bleed down. Turn the key on and verify that you have around 55 pounds. Then turn the key off and see if the pressure bleeds off slowly or quickly. If quickly, the pump should be replaced and your secondary check valve is also not doing what it was designed to do.
Was this
answer
helpful?
Yes
No
Monday, January 25th, 2021 AT 11:46 AM (Merged)
Tiny
THEBOSS
  • MEMBER
  • 31 POSTS
Thanks rivermikerat, he has been driving it and I`m going to change the valve (secondary)just to to make sure the secondary has failed, I have had new parts fail before. It will take me a few days to get back to it. I did not know the temp. Sender fed info. To the ignition or the pump all I could do was an resistance test.( Is that why I was told to check it?) I`ll let you know after I change the valve again.-Thanks-theboss-
Was this
answer
helpful?
Yes
No
Monday, January 25th, 2021 AT 11:46 AM (Merged)
Tiny
RIVERMIKERAT
  • MECHANIC
  • 6,110 POSTS
I'm honestly not sure why he had you test the coolant sensor. Let us know how these new tests go.
Was this
answer
helpful?
Yes
No
Monday, January 25th, 2021 AT 11:46 AM (Merged)
Tiny
THEBOSS
  • MEMBER
  • 31 POSTS
Well it`s been 2 days now and the secondary check valve seems to be doing the job. Wne I first started into this problem as noted the fuel pump pressure spec. Is 60 psi but this truck has been running fine at 50-55 psi and thats what it is doing fine so far on with secondary valve, starts again within the 3 sec. Range. Will keep watching and post if it changes. Thanks again!
Was this
answer
helpful?
Yes
No
Monday, January 25th, 2021 AT 11:46 AM (Merged)
Tiny
RIVERMIKERAT
  • MECHANIC
  • 6,110 POSTS
Pleasure. Let us know if we can be of assistance in the future.
Was this
answer
helpful?
Yes
No
Monday, January 25th, 2021 AT 11:46 AM (Merged)
Tiny
ANDREW MONTOYA
  • MEMBER
  • 1 POST
  • 2003 CHEVROLET SILVERADO
  • 100,017 MILES
Hello sirs, I have a 2003 chevy 3500 6.6 diesel that cranks like a champ but would take a long time to start and now will not start at all, I changed the fuel filter and bleed the lines. Could it be the fuel pressure regulator?
Was this
answer
helpful?
Yes
No
Monday, January 25th, 2021 AT 11:46 AM (Merged)
Tiny
RIVERMIKERAT
  • MECHANIC
  • 6,110 POSTS
It sounds like you have low fuel pressure, or a plugged fuel filter, check these links

https://www.2carpros.com/articles/how-to-check-fuel-system-pressure-and-regulator

and

https://www.2carpros.com/articles/how-to-change-a-fuel-filter

let us know what you find :-)
Was this
answer
helpful?
Yes
No
Monday, January 25th, 2021 AT 11:46 AM (Merged)
Tiny
ROBERTBARNES62
  • MEMBER
  • 83 POSTS
  • 2003 CHEVROLET SILVERADO
  • 6.0L
  • V8
  • 4WD
  • AUTOMATIC
  • 170,000 MILES
Hello,

I have noticed that when I turn the key to start it will try to turn over but not crank up on the first try. I can then turn the key back to the off position and then turn the key to start and the truck will start right up. I then tried something that seems to work which is I will turn the key to on, but not all the way to start, then turn the key to off and then turn it to start and the truck cranks right up with no problem.

So I was thinking maybe a fuel filter or the fuel pump may be going out? What are your thoughts on this issue?

Thank you in advance!
Was this
answer
helpful?
Yes
No
Monday, January 25th, 2021 AT 11:46 AM (Merged)
Tiny
JACOBANDNICKOLAS
  • MECHANIC
  • 110,194 POSTS
Hi,

It sounds like fuel pressure drop off. It can be caused by the pump or even a leaky injector. Have you checked fuel pressure to confirm what is happening?

Here is a link that explains how to check:

https://www.2carpros.com/articles/how-to-check-fuel-system-pressure-and-regulator

I have trouble shooting diagrams, but need to know if you own a scanner that can actuate the pump.

Let me know.

Joe
Was this
answer
helpful?
Yes
No
Monday, January 25th, 2021 AT 11:46 AM (Merged)
Tiny
ROBERTBARNES62
  • MEMBER
  • 83 POSTS
I have not checked the fuel pressure. I can check it and get back with you. As far as a scanner I have a Matco scanner, not sure if it will actuate the pump or not though.
Was this
answer
helpful?
Yes
No
Monday, January 25th, 2021 AT 11:47 AM (Merged)
Tiny
JACOBANDNICKOLAS
  • MECHANIC
  • 110,194 POSTS
Do this. When you check the pressure, pay attention to how quickly the fuel pressure drops when you turn the key off. Then, do the same thing, but pinch the return line to the fuel tank to see if it is the same. If it is, then we have an injector issue. If it doesn't drop fast, then chances are it's the pump.

Let me know.

Joe
Was this
answer
helpful?
Yes
No
Monday, January 25th, 2021 AT 11:47 AM (Merged)
Tiny
ROBERTBARNES62
  • MEMBER
  • 83 POSTS
I checked the pressure and this is what I have found. When turn the key the press goes up to about 50 psi and then immediately drops to about 10 psi. When running it is reading about 50 psi steady.

If I understand it correctly, when I turn the key it should be in the 50psi range but it should hold pressure and not drop back to 10psi immediately, right? If that is correct would mean that my fuel pump needs to replaced, right?

Also I must add that I put a new fuel filter and pressure regulator already.
Was this
answer
helpful?
Yes
No
Monday, January 25th, 2021 AT 11:47 AM (Merged)
Tiny
JACOBANDNICKOLAS
  • MECHANIC
  • 110,194 POSTS
Either the pump is bad or there is a leak. When you first turn the key on, it primes only for a couple seconds. Then, the pump will not turn back on until engine RPM's reach a predetermined point. Are you sure there are no leaks? When it does start, is there any black smoke which could indicate a leaking injector?

Joe
Was this
answer
helpful?
Yes
No
Monday, January 25th, 2021 AT 11:47 AM (Merged)
Tiny
ROBERTBARNES62
  • MEMBER
  • 83 POSTS
I cannot find a leak anywhere. Have been under truck and don’t see any fuel leaks. I would think that for as fast as I lose pressure it would be a good leak and should be able to find it. When I start the truck there is no black smoke. I am leaning more to the fuel filter cause I can’t find a leak. Any suggestions before I put a new fuel pump in this weekend?
Was this
answer
helpful?
Yes
No
Monday, January 25th, 2021 AT 11:47 AM (Merged)
Tiny
JACOBANDNICKOLAS
  • MECHANIC
  • 110,194 POSTS
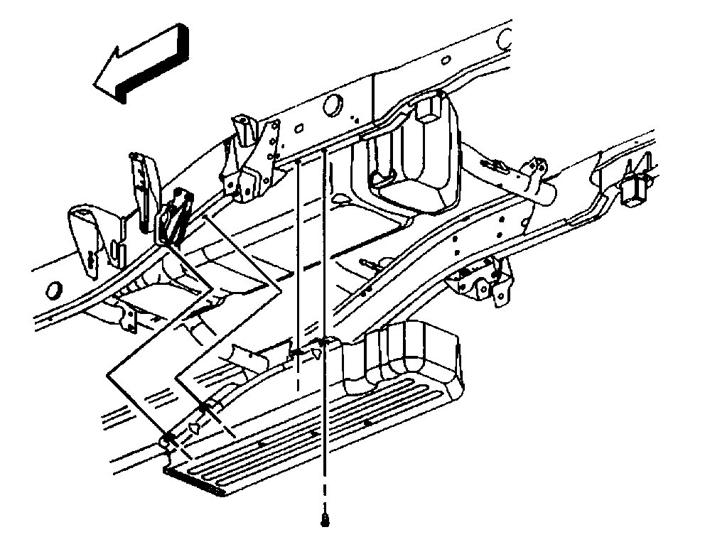
Since there is no black smoke and you see no leaks, I suspect it is the pump. Here are the directions for replacement. The first part is tank removal. The second explains how to remove the sender / pump. All pics correlate with the directions.

__________________________

2003 Chevy Truck K 1500 Truck 4WD V8-6.0L VIN U
Fuel Tank Replacement (Pickup)
Vehicle Powertrain Management Fuel Delivery and Air Induction Fuel Tank Service and Repair Removal and Replacement Fuel Tank Replacement Fuel Tank Replacement (Pickup)
FUEL TANK REPLACEMENT (PICKUP)
Fuel Tank Replacement (Pick-Up)

pic 1

REMOVAL PROCEDURE
1. Relieve the fuel system pressure. Refer to the Fuel Pressure Relief Procedure.

2. Drain the fuel tank. Refer to Fuel Tank Draining Procedure.
See: Fuel Tank > Procedures > Fuel Tank Draining
3. Remove the fuel tank fill pipe.
4. Remove the evaporative emission (EVAP) canister.
5. If equipped, remove the fuel tank shield bolts.
6. Remove the fuel tank shield.

Pic 2

7. Disconnect the fuel feed/return pipes from the fuel tank pipes.
8. Cap the fuel and EVAP pipes in order to prevent possible fuel/EVAP system contamination.
9. Place a suitable adjustable jack under the fuel tank.

Pic 3

10. Remove the fuel tank strap bolts.

NOTE: Refer to Damage to Fuel Tank Straps Notice in Service Precautions See: Fuel Tank > Vehicle Damage Warnings > Damage to Fuel Tank Straps Notice.

11. Remove the fuel tank straps.
12. Lower the fuel tank until the electrical connections are accessible.

Pic 4

13. Remove the fuel sending unit connector position assurance (CPA) connector.
14. Disconnect the fuel sending unit and pressure sensor electrical connectors (1).
15. Completely lower the fuel tank.
16. With the aid of an assistant, place the fuel tank in a suitable work area.

Pic 5

17. Disconnect and remove the fuel feed (3) and return (2) pipes from the sending unit and retaining clips.
18. Disconnect and remove the EVAP pipe (1) from the sending unit, roll over valve (3), and retaining clip.
19. If replacing the fuel tank, remove the sending unit.

Pic 6

INSTALLATION PROCEDURE
1. If the fuel tank was replaced, install the sending unit.
2. Install and connect the EVAP pipe (1) to the sending unit, roll over valve (3), and retaining clip.
3. Install and connect the fuel feed (3) and return (2) pipes to the sending unit and retaining clips.

Pic 7

4. With the aid of an assistant, place the fuel tank on the jack.
5. Raise the fuel tank until the electrical connections can be made.
6. Connect the fuel sending unit and pressure sensor electrical connectors (1).
7. Install the fuel sending unit CPA connector.

Pic 8

8. Install the fuel tank straps.

NOTE: Refer to Fastener Notice in Service Precautions See: Powertrain Management > Vehicle Damage Warnings > Fastener Notice.

9. Install the fuel tank straps bolts.

Tighten
Tighten the bolts to.40 N.M (30 lb ft).

10. Remove the adjustable jack from under the fuel tank.

Pic 9

11. Remove the caps from the fuel and EVAP pipes.
12. Connect the fuel feed/return pipes to the fuel tank pipes.
13. Install the fuel feed/return pipes to the clip on the fuel tank.

Pic 10

14. If equipped, install the fuel tank shield.
15. Install the fuel tank shield bolts.

Tighten
Tighten the bolts to.18 N.M (13 lb ft).

16. Install the EVAP canister.
17. Install the fuel tank fill pipe.
19. Install the fuel fill cap.
20. Connect the negative battery cable.
21. Use the following procedure in order to inspect for leaks:
21.1. Turn the ignition ON, with the engine OFF, for 2 seconds.
21.2. Turn the ignition OFF for 10 seconds.
21.3. Turn the ignition ON, with the engine OFF.
21.4. Inspect for fuel leaks.

________________________________________

2003 Chevy Truck K 1500 Truck 4WD V8-6.0L VIN U
Fuel Sender Assembly Replacement
Vehicle Powertrain Management Fuel Delivery and Air Induction Fuel Tank Unit Service and Repair Procedures Fuel Sender Assembly Replacement
FUEL SENDER ASSEMBLY REPLACEMENT
FUEL SENDER ASSEMBLY REPLACEMENT

TOOLS REQUIRED
J 44402 Fuel Tank Sending Unit Wrench

pic 12

REMOVAL PROCEDURE
1. Remove the fuel tank.
2. Disconnect fuel lines from the sending unit, if required.
3. Using J 44402, remove the sending unit lock ring.

Pic 13

4. Remove the sending unit and seal. Discard the seal.

CAUTION: Drain the fuel from the fuel sender assembly into an approved container in order to reduce the risk of fire and personal injury. Never store the fuel in an open container.

5. Clean the sending unit sealing surfaces.

INSTALLATION PROCEDURE

CAUTION: In order to reduce the risk of fire and personal injury that may result from a fuel leak, always replace the fuel sender gasket when reinstalling the fuel sender assembly.

IMPORTANT: The fuel strainer must be in a horizontal position when the sending unit is installed in the tank. When installing the sending unit, assure that the fuel strainer does not block full travel of the float arm.

Pic 14

1. Install a NEW sending unit seal.
2. Align the tab, and install the sending unit.

Pic 15

3. Using J 44402, install the sending unit lock ring.
4. Connect fuel lines to the sending unit, if required.
5. Install the fuel tank.
_____________________________

Let me know if this helps.

Joe
Was this
answer
helpful?
Yes
No
Monday, January 25th, 2021 AT 11:47 AM (Merged)

Please login or register to post a reply.