Starting issues

Tiny
TIMOTHY WISE
  • MEMBER
  • 2013 HYUNDAI SONATA
  • 2.4L
  • 4 CYL
  • 2WD
  • AUTOMATIC
  • 136,000 MILES
The issue just started. I went out to start the car and it does what I will call a half crank but wont start. It does this about 8-10 times and then it starts fine. It doesn't show check engine or any other issues. I had the brake switch at a Hyundai dealership because the cruise wouldn't set and the traction control light came on. That was about 2 months ago. Like I said it does what I will call a half crank but doesn't turn over.
Saturday, June 12th, 2021 AT 1:33 AM

5 Replies

Tiny
JACOBANDNICKOLAS
  • MECHANIC
  • 110,194 POSTS
Hi,

Is it possible for you to record what it is doing and upload it for me to hear? When you indicate a "half crank" I imagine the starter engaging and disengaging before the engine starts. Is that what is happening?

Let me know.

Joe
Was this
answer
helpful?
Yes
No
Saturday, June 12th, 2021 AT 9:45 PM
Tiny
TIMOTHY WISE
  • MEMBER
  • 3 POSTS
I can't upload it because all I have is a flip phone. I guess the only other way I can describe it is like on older cars when you are setting the timing and you tell the other person to just bump it.I have a push button start so there is no bumping, but that is what it sounds like. It doesn't do it all the time but when it does it takes 8-10 tries before it starts.I was at first from what I read was leaning to the brake switch again but there isn't any other issues like the other times when the switch was changed like the traction control light or not being able to set the cruise and tail light issues, none of that just the starting problem and I'm afraid its going to lead or cause something else major.
Was this
answer
helpful?
Yes
No
Sunday, June 13th, 2021 AT 12:59 AM
Tiny
JACOBANDNICKOLAS
  • MECHANIC
  • 110,194 POSTS
Hi,

The brake switch isn't a likely cause unless you noticed the brake lights aren't working. I believe I understand what you are experiencing. In this case, the first thing I suggest is to check is the start 1 relay. It may be failing.

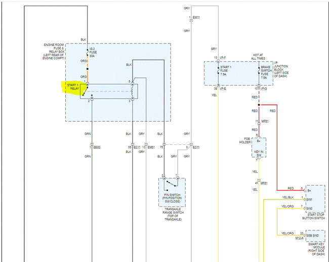
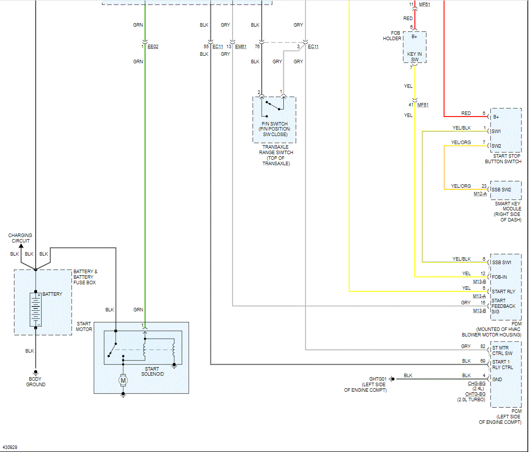
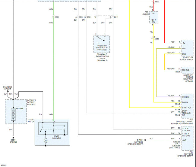
If you look below, I attached the wiring schematic for the starting system (smart key/push button). I highlighted the relay I'm referring to. It won't be a fuse or anything like that because it would never work if it was blown.

The relay is in the underhood fuse/relay box. If you look at pics 3 and 4 below, it shows the location and I highlighted the relay.

Try this: Switch that relay with a different one in the box having the same part number and see if the problem still occurs. Or, here is a link that shows how to test a relay. My concern is it doesn't happen all the time, so testing it may not provide an accurate result.

https://www.2carpros.com/articles/how-to-check-an-electrical-relay-and-wiring-control-circuit

Now, please keep in mind that a weak connection to the battery can do this as well. Make sure the battery terminals are tight and clean. Also, follow the ground wire from the battery to the engine block and confirm it is tight and clean as well.

If this all checks good, you may simply have a faulty solenoid on the starter causing this. The idea that it clicks (bumps) indicates the circuit is complete. So, we are losing power at some point. My guess is either a bad connection, a faulty starter relay, or the solenoid on the starter itself.

I hope this helps. Let me know what you find. Also, pay attention if the brake lights are working properly when this happens. You will likely need a helper. LOL

Take care,

Joe

See pics below.

Was this
answer
helpful?
Yes
No
Sunday, June 13th, 2021 AT 6:32 PM
Tiny
TIMOTHY WISE
  • MEMBER
  • 3 POSTS
I will try this and see if that's the problem. I also wanted to mention that when this happens, it sounds like the push button is triggering the starter but the starter isn't starting the engine.
Was this
answer
helpful?
Yes
No
Sunday, June 13th, 2021 AT 11:12 PM
Tiny
JACOBANDNICKOLAS
  • MECHANIC
  • 110,194 POSTS
Hi,

That is what I thought you meant. If you hear the starter, then we know power is available to it. Something is stopping the power or the starter itself is bad.

Let me know what you find or if you have other questions.

Take care,

Joe
Was this
answer
helpful?
Yes
No
Monday, June 14th, 2021 AT 7:48 PM

Please login or register to post a reply.