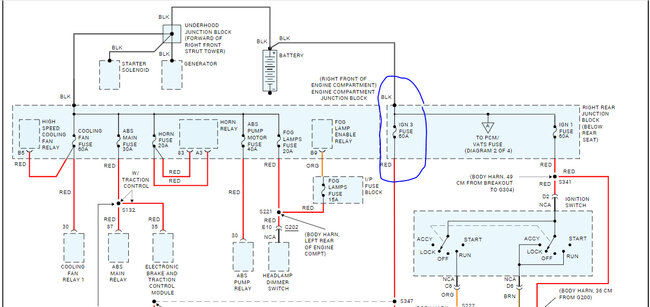
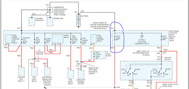
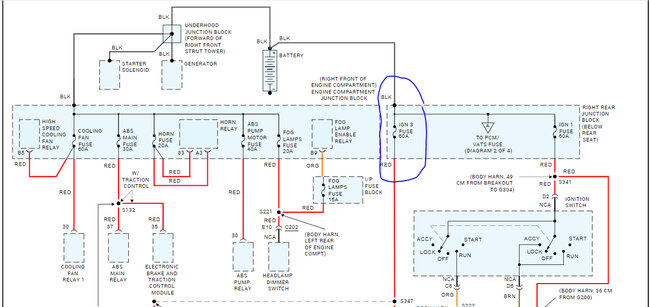
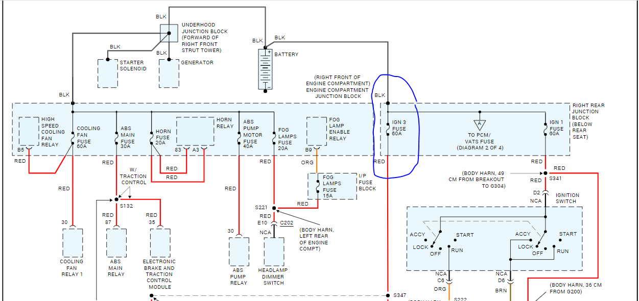
Thursday, October 17th, 2024 AT 5:58 PM
I recently had my alternator tested and they said it was going bad, so I put in a new alternator and battery. I drove it yesterday morning no problem but when I shut the car off it won't start is giving no electricity at all.


