Starting issues?

Tiny
GINGERFRISBEY
  • MEMBER
  • 1999 SATURN SL1
  • 4 CYL
  • 2WD
  • MANUAL
  • 275,000 MILES
Starter went bad. Replaced the starter and the alternator went out. Replaced the alternator and charged the battery (battery only 1 year old) and interior lights and dings work but no crank, hum, nothing. Doesn't even try to turn over. Please help.
Wednesday, December 21st, 2022 AT 10:08 PM

3 Replies

Tiny
JACOBANDNICKOLAS
  • MECHANIC
  • 110,192 POSTS
Hi,

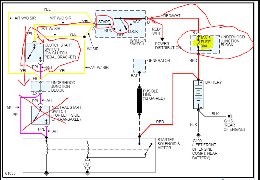
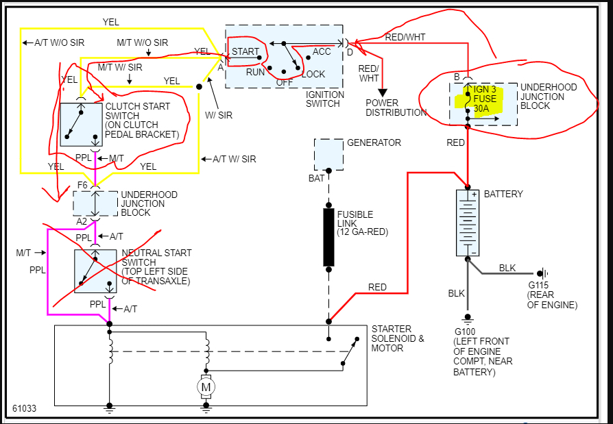
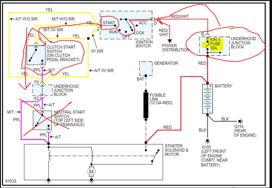
First, check to see if it makes a difference if you place it in neutral. If it doesn't, then I need you to check the IGN 3 fuse in the under-hood fuse box. In addition to checking it, confirm there is power to and from it.

Here is a link that explains how to check:

https://www.2carpros.com/articles/how-to-check-a-car-fuse

If that is good, I need you to check for power at the starter. You will need a helper for this. At the starter, you will find a smaller gauge purple wire. It only gets power when the key is in the start position. So, have a helper turn the key to the start position while you check for power at that wire. If there is power, the starter is likely bad. If there is no power, we will need to trace it back to see where it is lost.

I attached the wiring schematic below for you, so you have a reference.

Let me know what you find.

Joe

See pic below.
Was this
answer
helpful?
Yes
No
+1
Wednesday, December 21st, 2022 AT 10:24 PM
Tiny
GINGERFRISBEY
  • MEMBER
  • 2 POSTS
I have by now checked/done the following: replaced battery, removed cleaned and reconnected battery terminal connectors, checked every fuse and they were all good, I've wiggled and tapped and tightened the connections to the starter, solenoid, and alternator. So far, I'm being led to either the clutch safety switch, ignition switch, or security feature. I feel like there has to be something I'm missing.
Was this
answer
helpful?
Yes
No
Monday, January 2nd, 2023 AT 4:25 AM
Tiny
JACOBANDNICKOLAS
  • MECHANIC
  • 110,192 POSTS
Hi,

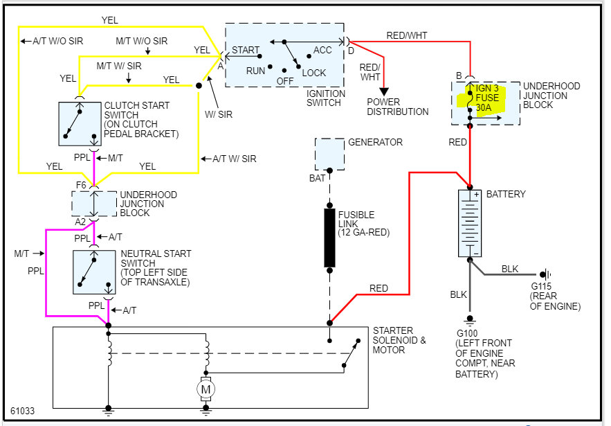
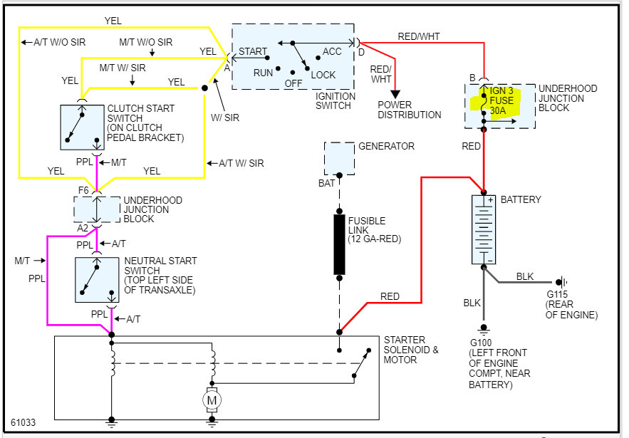
Each of the three things can be checked. First, does the security light stay on or flash? If so, turn the key to the run position and allow it to sit for about 10 minutes. If it is an antitheft issue, at that point, the security lamp should turn off, and the engine should start.

Next, at the clutch safety switch, you will see a yellow wire and a purple one. With the key in the start position, power should be present at the yellow wire. When you depress the clutch, power should go to the purple wire and then to the starter. Check that.

If you find there is no power to the yellow wire, then suspect the ignition switch or the ignition 3 fuse is bad, but you checked the fuse. So, you will need to check the red wire with a white tracer at the ignition switch for power.

Try this and let me know what you find,

Take care,

Joe

See pic below.
Was this
answer
helpful?
Yes
No
Monday, January 2nd, 2023 AT 4:18 PM

Please login or register to post a reply.