Tuesday, October 31st, 2017 AT 4:46 AM
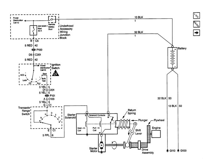
Battery and starter tested working properly. But, the solenoid I believe is the small post on the starter is only receiving four volts and the bigger post on the starter is receiving twelve volts which is not allowing the starter to turn over the van to start. What would be your recommendation on how to start and finish to resolve the problem? I even used alligator clamps with wire direct from the battery to the smaller post on the starter and it did begin to turn over, but I immediately removed due to smoke coming from negative post on the battery. Not sure if because the post is screwed into battery at a slight angle and the current is more concentrated on a small amount of surface verses the prong being flat. But, regardless there is a issue. Any ideas would be of great help due to it only being are only way of transportation with three kids and we are in a tight spot so money is an issue.


