Monday, July 11th, 2022 AT 9:48 AM
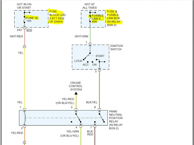
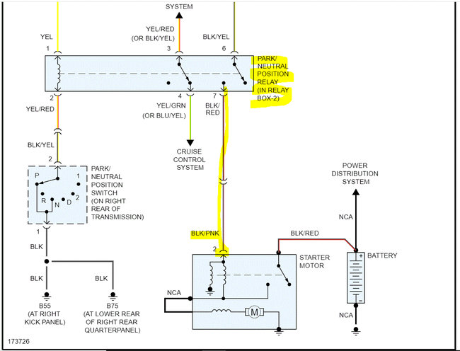
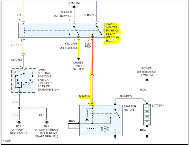
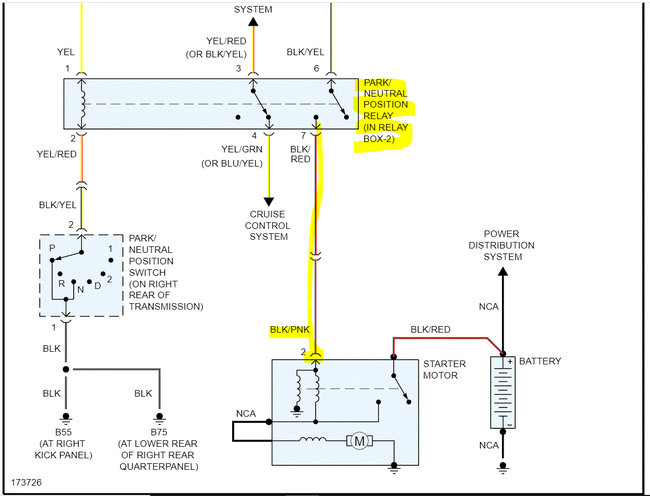
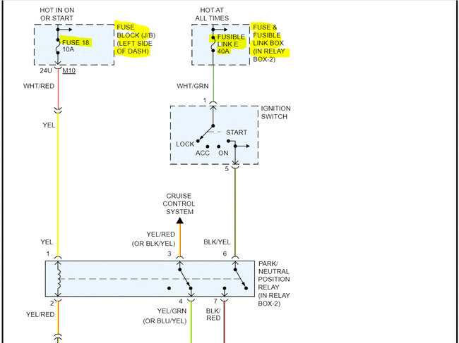
It will not crank after the installation of a new starter. It would click once when the key is turned. It started over twelve times immediately after the new starter was installed, then I shifted the drive train into 4-wheel high to check the front drive shaft and it won't crank again. I have checked the voltage under the starter relay and the contacts at the bottom right location that has no power. All five other contacts read 12.5 volts.



