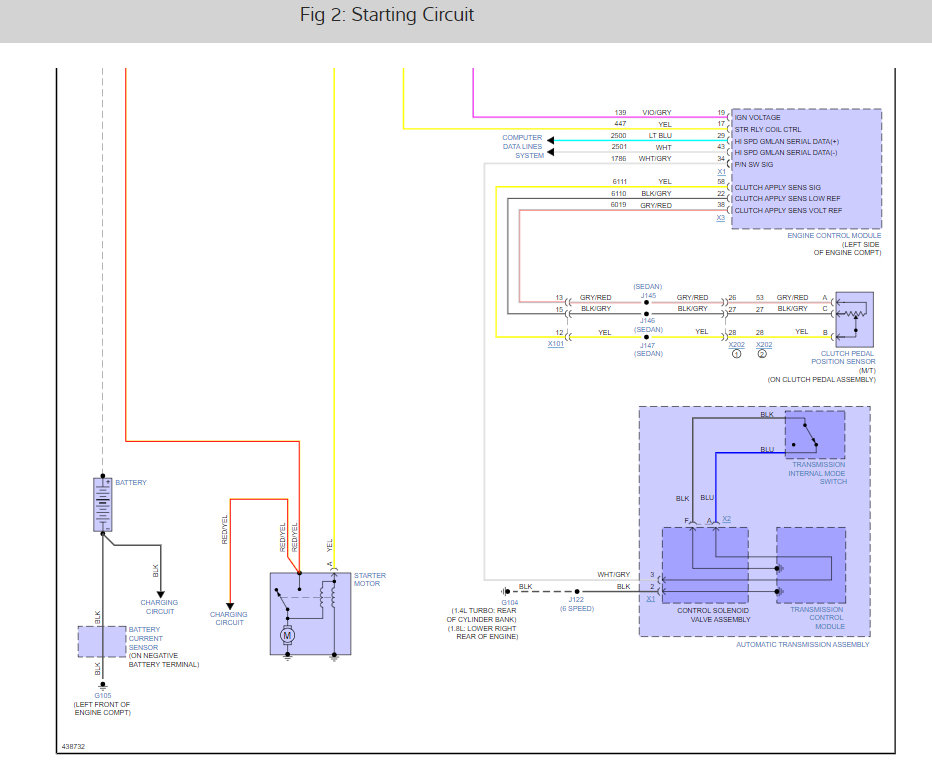
Thus, I replaced the starter motor with a brand new one. Now it works. 50% of the time the car starts immediately, 100% after it had just been driven. The rest of the time the starter does nothing. Turning the key does nothing, I have to remove the key and re-plug it.
I looked at all the cables, they are new and installed properly. I tried my second key still the same. And different ways of turning it might have slight impact on the result. What would you recommend checking and why? It should not be the fuses, right? It could be the relays.
Saturday, September 3rd, 2022 AT 3:37 AM





