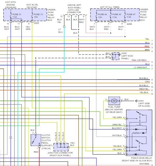
Sunday, February 25th, 2018 AT 7:15 AM
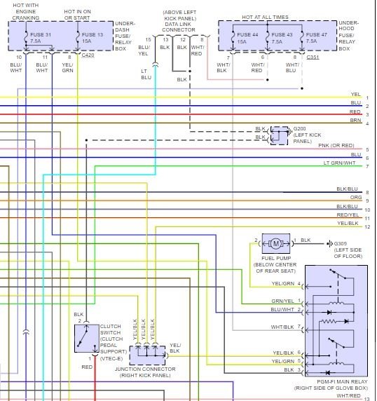
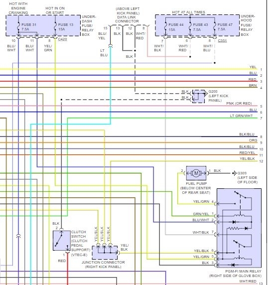
Car will not start and when I turn the car on there is a clicking noise from behind the glove compartment. What could it be not making it start?





