Will not start

2007 JEEP COMPASS
174,000 MILES • 2.4L
Avatar
MISSCAROL SANAPAW
  • MEMBER
  • 1 POST
Replaced battery but still won't turn over. Lights come on. Tried using a computer to diagnose the problem but won't communicate with diagnostic reader. Why won't it start?
Feb 19, 2022 at 7:56 AM
Repair Safety Notice: This information is for general instructional purposes only. Vehicle repair can be dangerous. Verify all information, follow manufacturer service procedures, use proper tools and safety equipment, and consult a qualified repair shop when needed.
Advertisement
Avatar
JACOBANDNICKOLAS
  • CAR REPAIR CONTRIBUTOR
  • 110,190 POSTS
Hi,

When you turn the key to the start position, do you hear anything? For example, is there a click or anything that you notice?

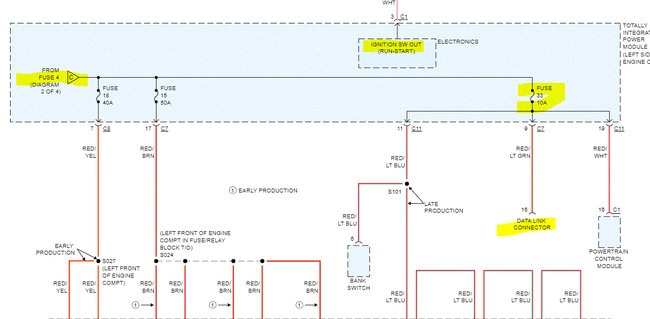
Next, the code reader is another story that may be associated with this. If you look below, I attached two pics. I need to know if the fuses highlighted, 4 and 33, are good. In addition, I need to know if there is power to them. If they are good, it is very important that I know if there is power to them. Here is a link you may find helpful:

https://www.2carpros.com/articles/how-to-check-a-car-fuse

The fuses are located in the under-hood fuse box. I highlighted them in pic 3. Note, also check fuse 35 in the same box. I didn't highlight it, but it is to the right of 33 and a heavy-duty fuse.

Let me know what you find,

Take care,

Joe

See pics below.

Feb 19, 2022 at 4:33 PM
Advertisement