Monday, August 7th, 2017 AT 9:45 AM
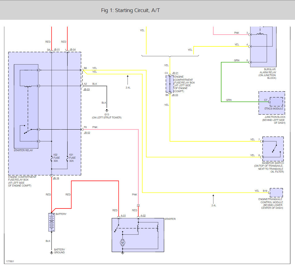
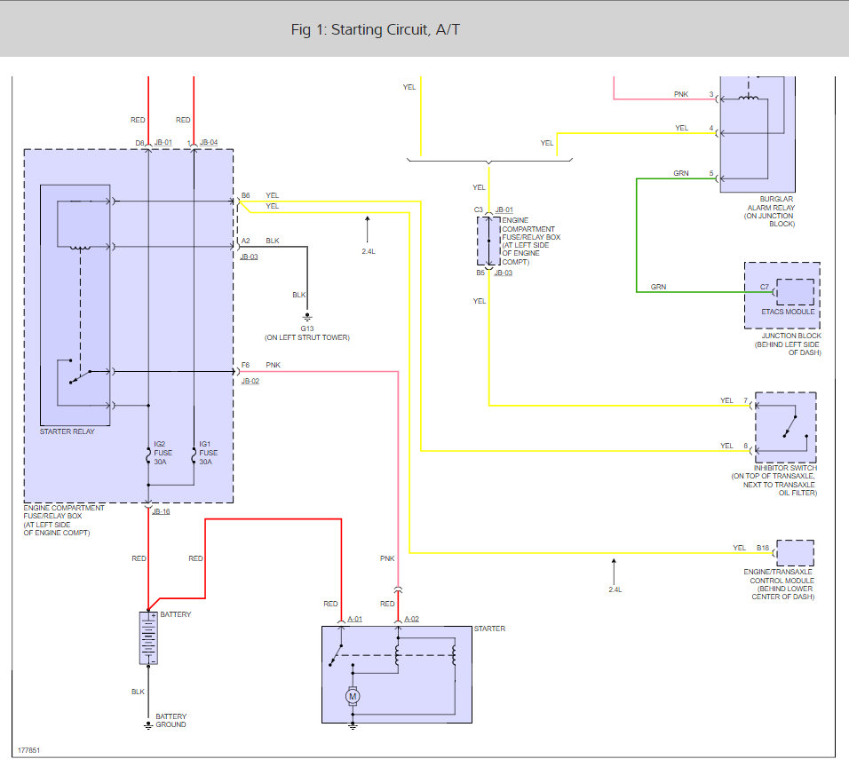
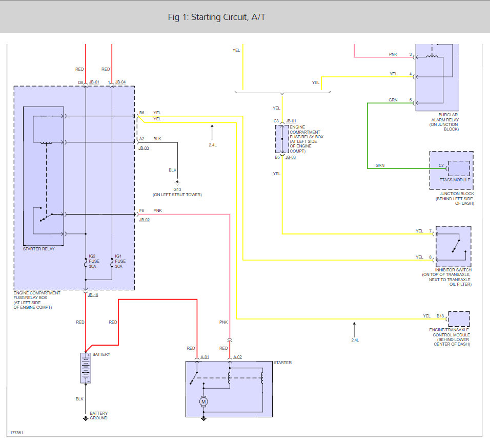
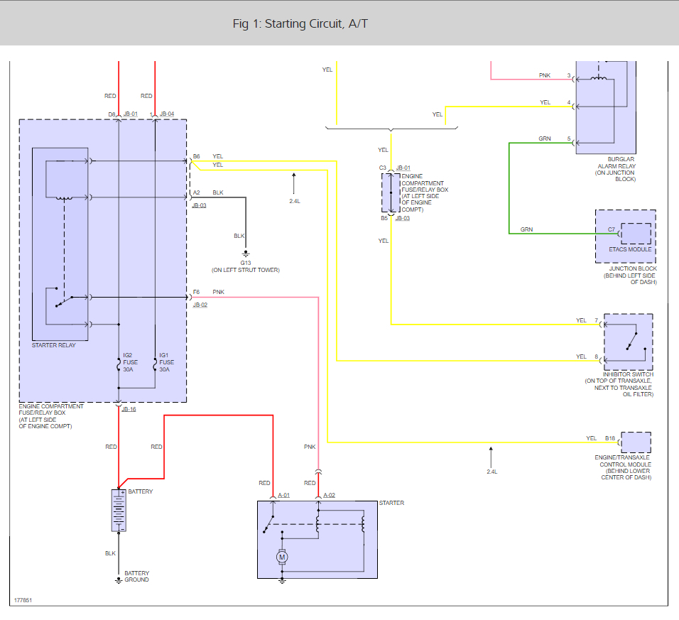
When I turn the key to start the car it does nothing. There is no sound made, not even a clicking sound, as if nothing is connected. I replaced the starter and solenoid and battery. The car is front wheel drive and it has been sitting for a long time because the starter stopped working.






