Starter does not engage?

Tiny
TEXABILLY1
  • MEMBER
  • 1999 FORD F-150
  • 4.2L
  • 6 CYL
  • 2WD
  • MANUAL
  • 133,000 MILES
Replaced starter and it will not engage all it does is make one click. Battery is good. Fire wall cylinder is getting juice. I don't know what else to check please help?
Wednesday, September 28th, 2022 AT 8:19 AM

1 Reply

Tiny
JACOBANDNICKOLAS
  • MECHANIC
  • 110,194 POSTS
Hi,

Is the starter making the click or the relay? Also, have you checked fuses?

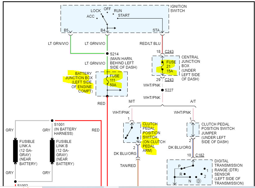
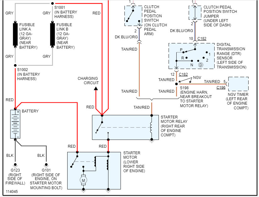
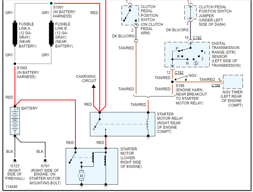
I attached the wiring schematic for the starter circuit below, so you have a reference.

On the starter motor, there will be two red wires. One is a thicker heavy gauge wire and the other is smaller. The larger one should have 12v at all times. The smaller one only has power when the key is in the start position. Have a helper turn the key to start while you check for power to the smaller one.

Also, here is a link you may find helpful:

https://www.2carpros.com/articles/starter-not-working-repair

Let me know what you find.

Take care,

Joe

See pics below.
Was this
answer
helpful?
Yes
No
Wednesday, September 28th, 2022 AT 6:22 PM

Please login or register to post a reply.