Starter will not crank?

Tiny
STUARTK
  • MEMBER
  • 2014 CHEVROLET EXPRESS
  • 5.3L
  • V8
  • 4WD
  • AUTOMATIC
  • 75,000 MILES
I use this van for camping, and it sat for several months after we took a trip last fall to Alaska. More than 7,000 miles and 6 weeks of driving without a problem and now it won't start.
batter was dead so I charged it. Battery was replaced in July 2022.
I tried to start after charging and nothing, no click, nothing.
checked all the ignition related fuses I could find all good.
pulled starter relay and also looked good.
giggled the automatic gear shifter then moved it from park to neutral and the engine started.
drove for half an hour and parked the van.
The next day I tried to start it and nothing.
tried to start in neutral several times and giggled the shifter between park and neutral. No luck.
I know there are safety switches for the neutral / park, but I don't know where they are and how many there are.
I'd also like to see a wiring diagram if there is one.
Any thoughts?

I hope you can help me out, this one has me stumped.
thanks,
Stuart
Tuesday, March 28th, 2023 AT 7:11 PM

12 Replies

Tiny
STUARTK
  • MEMBER
  • 8 POSTS
FYI it is an AWD not a 4-wheel drive.
Thanks
Was this
answer
helpful?
Yes
No
Tuesday, March 28th, 2023 AT 7:42 PM
Tiny
JACOBANDNICKOLAS
  • MECHANIC
  • 110,194 POSTS
Hi,

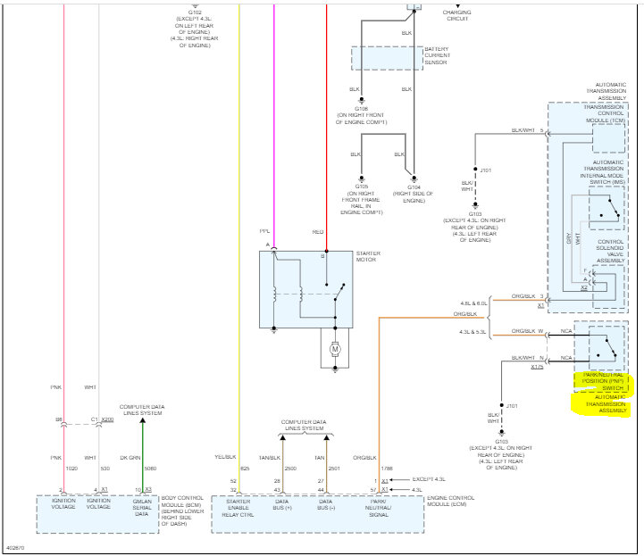
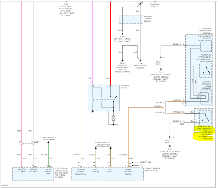
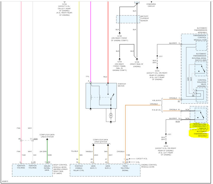
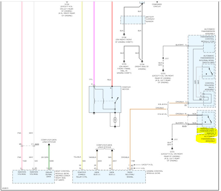
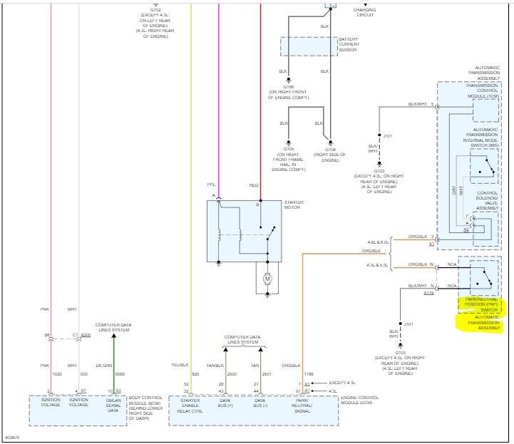
It could be related to the park neutral position switch (PNP). To confirm, try the test below in pic 1.

Next, when you try starting it, do you hear anything? Is the gear indicator working properly?

I attached the wiring schematic below, so you have a reference. If the shifter seems to be indicating the correct gears, the PNP is in the transmission housing.

I just want to make sure the PNP is the issue. It is part of the transmission range sensor and is located inside the transmission. Also, there are two different transmissions that were offered on this vehicle.

If you look at pics 4 and 5, I highlighted the switch for both types of transmissions. Pic 4 is the 4L60-E and pic 5 is the 6L90, which isn't as common.

Let me know.

Joe

See pics below.
Was this
answer
helpful?
Yes
No
+1
Wednesday, March 29th, 2023 AT 7:55 PM
Tiny
STUARTK
  • MEMBER
  • 8 POSTS
Hi again,

Today I tried starting the van as you suggested, with the brakes on in each gear setting, park, neutral, reverse, and each gear. Nothing, no noticeable sounds, it didn't crank.
I put the van in reverse with the key "on" to see if the reverse lights came on, they did.
I tried looking at my engine analyzer to see if it had any hints and nothing obvious.
While looking at the engine analyzer, I tried several times to start the van over a period of 1/2 an hour, and one time it started. I let it run for 15 minutes and shut it off to see if it would start again, it did, several times. It also started in neutral several times.

I let it sit for 20 minutes and tried to start it in park, and it started. I tried to start it in neutral and it started. I took it for a drive for 15 minutes and came back, shut it off, and started it in park and also started it in neutral.

I don't know what else to think. I hope it's fixed, but doubt it, and I'm uneasy about why it doesn't start sometimes. I'll try again in the morning.
That's all I have for now, any other thoughts?

And is it possible for me to download a vehicle manual for my van? I started to follow some of the links for auto manuals but got worried they may be scams. Do you know of a trustworthy site where I could find a comprehensive manual? Even if I have to pay for it.

Thanks,
Stuart
Was this
answer
helpful?
Yes
No
Thursday, March 30th, 2023 AT 3:37 PM
Tiny
JACOBANDNICKOLAS
  • MECHANIC
  • 110,194 POSTS
Hi,

You may have a starter that is bad. If this happens again, at the starter you will see a heavy gauge wire from the battery. There will be a smaller one as well. Have a helper turn the ley to the start position while you check for voltage at the smaller wire. If you do have power, I would replace the starter motor.

Let me know.

Take care,

Joe

PS: As far as the sites with PDF manuals, I'm not sure which would be best. I can't imagine they are there to cause computer issues.
Was this
answer
helpful?
Yes
No
Thursday, March 30th, 2023 AT 7:17 PM
Tiny
STUARTK
  • MEMBER
  • 8 POSTS
Thanks for the guidance.
I've been testing the starter every day and so far it cranks (5 times) and starts. I'll keep testing it until it fails and I can try your test, or I decide it is reliable.
Stuart
Was this
answer
helpful?
Yes
No
Thursday, April 6th, 2023 AT 11:21 AM
Tiny
JACOBANDNICKOLAS
  • MECHANIC
  • 110,194 POSTS
Hi,

Thanks for the update. It is like anything else. When you want someone to hear a problem is when the problem mysteriously disappears. LOL It never fails.

Regardless, let me know what you find.

Take care,

joe
Was this
answer
helpful?
Yes
No
Thursday, April 6th, 2023 AT 10:23 PM
Tiny
STUARTK
  • MEMBER
  • 8 POSTS
Joe,

Well, after more than a week of starting the van each day, (up to 10 times a day) I decided to take the van to the beach, and then to dinner last night. A test to see if automobiles can repair themselves.

At home the van started fine, and we drove 45 minutes to the beach. The van was parked for 4 hours at the beach, then we drove (without problem) for about 15-20 minutes to a restaurant. After an hour and a half at the restaurant, we started the van again to go home. After about 7 minutes, while at a stop light, the van shut off and wouldn't start. (I was angry) after we regained our composure, we coasted backward down the hill and parked along the curb and waited for a tow. After about 30 minutes of waiting, I tried to start the engine and it started, but it died within a few seconds. I tried it again and it started and died within a few seconds. After that we decided to just wait for the tow truck. My wife wasn't going to go down the highway in the van even if it did start. (She had a good point)

I'll keep poking and digging around with the van and the starter again, but probably end up taking it to a shop. But I thought I'd check with you first to see if you had any other ideas.
The starting and shutting off was new. And it did start again after about 30 minutes, although it kept dying.

I hope you get a flash of inspiration about this van problem!

Thganks,

Stuart
Was this
answer
helpful?
Yes
No
Thursday, April 13th, 2023 AT 1:40 PM
Tiny
JACOBANDNICKOLAS
  • MECHANIC
  • 110,194 POSTS
Stuart,

That isn't good news. The issue could be several things. If it starts and then stalls, it could be fuel-related, ignition related, it could be the ECM or ignition switch itself.

A failing crankshaft position sensor can cause stalling and failure to restart until it cools off. Also, we may not be getting the fuel pressure we need.

Take a look through this link and let me know if you feel anything mirrors what you have experienced:

https://www.2carpros.com/articles/symptoms-of-a-bad-crankshaft-sensor

Also, by chance could you have the can-bus scanned to see if there are codes stored in modules other than the PCM? This issue doesn't seem at all related to the starter.

CAN stands for controller area network. Basically, the different modules are tied together via a few wires. As a result, they can communicate with each other. This type of scan will retrieve codes regardless of the module storing them.

Here is a link explaining how it is done:

https://www.2carpros.com/articles/can-scan-controller-area-network-easy

If I had the vehicle in front of me, the scan is what I would do first.

Let me know your thoughts and ideas.

Take care,

Joe

Was this
answer
helpful?
Yes
No
Thursday, April 13th, 2023 AT 6:09 PM
Tiny
STUARTK
  • MEMBER
  • 8 POSTS
Joe,

After shutting off at the stop light 2 weeks ago, I've been avoiding the van for a while, but tried to start it about 10 times since it was towed home. And nothing, the cluster lights go on, but no click, no crank when turning the key to the start position. Pretty much silence. Same in Park and Neutral.

Yesterday I thought I'd check the fuses to make sure it's not something minor before I take it to the dealer, and although I've done it before I swapped the crank relay with the fuel pump relay (they are identical, see the attached photo) and the van started, first time no hesitation. Then I switched them back and the van started again.

Something changed and the only thing I did besides removing the cover off the fuse panel was I swap the relays. Maybe there was a back contact, but the relay socket feels firm. And I tested the start relay with a 12 vdc battery and continuity tester and it closed 200 times, w/o fail. Nothing obvious, except the van starts now.

I installed a new starter relay, and everything runs great. But I still don't know why the van died at a red light, here's what happened at the red light:
1. When I pushed the accelerator to make the left turn after stopping, it died.
2. The van wouldn't start again. No click no crank. I tried at least 20 times.
3. After about 30 minutes on the side of the road, the van started, but died as soon as I tried to accelerate away from the curb. It happened again about 10 minutes later.
4. By then we lost confidence in the van and waited for the tow truck.
5. Towed (carried) the van home and it's been sitting in the driveway ever since, and I put a battery maintainer on it so the battery stays good.

If the starter relay was the reason the starter didn't crank, what caused the engine to shut off?

Yesterday after the van started and ran for 30 minutes, I took it around the neighborhood for another 15 minutes and parked for 15 minutes. Then I started the van and drove home.

I'm glad it starts but don't trust it yet. It started this morning several times and ran smoothly. And I'll keep starting it and driving it locally until we come up with a solution or end up at the dealership.

Now what do you think?

Thanks,
Stuart
Was this
answer
helpful?
Yes
No
Wednesday, April 26th, 2023 AT 12:03 PM
Tiny
JACOBANDNICKOLAS
  • MECHANIC
  • 110,194 POSTS
Hi,

Based on what was done, it has to be either a failing relay or a poor connection. It may not be a bad idea to replace both relays. If the pump relay is failing, that could explain the stalling. This is one of those simple problems that will drive you crazy. LOL

Let me know your thoughts about replacing the relays.

Joe
Was this
answer
helpful?
Yes
No
Wednesday, April 26th, 2023 AT 8:09 PM
Tiny
STUARTK
  • MEMBER
  • 8 POSTS
Joe,

Both relays looked fine, and in the end, I had the chevy dealer look at it. They said it was a bad engine control module and it cost $1,100, but I know that was beyond what I wanted to mess with and a couple of weeks of use and no starting issues.

I know we didn't solve the problem, but I'm glad I tried troubleshooting it myself. I learned about you guys and know more about the vans electrical system, so thanks for working with me on it.

And while I was working on the starter problem, I noticed the parking brake didn't do much. In neutral the van would roll down my driveway (just a regular driveway). I looked for a cable adjustment on the emergency brake cable, but couldn't find any adjuster. Then I saw a video about an star wheel adjuster inside the rear wheel assembly. I can't believe chevy doesn't have a emergency brake adjuster that can be adjusted without taking off the wheel and brake calipers. Am I understanding this correctly? Is there a simple way to adjust the emergency brake on the 2014 chevy 1500 express awd van?

Thanks again,
Stuart
Was this
answer
helpful?
Yes
No
Wednesday, May 17th, 2023 AT 4:13 PM
Tiny
JACOBANDNICKOLAS
  • MECHANIC
  • 110,194 POSTS
Hi,

I'm glad you got it taken care of. Chances are the PCM wasn't providing a ground path to complete a circuit.

As far as the brakes, I have a favor to ask. Could you start a new thread with that question? We try to keep the posts specific to one type of vehicle and problem. That way, it is more helpful to others. I hope you understand. Here is the link to start a new thread. Also, let us know if it has rear disc brakes or drum brakes.

https://www.2carpros.com/questions/new

Again, I hope you understand.

Take care of yourself and I'll watch for your new post.

Joe
Was this
answer
helpful?
Yes
No
Thursday, May 18th, 2023 AT 7:59 PM

Please login or register to post a reply.