HOME
ASK A QUESTION
REPAIR GUIDES
BECOME A MEMBER
LOG IN
Login with Facebook
OR
Remember me
NOT A MEMBER?
FORGOT PASSWORD?
CONTACT US
PRIVACY POLICY
TERMS AND CONDITIONS
☰
Home
Oldsmobile
Silhouette
Engine
Starter
Wiring
Starter wiring harness
DEANNA GLOTH
MEMBER
2001 OLDSMOBILE SILHOUETTE
230,000 MILES
Problems with reminder where wires go?
Saturday, March 18th, 2017 AT 5:36 PM
1 Reply
KEN L
MASTER CERTIFIED MECHANIC
55,266 POSTS
Hello,
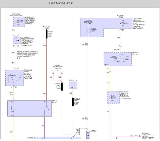
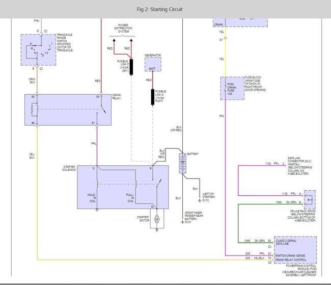
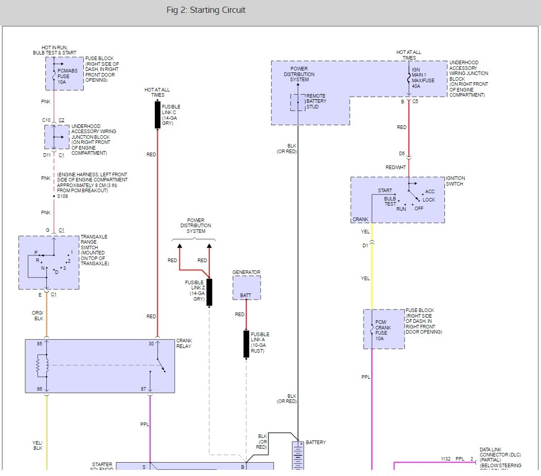
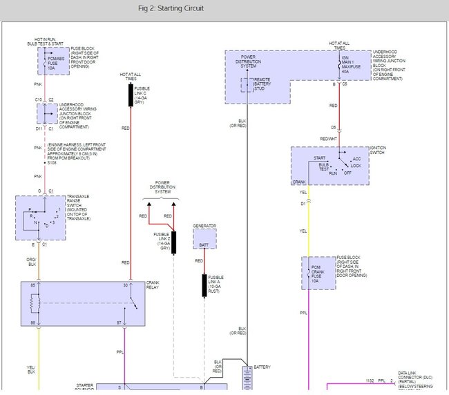
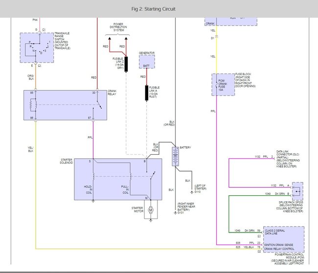
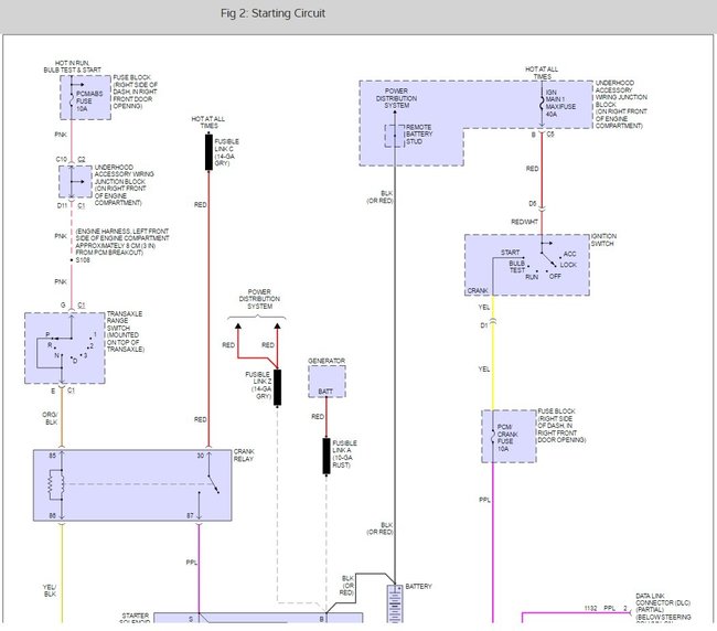
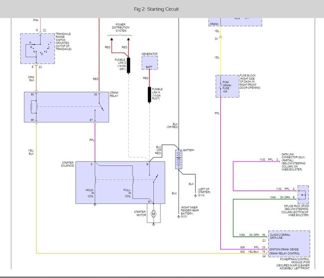
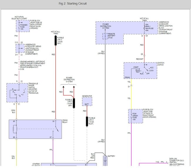
The big eyelet wires go to the large lug while the small eyelet goes to the small terminal next to the block, here is a wiring diagram and a guide to help you get the problem fixed.
https://www.2carpros.com/articles/how-to-replace-a-starter-motor
Please let me know if you need anything else to get the problem fixed.
Best, Ken
Images (Click to make bigger)
Was this
answer
helpful?
Yes
No
Wednesday, March 22nd, 2017 AT 4:13 PM
Please
login
or
register
to post a reply.
Related Starter Wiring Content
Where Is My Starter.
I'm Looking For The Starter On My Van. I Don't Know What I'm Looking For Can Anyone Help Me. Pictures Would Be Great Too.
Asked by
stephengustus
·
2 ANSWERS
1 IMAGE
2001
OLDSMOBILE SILHOUETTE
2001 Oldsmobile Silhouette Cam Drive
Hi, I'm Just Looking Over My Son's Van, And Although I Have Some Experience, I Know Very Little About This Product. On First Glimpse Of...
Asked by
UK Texan
·
1 ANSWER
2001
OLDSMOBILE SILHOUETTE
2001 Oldsmobile Silhouette Sensors
2001 Oldsmobile Silhouette Front Wheel Drive Automatic 104000 Miles Does The Throttle Postion Sensor Affect The O2 Sensor?
Asked by
mistaken29
·
1 ANSWER
2001
OLDSMOBILE SILHOUETTE
2000 Oldsmobile Silhouette Harmonic Balancer Out Of...
My Van Has Broken 2 Belts Today, After The Second Belt, I Started Looking For Why. It Looks Like The Crankshaft Pully / Harmonic Balancer...
Asked by
jcjepickett
·
1 ANSWER
2000
OLDSMOBILE SILHOUETTE
1998 Oldsmobile Silhouette Harmonic Balancers
Can A Bad Harmonic Balancer Cause A Car To Overheat.
Asked by
RLBL90
·
1 ANSWER
1998
OLDSMOBILE SILHOUETTE
VIEW MORE
Ask a Car Question. It's Free!
Starter Motor Replacement
Starter Replacement
Starter Motor Replacement