Sunday, November 28th, 2021 AT 2:31 AM
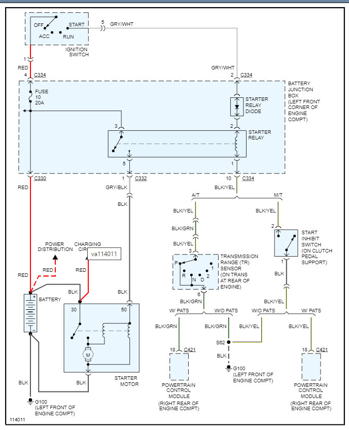
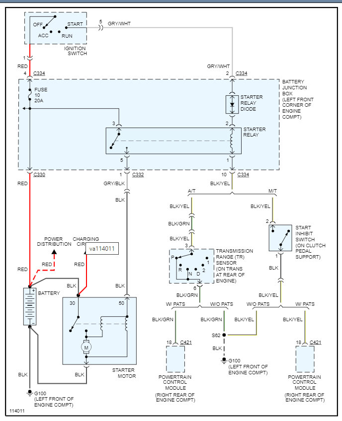
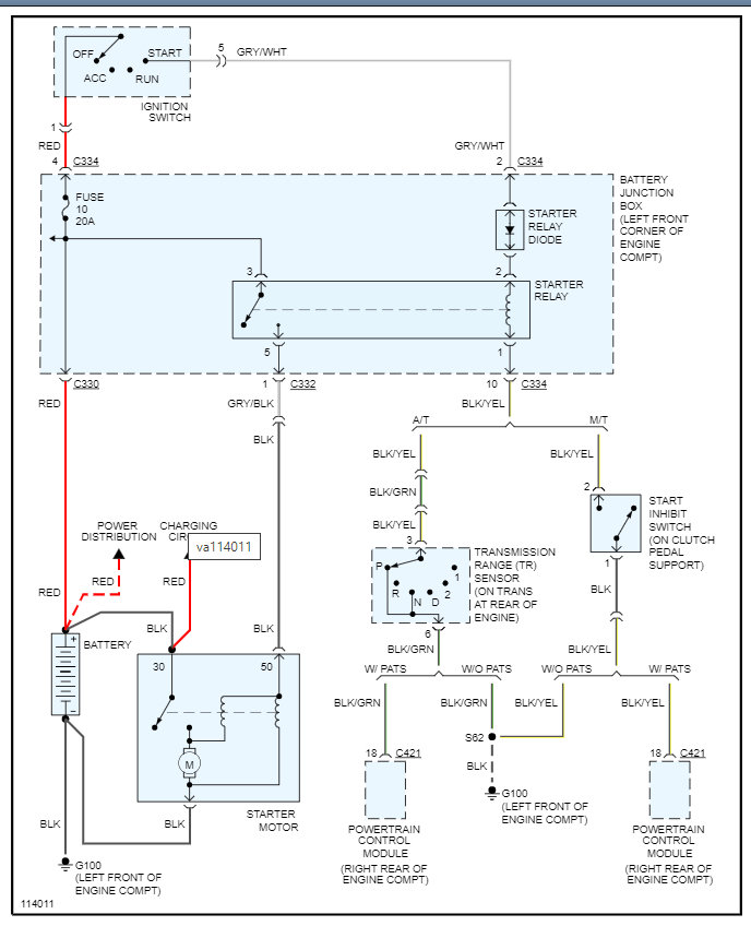
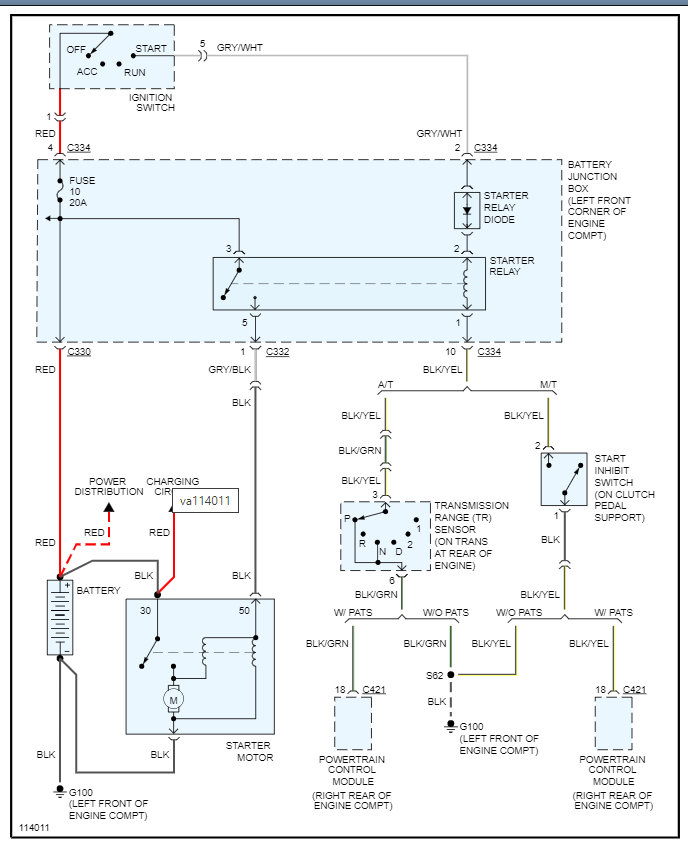
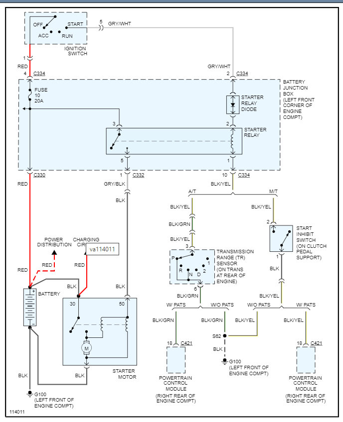
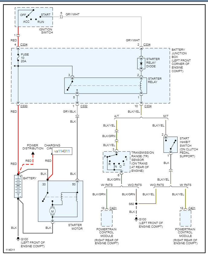
So, my car just got a new starter installed and when I turn the key all I got was a single click. Occasionally I’d get a grind or screech but after installing I get nothing. It seemed like it wanted to start when I put a wire where relay goes in the fuse box. But no luck. Battery is few months old. Alternator is new. I’m starting to wonder if I wired the darn thing correctly. Is there some sort of starter mega fuse on the car I’m missing? Any information helps. Thanks









