Wednesday, April 24th, 2024 AT 12:37 PM
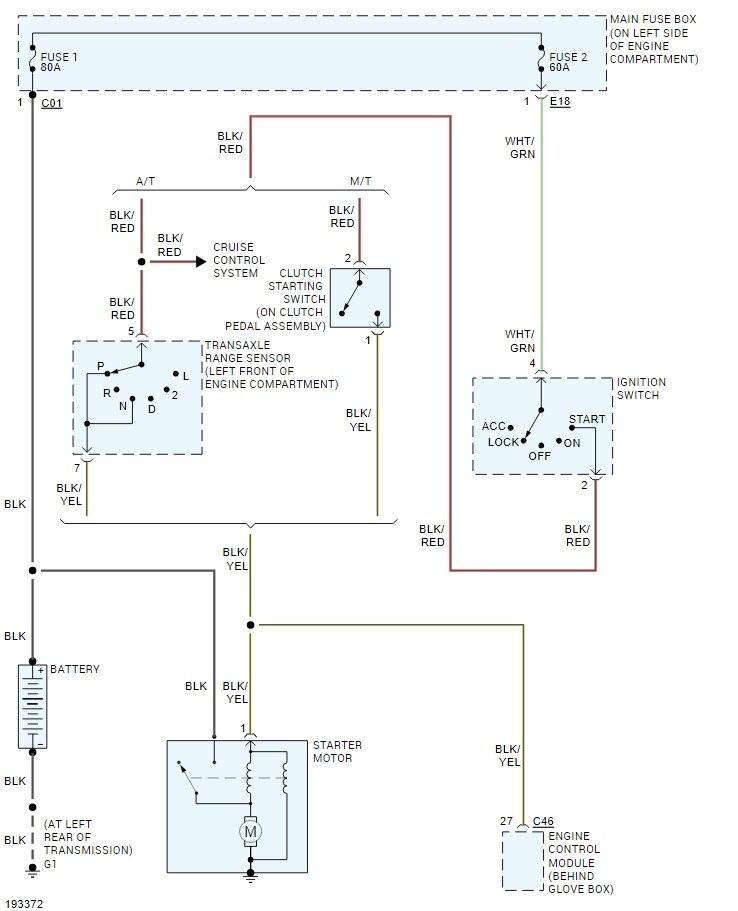
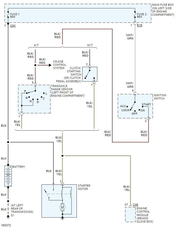
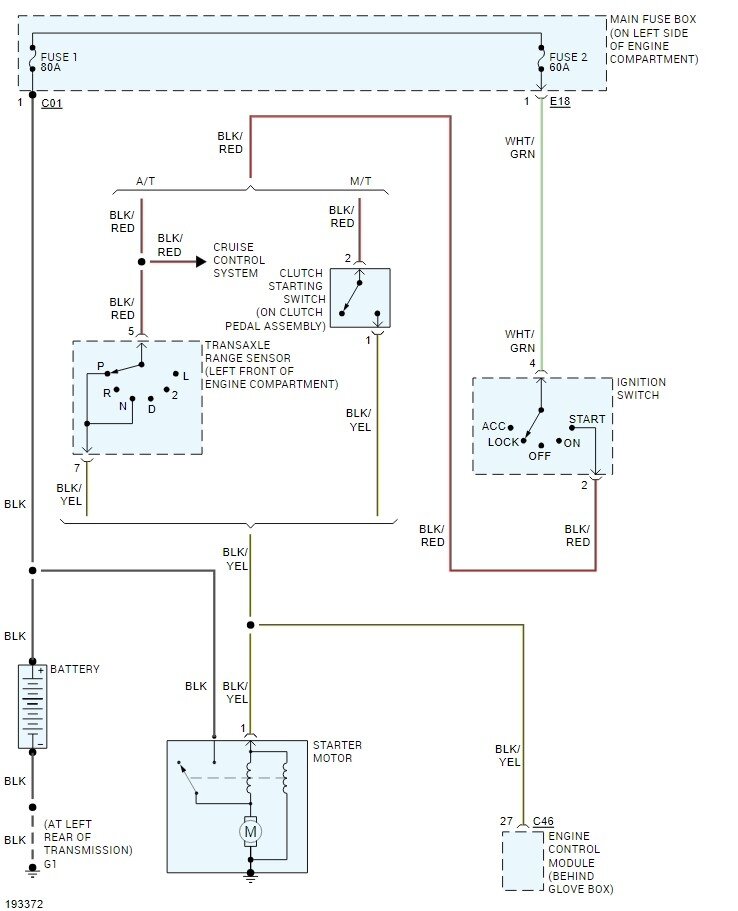
I'd like to find a diagram of where the starter is located and if there is a way that I can start the car with a screwdriver on the solenoid. Also how to replace it on my car. I'm stranded.


