Starter relay wiring diagram needed?

Tiny
TWI5T3D
  • MEMBER
  • 2004 PONTIAC GRAND AM
  • 3.8L
  • V6
  • 2WD
  • AUTOMATIC
  • 200,000 MILES
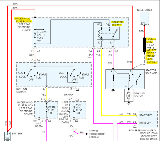
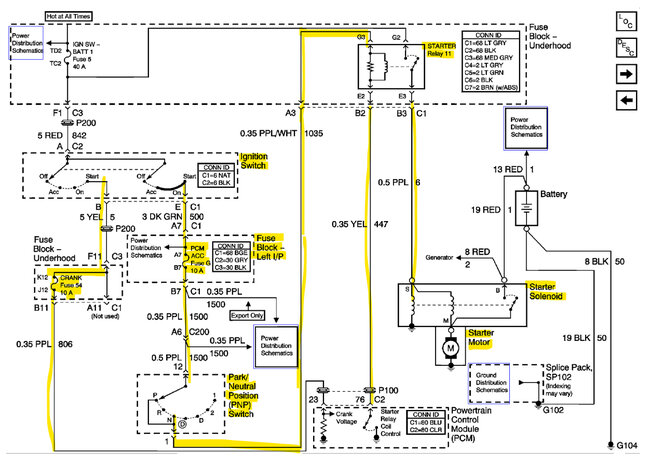
Try to start the car. It cranks once and shuts off. Did all the testing. Now I am searching for a wiring diagram that describe and show which wires run to where on the vehicle and which of the 4 prongs they connect to in back of fuse box for the starter relay.
Wednesday, April 12th, 2023 AT 1:18 AM

1 Reply

Tiny
AL514
  • MECHANIC
  • 5,584 POSTS
Hello, is there a sub-model to this vehicle? We have listed SE and non-SE in the wiring diagrams for the starter circuits. They only differ a little but want to make sure you get the correct diagram.
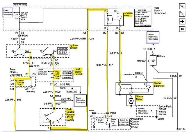
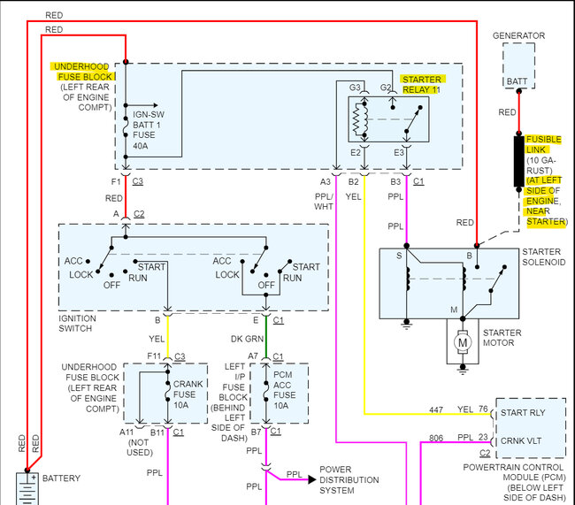
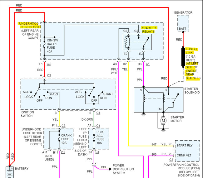
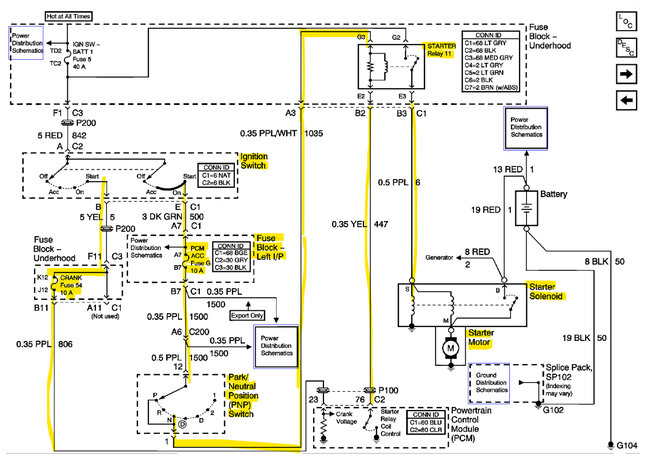
I'm not sure why they list this SE, the OEM starter wiring diagram is exactly the same as the other. But below, the 1st is the top and 2nd is the bottom of the Starter Circuit, and the 3rd diagram is the OEM manufacture diagram. That sounds like a unique issue you're having. Are you losing 12volts on one of the wires down at the Starter? I assume the purple wire. Be very careful if you're thinking about jumping out the relay contacts, you can damage the PCM driver if you jump the wrong ones out. What exactly is happening, cranking over for how long before it stops? And does your battery have side terminals? There are quite a few technical service bulletins on the battery and starting circuit issues for this year.

https://www.2carpros.com/articles/how-to-use-a-voltmeter
Was this
answer
helpful?
Yes
No
-1
Wednesday, April 12th, 2023 AT 11:06 AM

Please login or register to post a reply.