Starter relay problems

Tiny
AWINSTEAD854
  • MEMBER
  • 1997 BUICK CENTURY
  • 3.1L
  • V6
  • AUTOMATIC
  • 200,000 MILES
How can I tell if it's the starter or the relay that needs to be replaced if my car won't start. It's not the battery. Lights lights come on on the dashboard but the engine won't turn over when we try to crank it.
Friday, April 30th, 2021 AT 4:31 AM

1 Reply

Tiny
JACOBANDNICKOLAS
  • MECHANIC
  • 110,194 POSTS
Hi,

There are two things we can try. First, you can check the relay itself. You can simply switch it with a different relay in the box that has the same part number or here is a link that shows how it is checked:

https://www.2carpros.com/articles/how-to-check-an-electrical-relay-and-wiring-control-circuit

Or, at the starter, you will see a heavy gauge wire which has 12v at all times straight from the battery. There is also a smaller wire which attaches to the S solenoid and is a much smaller gauge wire. That wire only gets 12v when the key is in the start position. So, if it is getting power (you'll need a helper to check), the starter is bad.

Here is a link that explains how to test the starter itself:

https://www.2carpros.com/articles/starter-not-working-repair

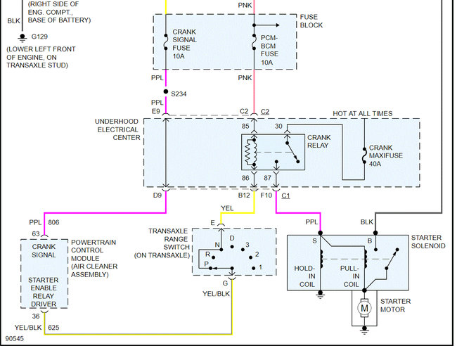
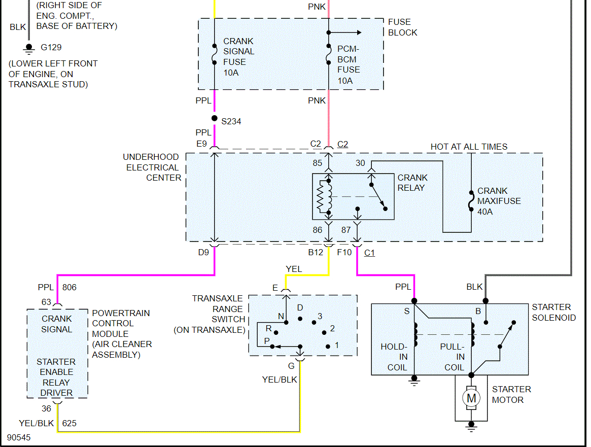
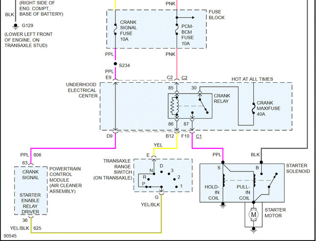
I attached the entire wiring schematic below for the starting system. At the starter, the wire to check is purple.

Two more things. Make sure the fuses are good and just for the heck of it, see if it starts in neutral. The park/neutral switch may be bad.

Let me know.

Joe

See pics below.
Was this
answer
helpful?
Yes
No
+1
Friday, April 30th, 2021 AT 10:04 PM

Please login or register to post a reply.