Monday, January 29th, 2024 AT 8:53 AM
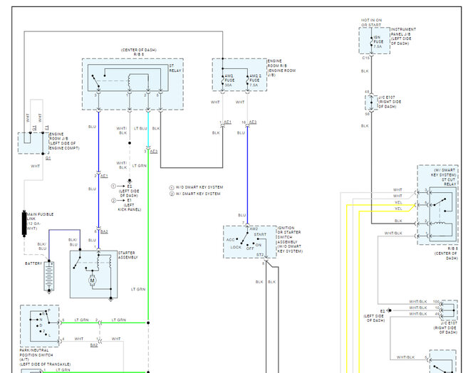
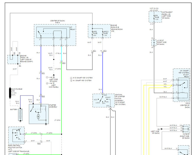
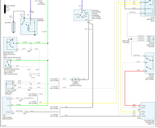
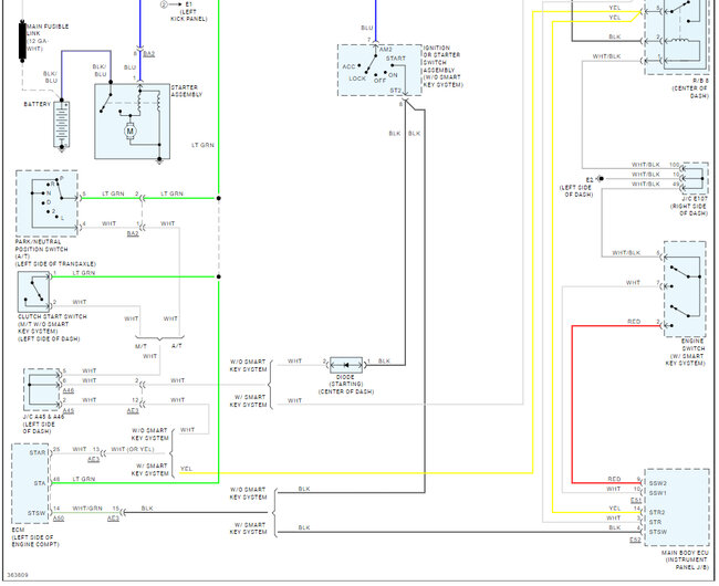
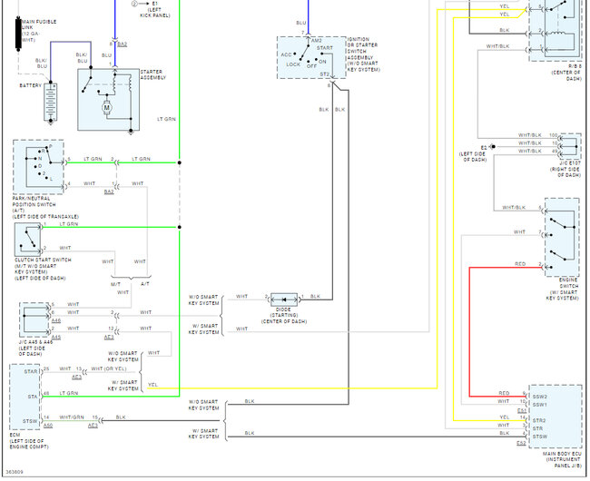
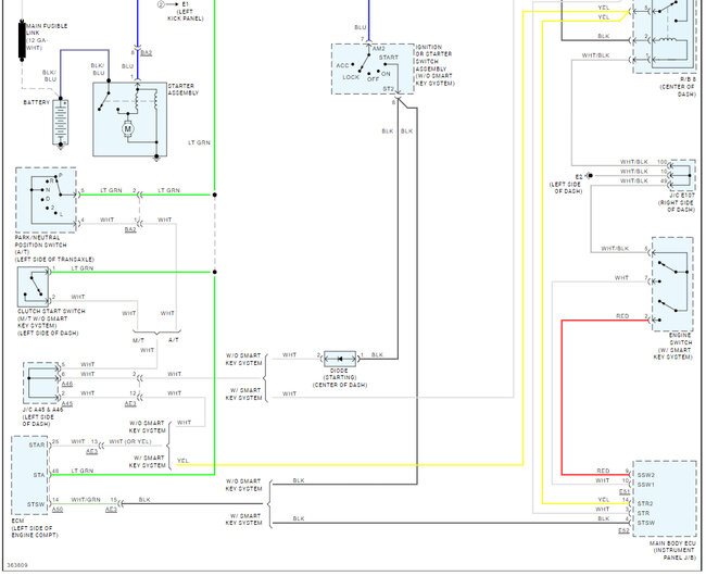
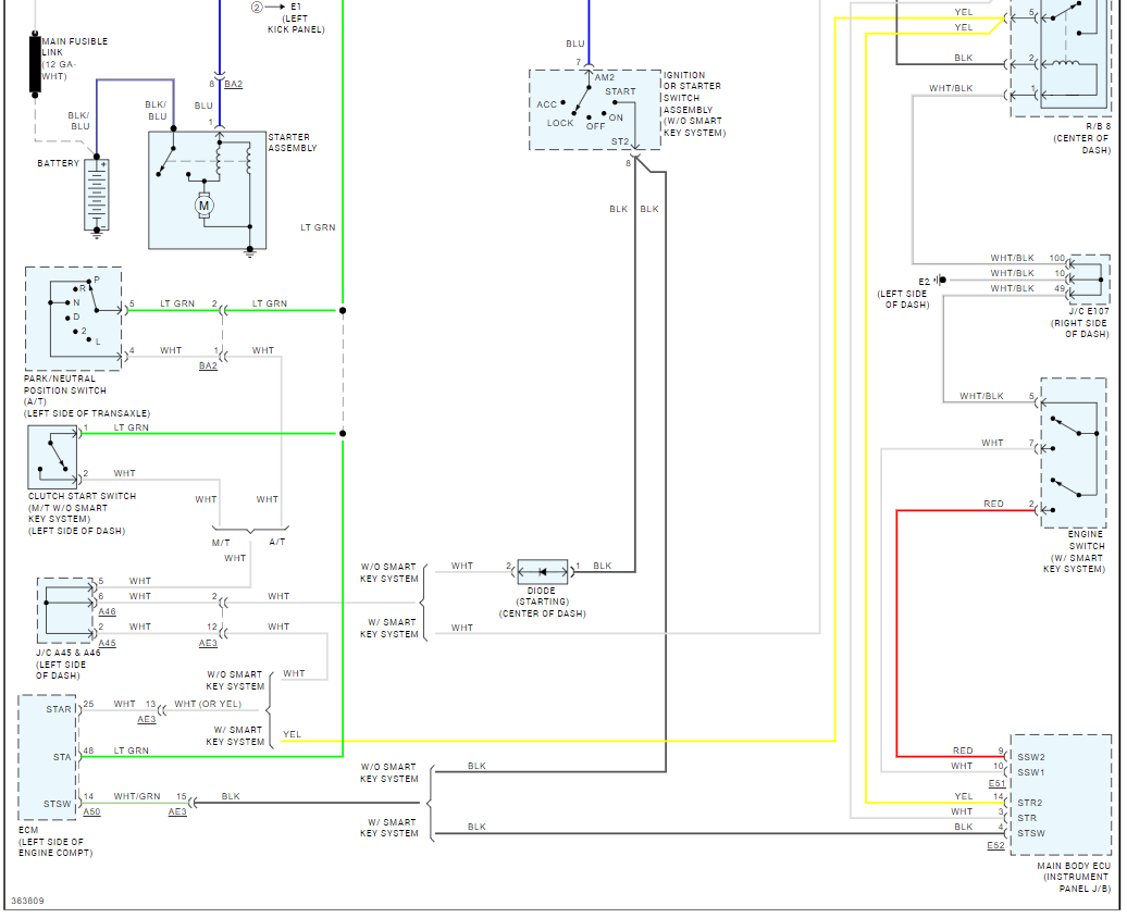
Replacing starter relay on my car listed above. After 12 years, 220,000 miles, the starter turns over without engaging, then suddenly engages and remains to run with the engine running. This problem isn't constantly occurring. But I want to take care of it before I get stuck out in no-where. Everyplace I look online, it shows it in a different location. And a toss-up between two different relays with different fittings. Where do I find this relay located? And what number relay do I need?






