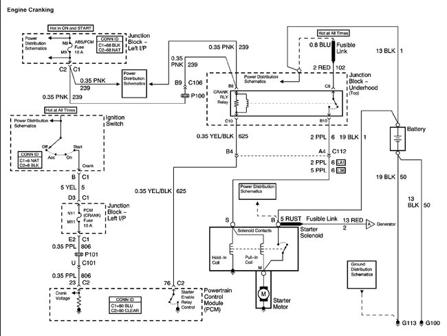
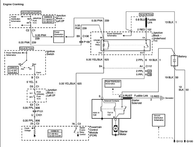
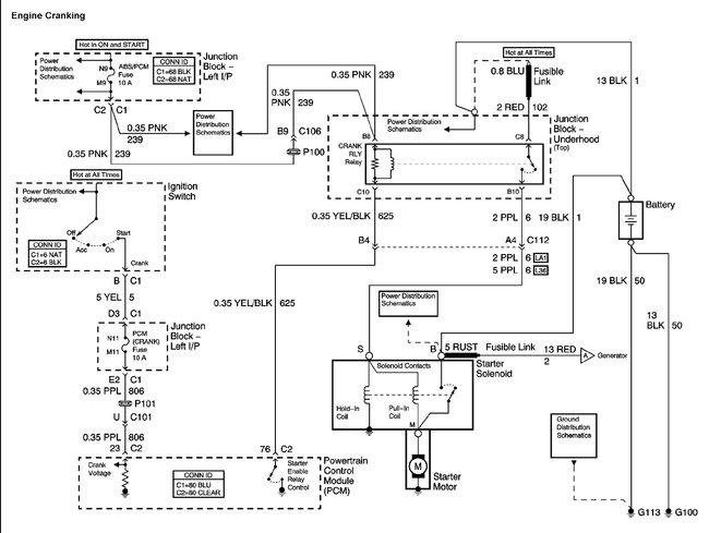
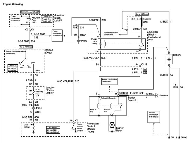
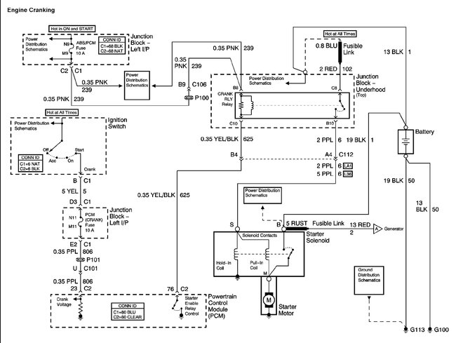
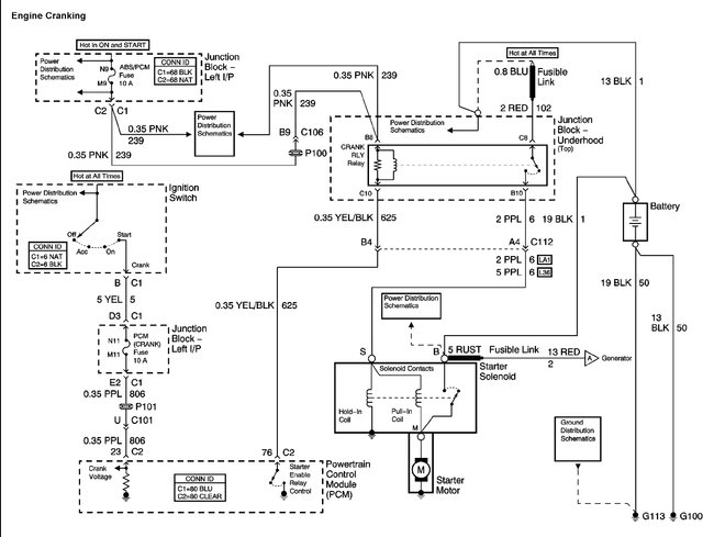
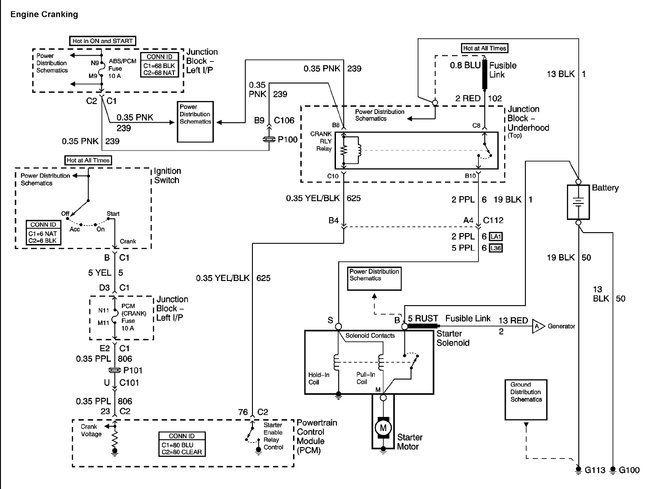
Starter relay

Tiny
BEVERLY MAYNARD
  • MEMBER
  • 2005 CHEVROLET IMPALA
  • 3.4L
  • 6 CYL
  • 2WD
  • AUTOMATIC
  • 121,000 MILES
Has no power on one side of relay.
Saturday, July 8th, 2017 AT 8:55 AM

6 Replies

Tiny
STEVE W.
  • MECHANIC
  • 15,671 POSTS
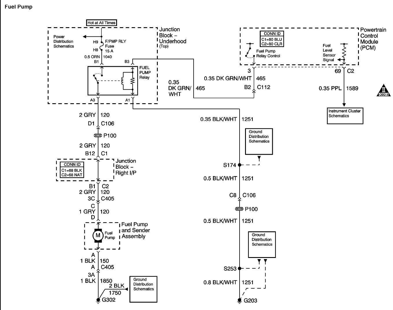
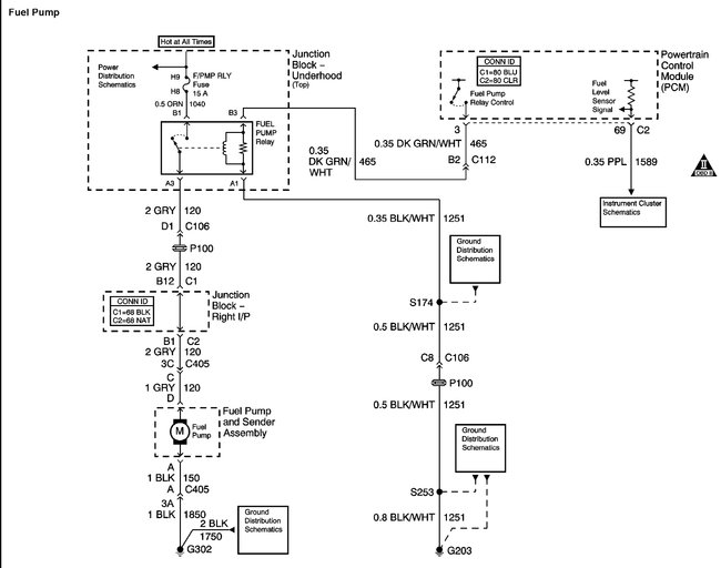
Looks like you should have power at the contact side of the relay full time and at the control side with the key on or in start. Which are you missing? If it is the control side I would double check the ABS fuse. Then make sure the actual contacts in the relay socket are okay. Have seen many cases of the wires breaking off under the fuse panel under the hood.
Was this
answer
helpful?
Yes
No
Sunday, July 9th, 2017 AT 11:51 AM
Tiny
BEVERLY MAYNARD
  • MEMBER
  • 31 POSTS
I tested fusees I check the relays that;s I when I saw that the only has fire on one side I jumped wired off of another fuse and I got a hissing sound on the fuel reg. I took off the fuel reg and got fuel good but still hard to start. Thank you, Benjamin Maynard
Was this
answer
helpful?
Yes
No
Sunday, July 9th, 2017 AT 2:16 PM
Tiny
STEVE W.
  • MECHANIC
  • 15,671 POSTS
What is the original problem? Hard to start? Long crank time?
Was this
answer
helpful?
Yes
No
Sunday, July 9th, 2017 AT 3:47 PM
Tiny
BEVERLY MAYNARD
  • MEMBER
  • 31 POSTS
It would not start with out using starting fluid I put new pump filter EGR valve pressure reg oxygen sensor I am running out of cash. Benjamin
Was this
answer
helpful?
Yes
No
Monday, July 10th, 2017 AT 11:50 AM
Tiny
BEVERLY MAYNARD
  • MEMBER
  • 31 POSTS
It would not start with out using starting fluid I put new pump filter egr valve pressure reg oxy sensor im running out of cash [BENJAMIN]
Was this
answer
helpful?
Yes
No
Monday, July 10th, 2017 AT 11:50 AM
Tiny
STEVE W.
  • MECHANIC
  • 15,671 POSTS
So you could shoot starting fluid in and it starts and runs fine? No CEL or misfires?

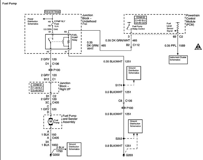
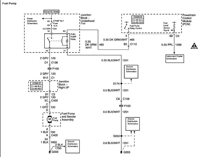
That sounds like the fuel pump isn't being turned on to prime the system, or a bad pump/regulator. You replaced the pump and pressure regulator so they should be OK.

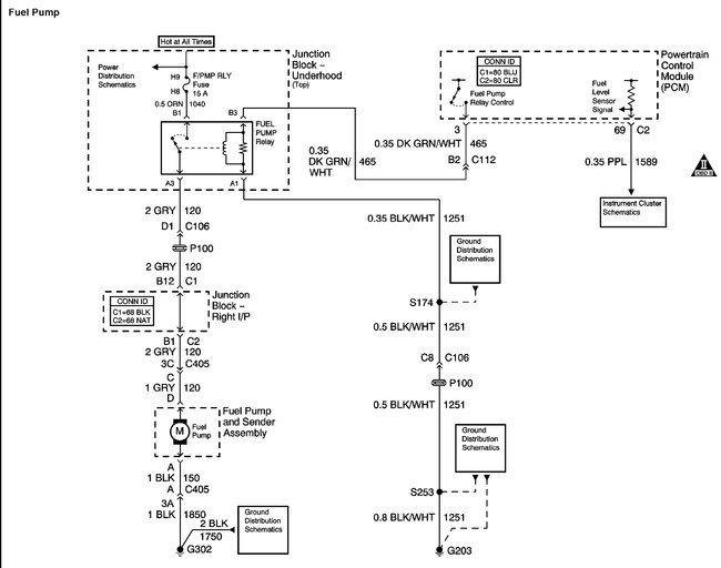
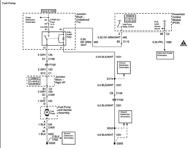
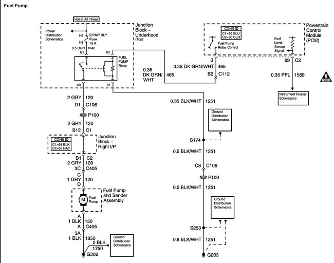
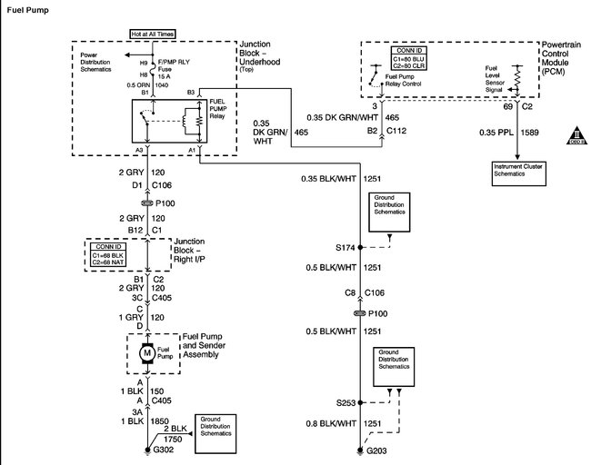
Can you hear the pump come on for a couple seconds when you turn the switch to the ON position? If you put a fuel pressure gauge on it the gauge should jump up to pressure and stay there, if it doesn't and bleeds down fast it may be the check valve in the pump is bad. If it doesn't turn on at all then pull the relay and test for a 2-3 second power pulse on the Dark Green/White wire. If you don't see that power on signal then you will need a scan tool to test the PCM.

If the pump doesn't come on when you turn the key to ON but the dash lights and the rest all work I would suspect a bad PCM. The pump relay timer circuit may have fried.
I say that because the PCM uses a couple of inputs to tell it the engine is OK and it can supply fuel.

The initial prime brings the fuel pressure up so that the first cranking event should start the engine. The PCM looks at fuel level, crank, and cam signals as the engine first starts to turn, that tells it when to fire the injectors and ignition (Those are working or it wouldn't run on starter fluid). As it turns it looks at cranking rpm from the ignition module and oil pressure. If it registers both of those it fires the correct injectors and plugs in the firing order. It looks at the rpm signal at that point, if it starts to rise due to the engine starting it turns on the fuel pump through the relay. If it still sees oil pressure it continues to provide the fuel pump relay power to turn it on.
Was this
answer
helpful?
Yes
No
Monday, July 10th, 2017 AT 2:16 PM

Please login or register to post a reply.