Starter Relay exact location?

Tiny
ERIN E. VEST
  • MEMBER
  • 1995 NISSAN TRUCK
  • 4 CYL
  • 2WD
  • AUTOMATIC
  • 215,000 MILES
Where is the exact location of the starter relay on the truck listed above XE short bed? Is it labeled inhibitor relay? How to release the stubborn clip for removal and replacement?
Sunday, February 2nd, 2025 AT 2:29 PM

18 Replies

Tiny
STEVE W.
  • MECHANIC
  • 15,671 POSTS
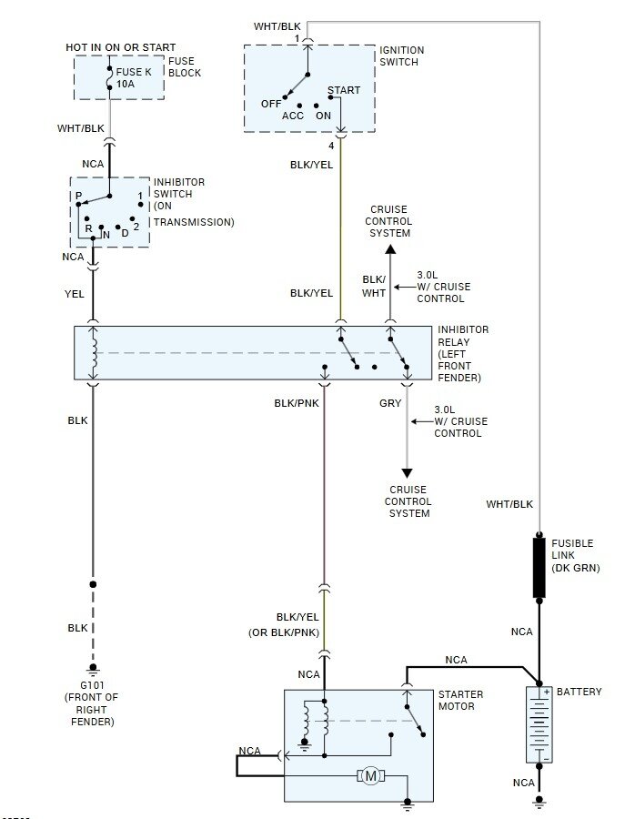
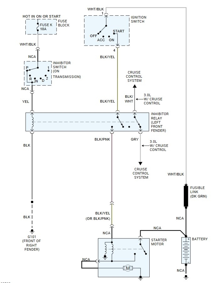
Yes it is the inhibitor relay located on the left fender apron. That age of plastic you will want to be careful with the clips, they can fail easily. I'm guessing you already tested the switch and the park neutral switch? Or are you removing the relay to test there?
Was this
answer
helpful?
Yes
No
Monday, February 3rd, 2025 AT 4:42 PM
Tiny
ERIN E. VEST
  • MEMBER
  • 9 POSTS
The relay switch box is on the passenger side fender well. The lettering on the cover is faded so I need to know the exact location of the inhibitor relay and exactly how the clip is to be released. I'm not testing anything because I know this is what needs replaced.
Was this
answer
helpful?
Yes
No
Monday, February 3rd, 2025 AT 4:58 PM
Tiny
STEVE W.
  • MECHANIC
  • 15,671 POSTS
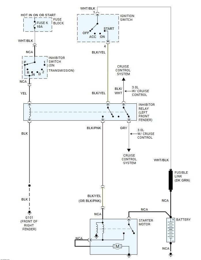
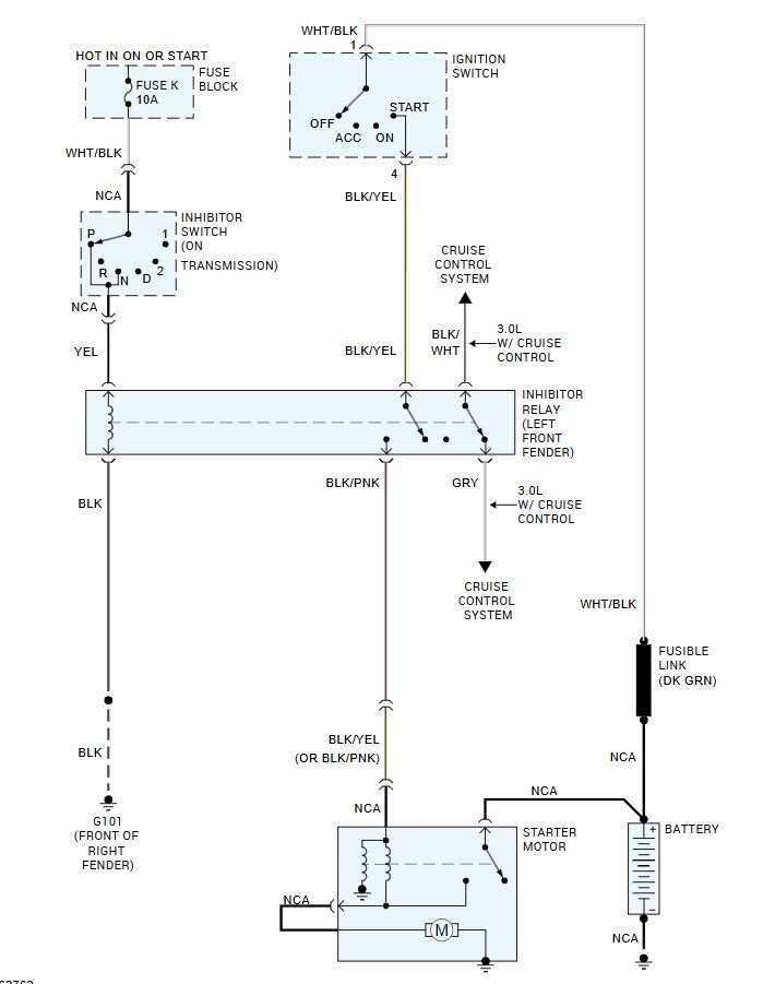
The inhibitor relay should be on the left fender if this is a US truck. There are a bunch of relays on the opposite side, but the starter relay is on the left side tucked into the bracket as shown in image 2.
Was this
answer
helpful?
Yes
No
+1
Tuesday, February 4th, 2025 AT 10:29 AM
Tiny
KEN L
  • MASTER CERTIFIED MECHANIC
  • 55,281 POSTS
It is on the right side. These diagrams are not correct for my truck.
Was this
answer
helpful?
Yes
No
Tuesday, February 4th, 2025 AT 11:15 AM
Tiny
KEN L
  • MASTER CERTIFIED MECHANIC
  • 55,281 POSTS
Can you give us the VIN# so we can make sure?
Was this
answer
helpful?
Yes
No
Tuesday, February 4th, 2025 AT 11:16 AM
Tiny
ERIN E. VEST
  • MEMBER
  • 9 POSTS
VIN#
Was this
answer
helpful?
Yes
No
Tuesday, February 4th, 2025 AT 11:32 AM
Tiny
STEVE W.
  • MECHANIC
  • 15,671 POSTS
As Ken says, give us the VIN and we can see if there is some different service information on your truck. Service information from Nissan for 1993-1996 shows it the same way as indicated for the US delivered XE and Hardbody trucks. There is a starter interlock relay on the right side but that in on the manual transmission trucks, not an automatic as you indicated.
Was this
answer
helpful?
Yes
No
Tuesday, February 4th, 2025 AT 11:41 AM
Tiny
ERIN E. VEST
  • MEMBER
  • 9 POSTS
This attachment is the VIN#
Was this
answer
helpful?
Yes
No
Tuesday, February 4th, 2025 AT 11:42 AM
Tiny
ERIN E. VEST
  • MEMBER
  • 9 POSTS
1N6SD11S2SC467132 is the VIN#
Was this
answer
helpful?
Yes
No
Tuesday, February 4th, 2025 AT 1:10 PM
Tiny
ERIN E. VEST
  • MEMBER
  • 9 POSTS
On further inspection the image 2 provided by Steve W. Seems correct after all. Thanks for your help.
Was this
answer
helpful?
Yes
No
Tuesday, February 4th, 2025 AT 4:37 PM
Tiny
STEVE W.
  • MECHANIC
  • 15,671 POSTS
Yep got it. Thank you. Looking at a factory manual for that VIN shows the location of the starter inhibit relay in the same place as I already posted on the left side of the engine bay if it's an automatic, which the VIN shows it was built as from the factory. The online Nissan info system goes back to 1996 and looking at the 96 D21 it shows the same relay location as well in 1996. I'm not sure what relay you are looking at unless someone modified the factory harness on the truck to relocate the inhibit relay as all of the OE info shows it on the left fender.
There is a neutral position relay on the other side, but it doesn't control the starter. It only tells the ECU itself if the inhibitor switch (gear position switch) is in park or neutral as part of the emissions system. It has a light blue wire and a yellow wire as well as two ground wires in black. Is that the relay you are looking at?
Was this
answer
helpful?
Yes
No
Tuesday, February 4th, 2025 AT 5:13 PM
Tiny
STEVE W.
  • MECHANIC
  • 15,671 POSTS
Okay, it sounds like you found it. Did changing it solve the problem, or you haven't had a chance to change it yet?
Was this
answer
helpful?
Yes
No
Tuesday, February 4th, 2025 AT 6:07 PM
Tiny
ERIN E. VEST
  • MEMBER
  • 9 POSTS
I'll have to wait until tomorrow to change it in daylight.
Was this
answer
helpful?
Yes
No
Tuesday, February 4th, 2025 AT 6:08 PM
Tiny
STEVE W.
  • MECHANIC
  • 15,671 POSTS
No problem. I know about waiting for daylight is like.
Was this
answer
helpful?
Yes
No
Tuesday, February 4th, 2025 AT 6:27 PM
Tiny
ERIN E. VEST
  • MEMBER
  • 9 POSTS
I have located the inhibitor/starter relay. I can't seem to figure out how to open the clip holding it in place. This attachment, though not the actual starter relay, is a photo of the type clip holding it. How does this thing release?
Was this
answer
helpful?
Yes
No
Wednesday, February 5th, 2025 AT 2:48 PM
Tiny
STEVE W.
  • MECHANIC
  • 15,671 POSTS
Should be a push release. Push in on the lower blue tab and pull up. Because it has been on there since new it may fight a bit. Be careful rocking it though as the connector under it may be brittle.
Was this
answer
helpful?
Yes
No
+1
Wednesday, February 5th, 2025 AT 8:05 PM
Tiny
ERIN E. VEST
  • MEMBER
  • 9 POSTS
  • 1995 NISSAN TRUCK
  • 4 CYL
  • 2WD
  • AUTOMATIC
  • 215,000 MILES
Nothing happens when I turn the ignition. I've replaced the inhibitor relay. Still nothing happens. It has a new battery and all the lights work. Is my problem the starter?
Was this
answer
helpful?
Yes
No
Friday, April 25th, 2025 AT 9:44 AM (Merged)
Tiny
STEVE W.
  • MECHANIC
  • 15,671 POSTS
There are a few things in that circuit that can stop it from starting. A simple way to test the starter circuit would be to pull the inhibit relay. Now use a piece of wire to jumper between the black with yellow wire and the black with pink wire. Turn the key to start. This bypasses all the inhibit items, so if the starter now works you know the issue is somewhere else. If it doesn't then I would check the connections on it. With the relay out you can also use a simple test light to do some tests at the relay socket. Find the terminal with the yellow wire and the one with a black wire. Connect the test light between them. With the transmission in park or neutral and the key on the light should come on. That would tell you the neutral switch circuit is okay.
Was this
answer
helpful?
Yes
No
Friday, April 25th, 2025 AT 4:15 PM

Please login or register to post a reply.