Replaced the starter due to a no start issue, two days later it will not start?

Tiny
TGLENDON2
  • MEMBER
  • 2008 TOYOTA YARIS
  • 140 MILES
The car didn't start so I changed the starter, it worked perfectly and then two days later didn't start anymore. So, I figured I must have got a bad starter at the junkyard, so I changed it again and then same thing it works then two days more it doesn't start anymore. So, my car is ruining starters?
Thursday, February 23rd, 2023 AT 2:30 PM

4 Replies

Tiny
CARADIODOC
  • MECHANIC
  • 34,489 POSTS
What are the symptoms when this happens? Do you have a manual or automatic transmission?

I have a suspicion there's some other intermittent problem. You may need a test light and a helper to turn the ignition switch. If you need it, here's a link to an article on using a test light:

https://www.2carpros.com/articles/how-to-use-a-test-light-circuit-tester

You can find these at Harbor Freight Tools, Walmart, or any hardware store. If you have a voltmeter, that will work too.
Was this
answer
helpful?
Yes
No
Thursday, February 23rd, 2023 AT 3:31 PM
Tiny
CARADIODOC
  • MECHANIC
  • 34,489 POSTS
How are you doing on this? Have you solved it or are you making progress?
Was this
answer
helpful?
Yes
No
Monday, February 27th, 2023 AT 3:53 PM
Tiny
TGLENDON2
  • MEMBER
  • 2 POSTS
Hey, it is an automatic transmission I do have a test light but it is nowhere to be found, I manually checked the ignition and starter fuses by taking them out and they all seem fine.
Was this
answer
helpful?
Yes
No
Tuesday, February 28th, 2023 AT 8:55 AM
Tiny
CARADIODOC
  • MECHANIC
  • 34,489 POSTS
Don't worry about fuses. Unless one has an intermittent connection, (very rare), fuses do not work intermittently. When they fail, they're done for until they're replaced. This is where we need to know the exact symptoms. For many years it was very common for Toyota's starters to make a single, rather loud clunk when the ignition switch is turned to "crank", but it didn't spin the engine. One quick voltage test with a test light or voltmeter will identify if that is caused by a burned contact inside the starter solenoid or if it's due to a problem with the battery cable. Your car uses a newer starter design that doesn't have this history of failures, so for this loud clunk, corroded or loose battery cables are the better suspect. Battery cables often corrode right next to the terminals, under the insulation where you can't see it. To add to the frustration, being disturbed, such as when the starter motor is replaced, can make a good enough connection for it to work again for a few days.

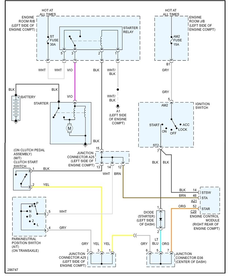
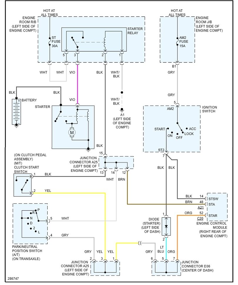
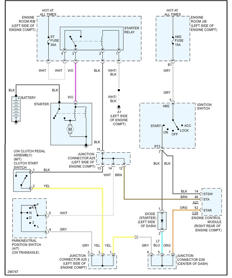
If you do not hear that loud clunk from the starter, the next clue is whether the starter relay clicks when the ignition switch is turned to "crank". Often this can hard to tell due to a number of other relays clicking on and off at the same time. To address this, I can find a drawing of the fuse / relay box with the starter relay pointed out. Place your finger on it to feel if it clicks when a helper turns the ignition switch.

If the starter relay doesn't click, the best suspect with an automatic transmission is the neutral safety switch. This can be tested right at the starter relay's socket.

If the starter relay does click, but there's no noise from the starter, we have to consider a warped starter solenoid housing. That makes it hard for the metal plunger inside to slide freely. That might only happen after the engine is warmed up, and to be misleading, it can often be overcome with a jump-start. The higher voltage makes the electromagnet in the starter solenoid stronger, allowing it to overcome the drag in the warped housing.

We also have to consider causes unrelated to the starter system, especially when you observe repeat failures at predictable times, two days in this case. This is where a battery and charging system test is in order. You can start this test yourself with an inexpensive digital voltmeter. Start by measuring the battery's voltage with the engine not running. If it's good and fully-charged, it will read 12.6 volts. If you find it's around 12.2 volts, it's okay but fully-discharged. It should be charged for a few hours at a slow rate, then rechecked. If you find around 11 volts or less, it has a shorted cell and must be replaced.

Next, measure the battery's voltage again with the engine running. Now it must be between 13.75 and 14.75 volts. If it is below 13.75 volts, the battery will not reach a full charge. This can cause the starter motor to spin too slowly, it can cause a loud ratcheting, or buzzing noise, or it can simply not engage at all. You'll still usually hear the starter relay click.

If this voltage test passes, it only means it is okay to perform the rest of the tests, but that requires a professional load tester. Your mechanic will test for "full-load output current" and "ripple voltage". Both are an indication of the generator's six internal diodes. With one failed diode, ripple voltage will be "high" and all the generator will be able to develop is exactly one third of its rated capacity. The standard generator for your model is an 80-amp unit. With one failed diode, all it will be able to develop is close to 25 amps. That is not enough to meet the demands of the entire electrical system under all conditions. The battery will have to make up the difference as it slowly runs down over days or weeks. The first symptom might be the failure of the starter solenoid to engage and turn on the starter motor.

If it takes a few days for the problem to show up again, the very first thing to do is measure the battery's voltage with the engine off. That will tell us if we really do have a starter system problem or if we need to look at the charging system.

Let me know what you find.
Was this
answer
helpful?
Yes
No
Tuesday, February 28th, 2023 AT 2:22 PM

Please login or register to post a reply.