Wednesday, June 17th, 2020 AT 10:31 AM
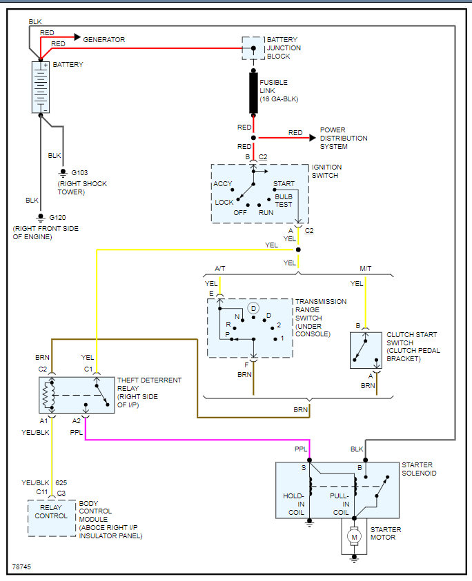
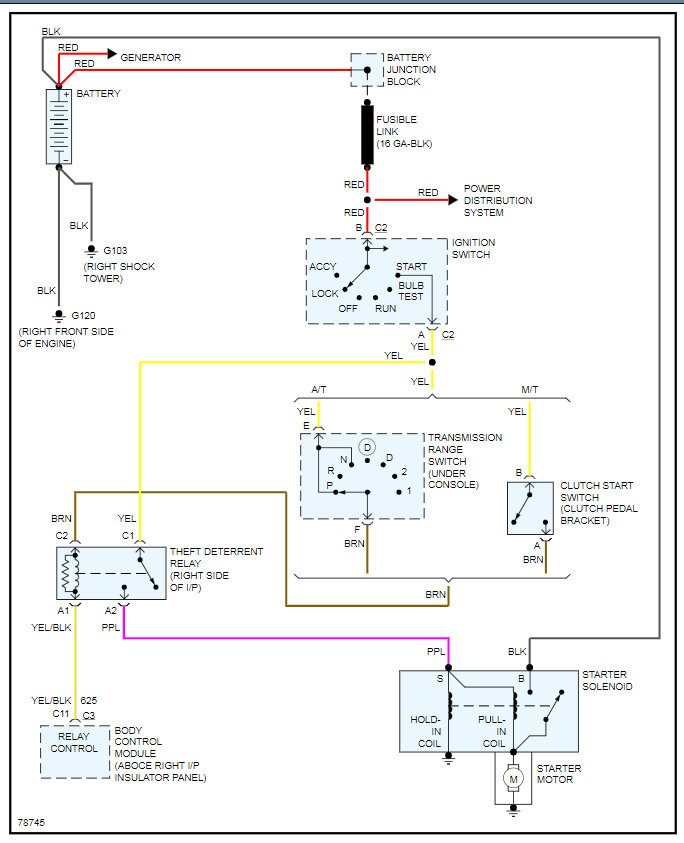
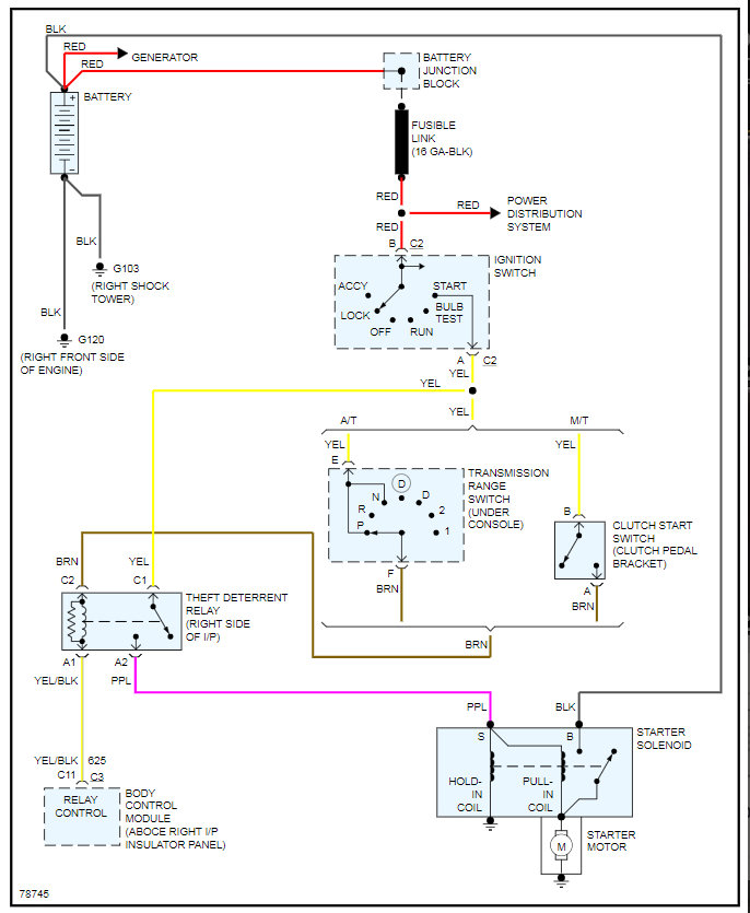
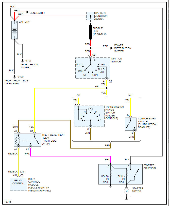
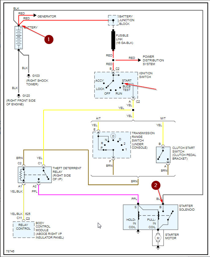
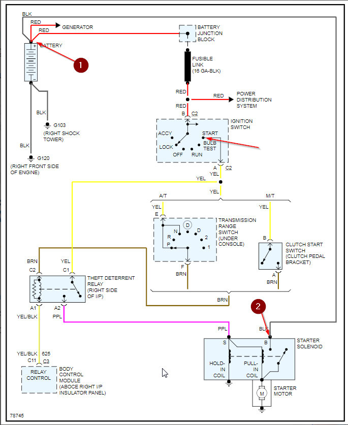
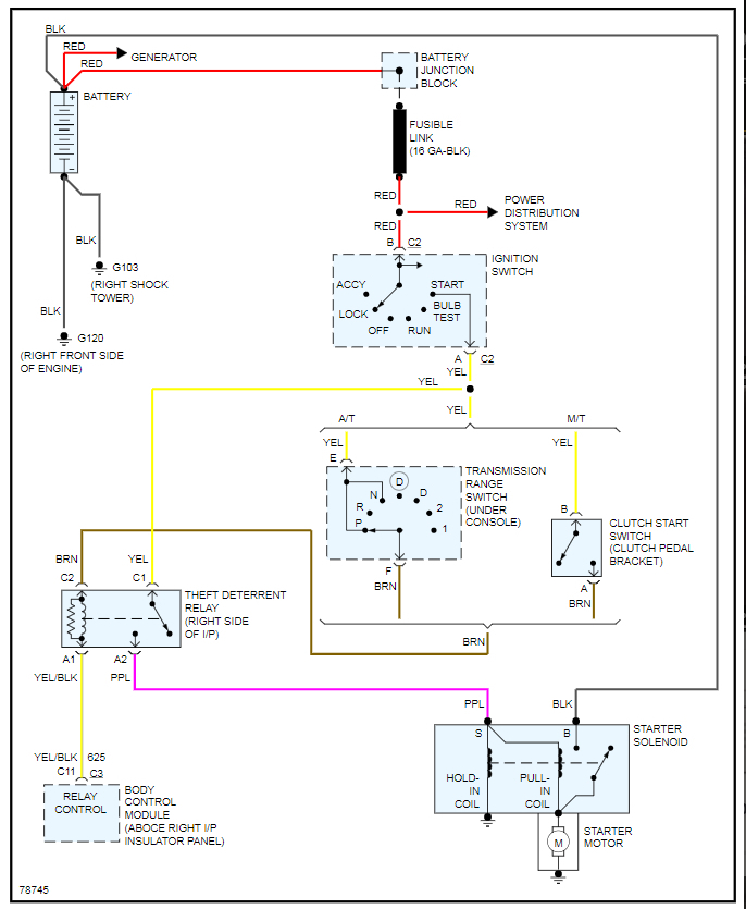
Car had a blown engine, so swapped it out with another LT1 out of a 1996 Impala SS. New engine did not come with the starter, so used starter from Camaro, found out that starter was bad, so bought a new starter. Mount new starter and turned engine over 1/4 a turn then started clicking. Replaced battery with new battery, same thing. Put on new positive cable, same thing, determined new starter may be faulty, replaced it, same thing but now wont even turn 1/4 turn, just makes loud click and nothing, wont turn engine. Checked to make sure engine spine free. It does, can turn by hand from harmonic balancer bolt and ratchet. Kind of stumped as to why 2 new starters will not turn the engine over, it's like it's not getting enough voltage to it, but new battery and new positive cable. Any suggestions?







