Engine will not crank

Tiny
CHELSIDIANE1988
  • MEMBER
  • 2006 MAZDA 6
  • 2.3L
  • 4 CYL
  • 2WD
  • AUTOMATIC
  • 200,000 MILES
My car will not turn over but it's got a new battery and the lights and everything will come on. Starter gone bad possibly?
Saturday, March 20th, 2021 AT 5:39 PM

3 Replies

Tiny
KASEKENNY
  • MECHANIC
  • 18,907 POSTS
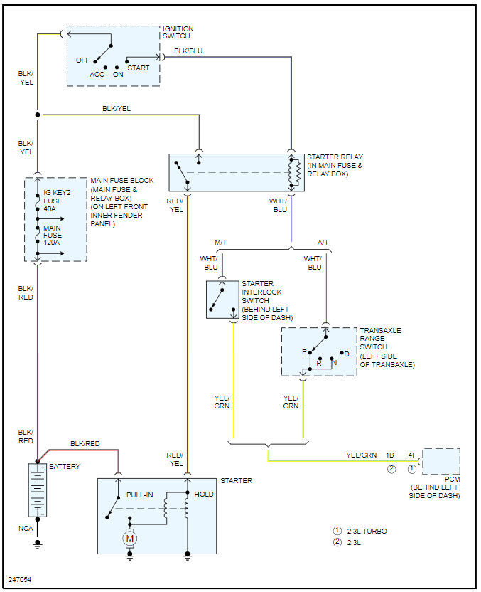
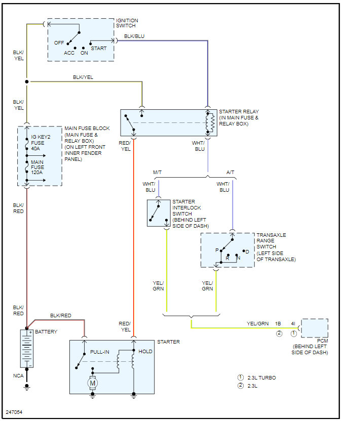
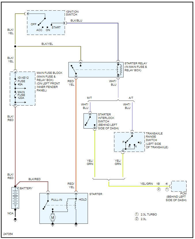
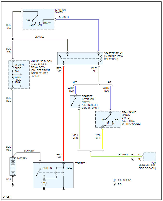
Could be the starter. However, let's start with checking the voltage at the starter when cranking the engine.

here is a guide that will help with this:

https://www.2carpros.com/articles/starter-not-working-repair

You should have 12 volts on both wires. The red/black wire will have it all the time. The red/yellow one will only have 12 volts when you are cranking the engine.

https://www.2carpros.com/articles/how-to-check-wiring

Let me know if you have questions and what you find. If you have 12 volts on both then the starter is the issue. If not then we need to dig into that. Thanks
Was this
answer
helpful?
Yes
No
Sunday, March 21st, 2021 AT 6:23 PM
Tiny
CHELSIDIANE1988
  • MEMBER
  • 2 POSTS
Thank you so much it was the starter after all. I replaced the starter and still couldn't crank the car but turns out that was just due to the terminals needing to be replaced.
Was this
answer
helpful?
Yes
No
Monday, March 22nd, 2021 AT 4:31 PM
Tiny
KASEKENNY
  • MECHANIC
  • 18,907 POSTS
Great info. Thanks for coming back to update us. That is something that I forget to mention all the time so I am glad you found it and updated this so that all that visit this in the future will get that as well. Thanks for using 2CarPros.
Was this
answer
helpful?
Yes
No
Tuesday, March 23rd, 2021 AT 5:14 PM

Please login or register to post a reply.