Starter not engaging with key

Tiny
ROLLIE POLLIE
  • MEMBER
  • 2009 DODGE AVENGER
  • 2.4L
  • 4 CYL
  • 2WD
  • AUTOMATIC
  • 135,000 MILES
I tried running a wire to a fuse and now my starter won't engage with key.
Wednesday, April 7th, 2021 AT 2:05 PM

1 Reply

Tiny
KASEKENNY
  • MECHANIC
  • 18,907 POSTS
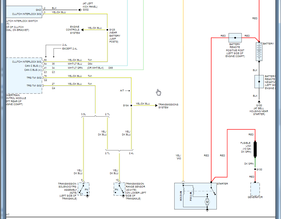
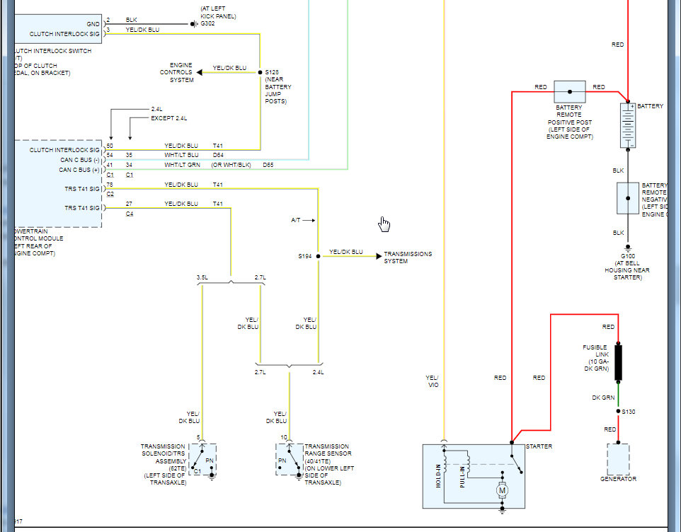
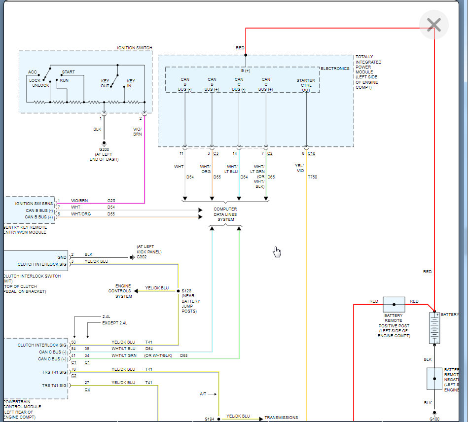
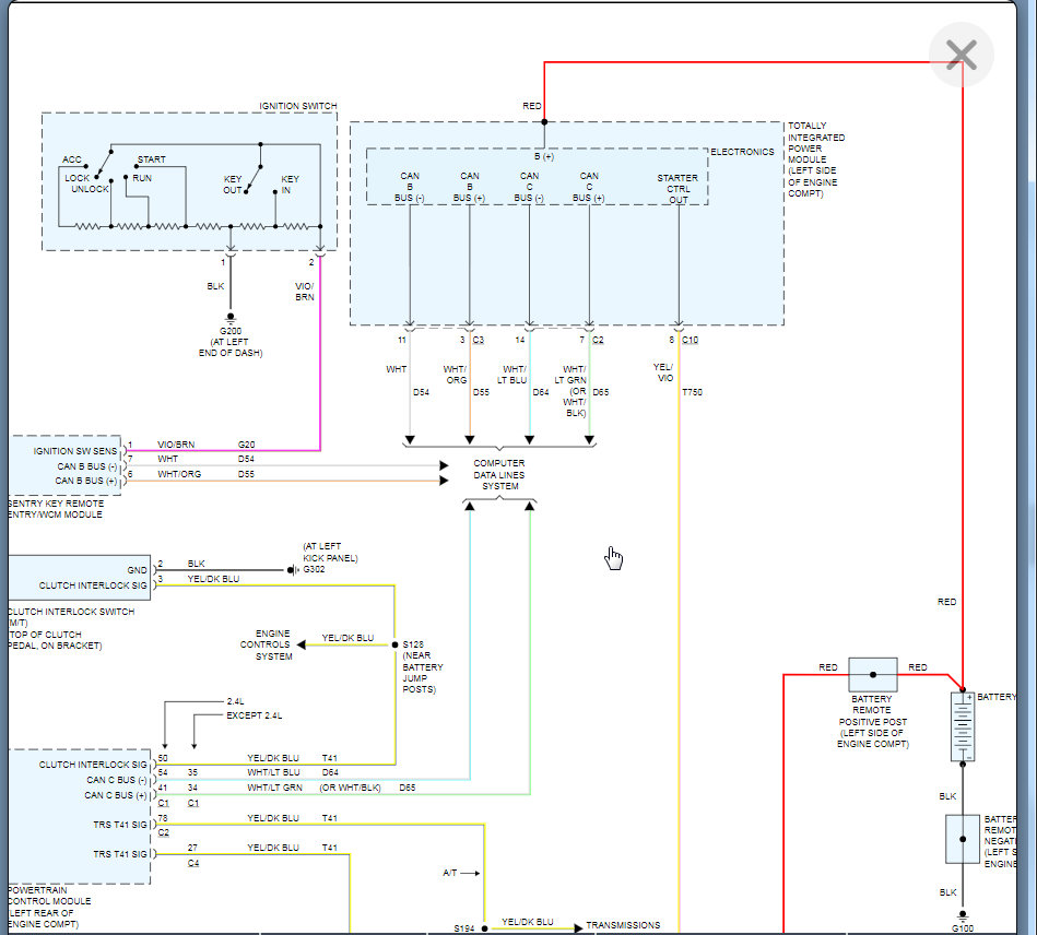
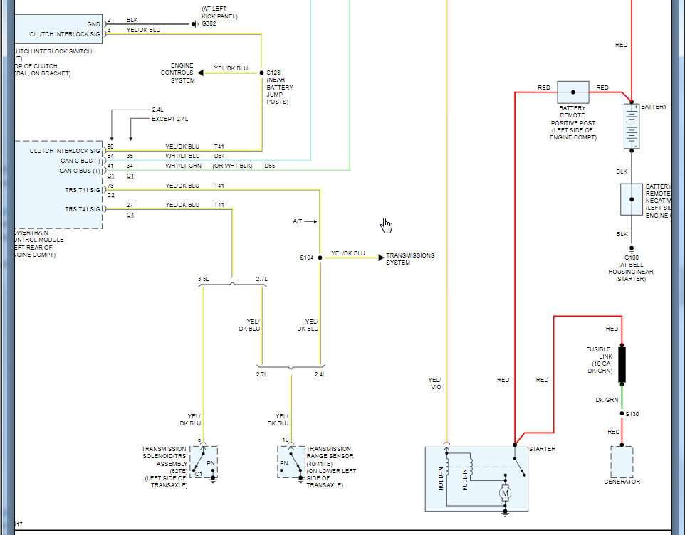
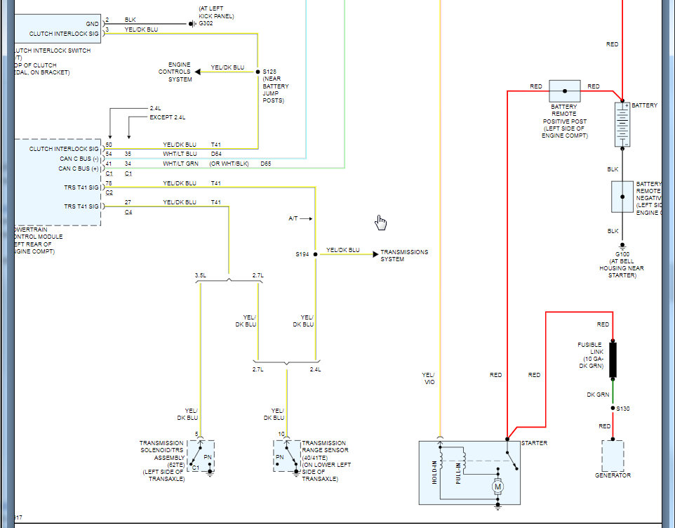
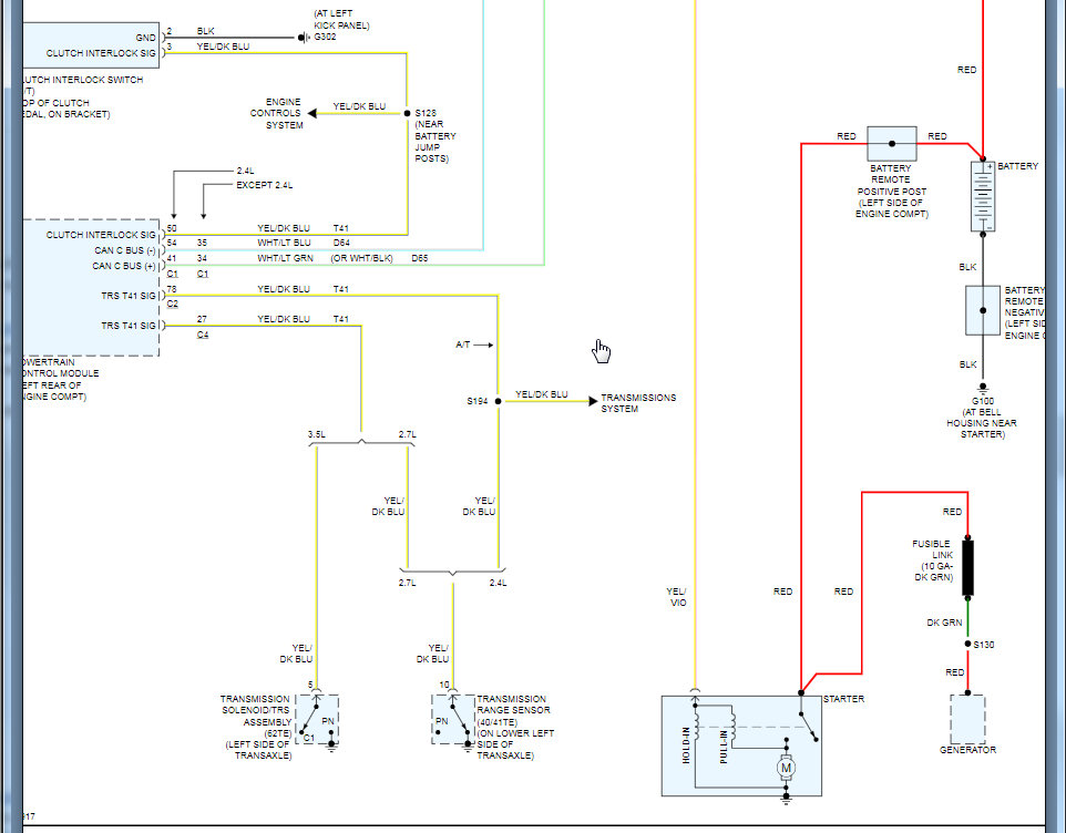
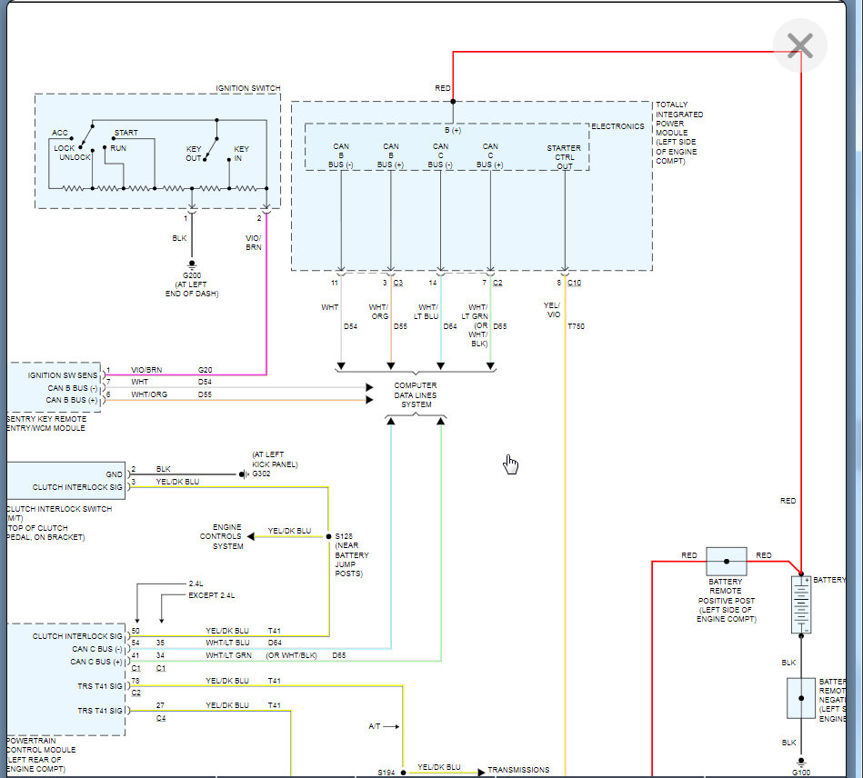
We need to start with checking voltage at the starter and then backwards until we find where the voltage is.

https://www.2carpros.com/articles/starter-not-working-repair

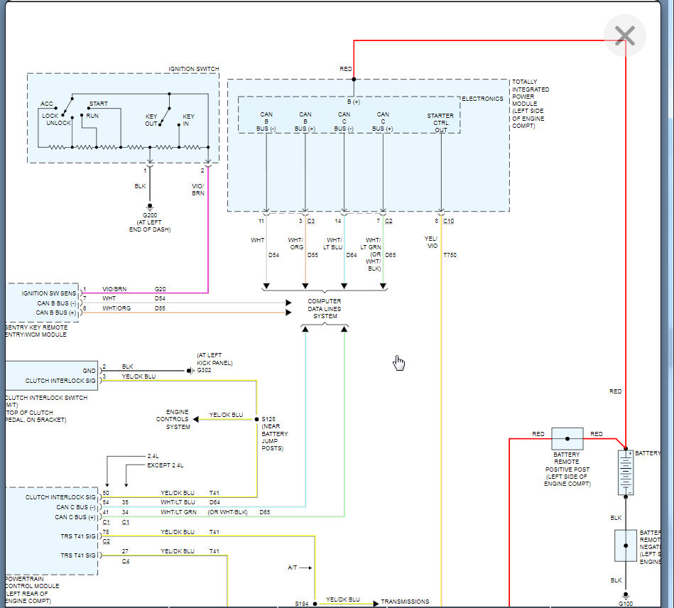
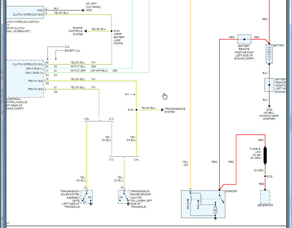
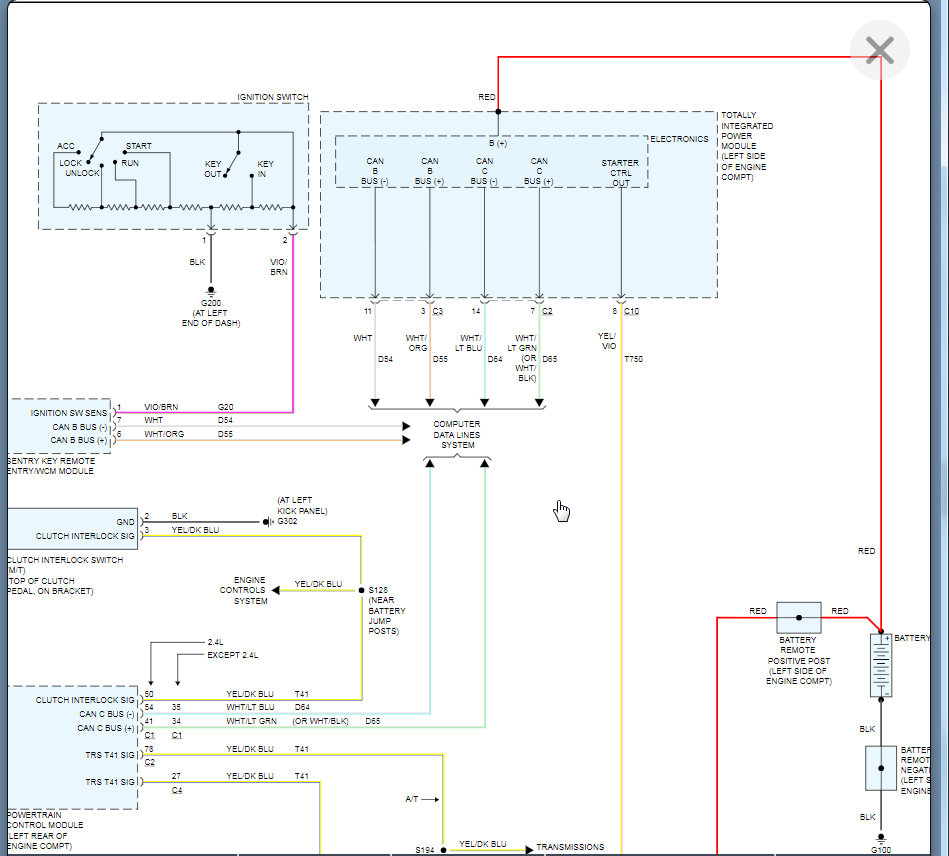
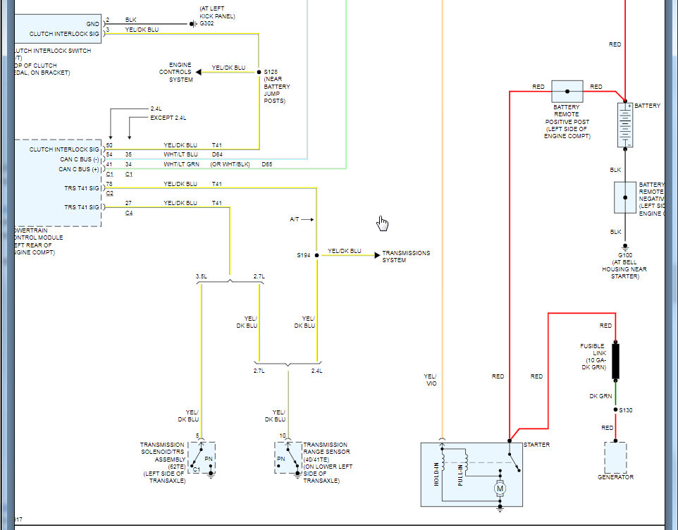
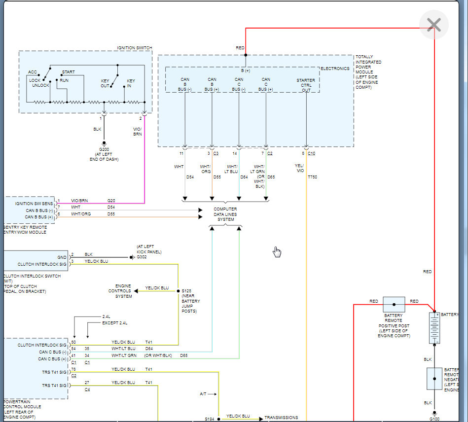
Based on what you are saying happened, I suspect we have an issue in the TIPM because there are no fuses for this system as they are internal to the TIPM.

https://www.2carpros.com/articles/how-to-check-wiring

Below is the wiring diagram. If you want to just jump right to the TIPM and check for voltage on the starter control output wire when cranking the engine.

Let me know if you have questions on this.
Was this
answer
helpful?
Yes
No
Thursday, April 8th, 2021 AT 6:56 PM

Please login or register to post a reply.