Where is the starter located and replacement instructions needed?

2006 CADILLAC SRX
100,000 MILES • 3.6L • 6 CYL
Avatar
KELZ73
  • MEMBER
  • 1 POST
I just need to know the location of the starter and any special procedures for it.
Aug 14, 2023 at 6:13 AM
Advertisement
Repair Safety Notice: This information is for general instructional purposes only. Vehicle repair can be dangerous. Verify all information, follow manufacturer service procedures, use proper tools and safety equipment, and consult a qualified repair shop when needed.
Avatar
STRAILER
  • AUTOMOTIVE REPAIR CONTRIBUTOR
  • 54,128 POSTS
It looks like the starter motor is on the left side of the engine down low. Here is a generic guide to help you step by step with instructions in the diagrams below to show you how on your car:

https://www.2carpros.com/articles/how-to-replace-a-starter-motor

Check out the images (below). Please let us know if you need anything else to get the problem fixed.
Aug 15, 2023 at 8:46 AM
Avatar
BRENDON S
  • AUTOMOTIVE REPAIR CONTRIBUTOR
  • 653 POSTS
Hello KELZ73,

Looks like the starter is located on the driver's side of the engine, behind the a/c compressor by the catalytic converter.

Some people loosen the exhaust to aid in removal because it is a very tight area. Here is a video of someone doing just that.

https://youtu.be/2p5WKqpFcoY

But then a bolt might break, or the exhaust may not seal back up causing a leak and now you have to take it back apart.

Personally, on a 2006, I would avoid touching the exhaust unless you have no choice. As they say, "Every 20-minute job is one broken bolt from being a 2-day ordeal."

However, from what I can see, if you take the tension off the belt using a long handled 3/8" ratchet or breaker bar for the power steering and a/c compressor, you should be able to slip the belt off the pulley for the compressor, you can then remove the a/c compressor, leaving the a/c lines connected, by removing the 3 mounting bolts (see image with 3 highlighted bolt holes where compressor goes to help locate the bolts. You can then swing it out of the way and hold it off to the side using a bungee cord or rope.

Be very careful with the a/c lines and only move the compressor as much as you need to.

You can get to these bolts by removing the front left wheel and then removing part of the wheel well. I may also be necessary to remove the intake so you can have room to work (see image).

Now you can pull the starter forward to remove it and avoid the whole exhaust thing.

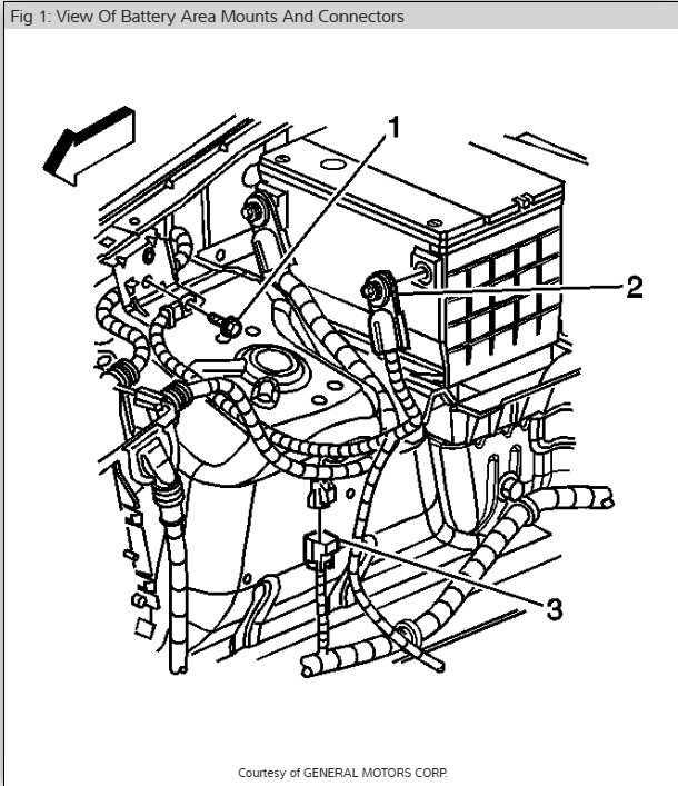
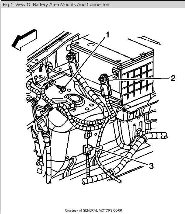
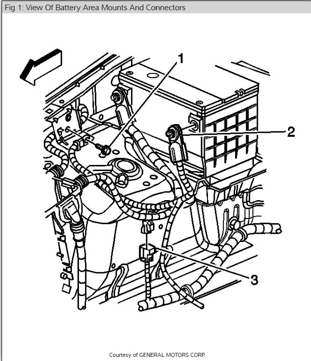
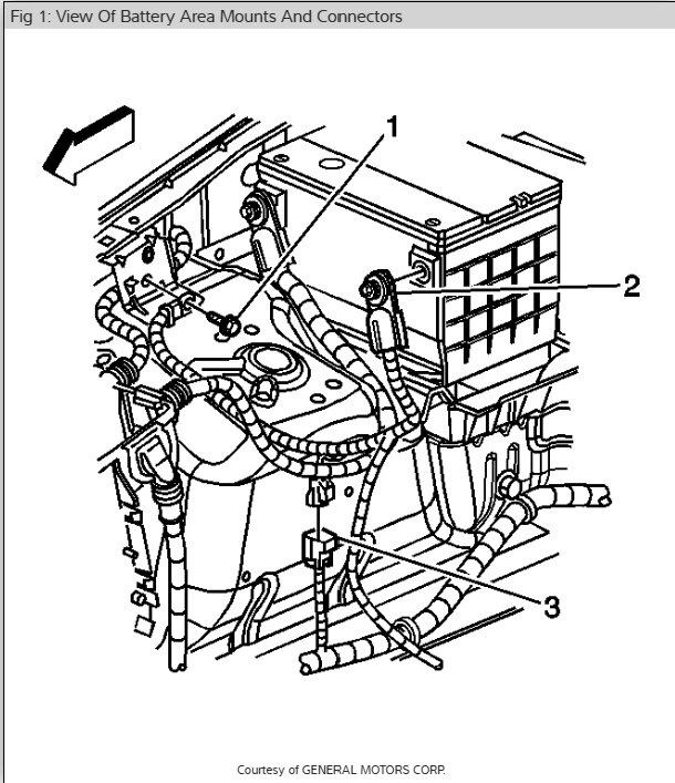
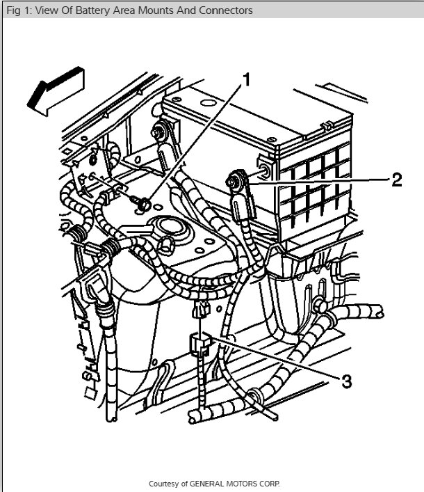
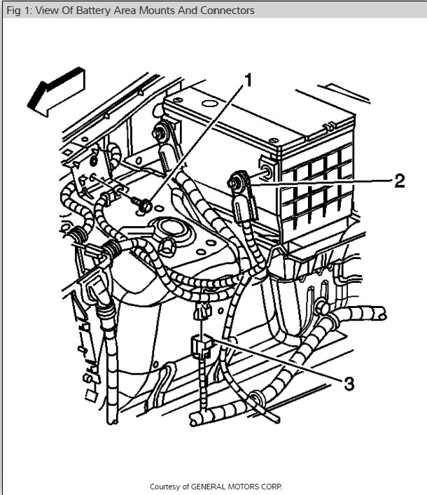
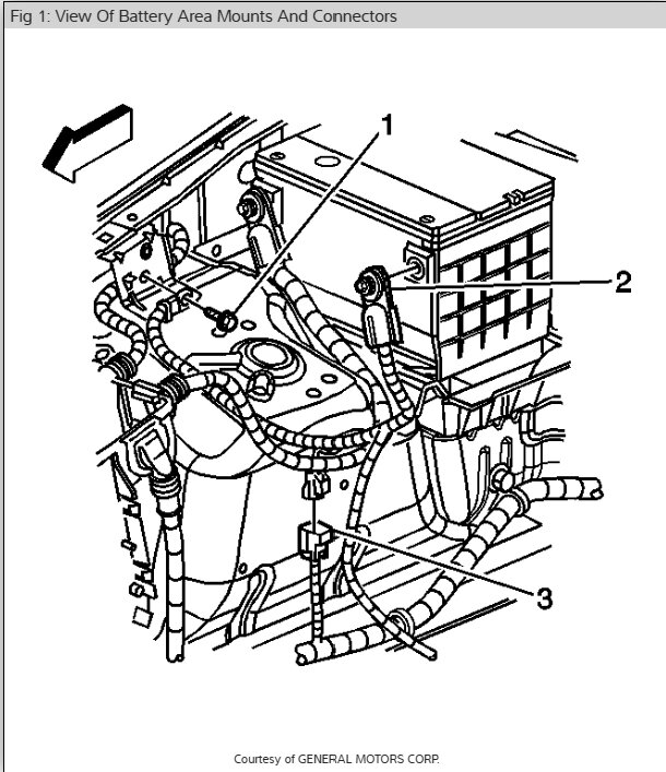
I have added removal and installation instructions for the starter. Removal and installation procedures for the battery negative cable, (be sure to tuck this somewhere so it cannot come back and hit the battery), as well as calibration procedures for the power sunroof (if equipped), the power windows and the heat and a/c control head.

It may be necessary to also perform a relearn for the tire pressure monitoring system. This can be done without a scan tool by using the pressure increase/decrease procedure which I have also attached for you.

So here are 2 options, I will leave it up to you to decide whichever method you feel more comfortable with.

Please let me know if I can assist any further.

Thank you,
Brendon
Aug 15, 2023 at 8:52 AM
Advertisement