Touch the starter to the battery and then the car starts like normal?

Tiny
RANDEL LAAKE
  • MEMBER
  • 1994 HONDA ACCORD
  • 2.2L
  • 4 CYL
  • 2WD
  • AUTOMATIC
  • 150,000 MILES
Currently we have a wire going from the starter and when we want the car to turn on, we put the key to "on", and touch the starter to the battery and then the car starts like normal.

I've replaced battery leads, ignition switch and had the battery and starter both tested, and both test good at AutoZone.
Friday, August 23rd, 2019 AT 12:46 PM

2 Replies

Tiny
ASEMASTER6371
  • MECHANIC
  • 52,796 POSTS
Good afternoon.

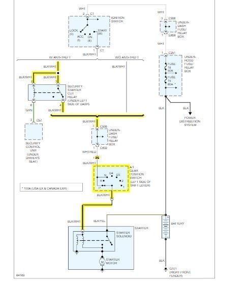
The circuit starts at the ignition switch and then goes to the relay. From the relay, it goes to the park/neutral switch and then to the starter.

Do you have a test light or voltmeter to do some tests?

Roy
Was this
answer
helpful?
Yes
No
Friday, June 25th, 2021 AT 12:26 PM
Tiny
KASEKENNY
  • MECHANIC
  • 18,907 POSTS
Hi,

I suspect you have an issue with the shift position switch. Please see the attached.

Try moving the shifter to N and see if it starts normally. By you putting power to the starter, you are bypassing the shift position switch. This switch will prevent the engine from starting because it doesn't know if you are in P or N.

I included the adjustment procedure for the switch but if there is any doubt, I would just replace it.

Let me know what you find and we can go from there.
Was this
answer
helpful?
Yes
No
Friday, June 25th, 2021 AT 12:26 PM

Please login or register to post a reply.