Wednesday, August 12th, 2020 AT 11:28 AM
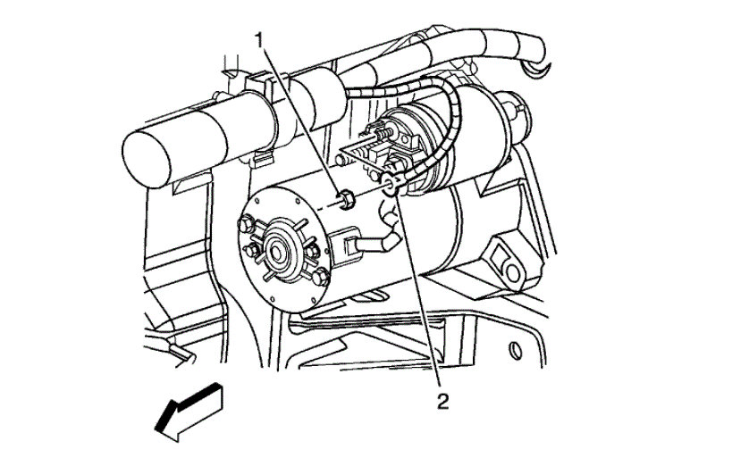
So I need a new starter. Have been trying to remove the old one. All bolts and electrical connections are disconnected. Started moves but will not come out of housing.




