Starter engagement while running

1997 MERCURY MOUNTAINEER
213,664 MILES • 5.0L • V8 • 4WD • AUTOMATIC
Avatar
MIKEZICKUHR
  • MEMBER
  • 1 POST
Starter and alternator went out at same time replaced both.. now when the vehicle is running the starter is engaging. We also replaced the solenoid on fender as well as the ignition relay.
Jan 13, 2021 at 4:41 PM
Advertisement
Repair Safety Notice: This information is for general instructional purposes only. Vehicle repair can be dangerous. Verify all information, follow manufacturer service procedures, use proper tools and safety equipment, and consult a qualified repair shop when needed.
Avatar
KASEKENNY
  • AUTOMOTIVE REPAIR CONTRIBUTOR
  • 18,907 POSTS
I assume that the starter was not doing this prior to its replacement? If that is the case the there is a chance you have a faulty starter out of the box.

https://www.2carpros.com/articles/how-to-replace-a-starter-motor

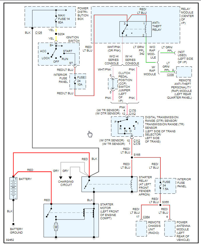
We can confirm this by checking voltage at the starter on the control wire when this happens. You should only have voltage on this wire if the key is in the start position. If this is engaging and you do not have voltage on this wire then the solenoid is shorted inside the starter.

Here is the wiring diagram and a guide that will help with doing this:

https://www.2carpros.com/articles/how-to-check-wiring

Thanks
Apr 30, 2021 at 9:13 AM