Thursday, May 14th, 2020 AT 10:42 PM
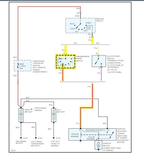
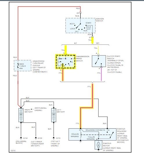
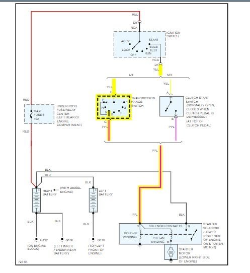
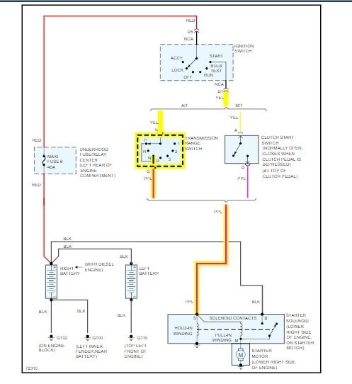
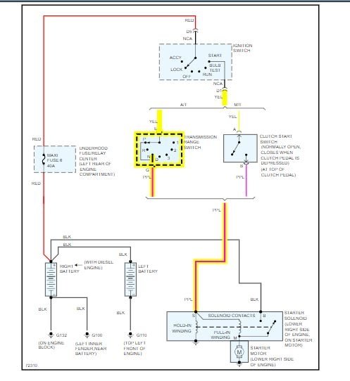
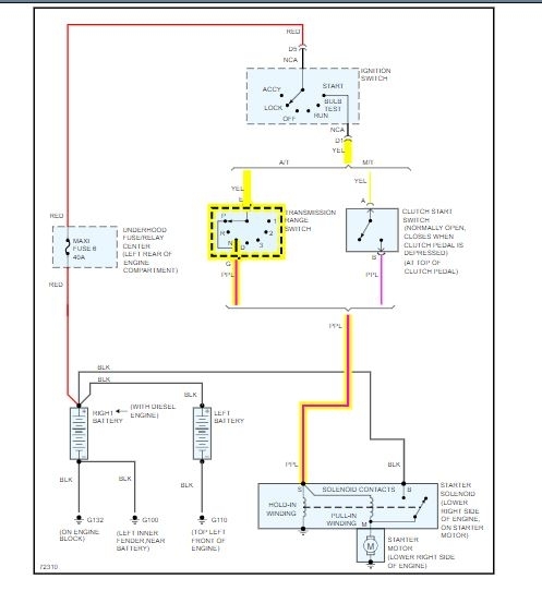
My truck listed above k1500 with a small block 350. This is common for a starter issue but I replaced the starter. Then it still does it so I continued with the positive terminal of the battery leading between the starter and the battery, after that I cleaned the ground and it is still doing the same issues. I cleaned all the fuses and same issue. Then replaced the ignition switch and I still have the same exact issue. Normally I am very good with all of this but I am stumped as to what it is now.


