When I started the van it made a whining grinding sound

Tiny
RABBIT56194
  • MEMBER
  • 2005 DODGE CARAVAN
  • 3.8L
  • 6 CYL
  • AUTOMATIC
  • 200,000 MILES
The battery light came on and stayed on while I drove home from work eventually draining the battery. I had to start van several times be for heading home from work it always started.
Thursday, January 30th, 2020 AT 8:54 AM

1 Reply

Tiny
CARADIODOC
  • MECHANIC
  • 34,468 POSTS
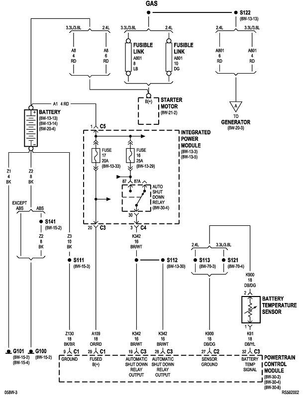
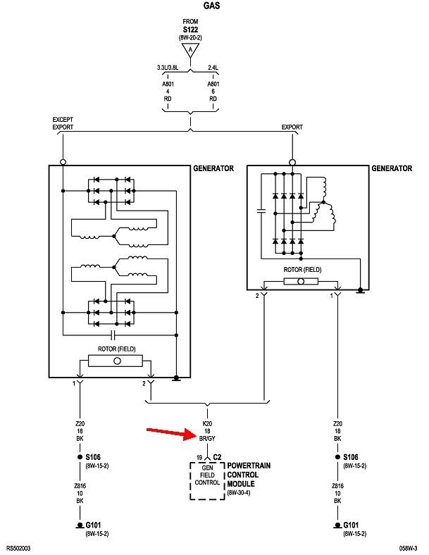
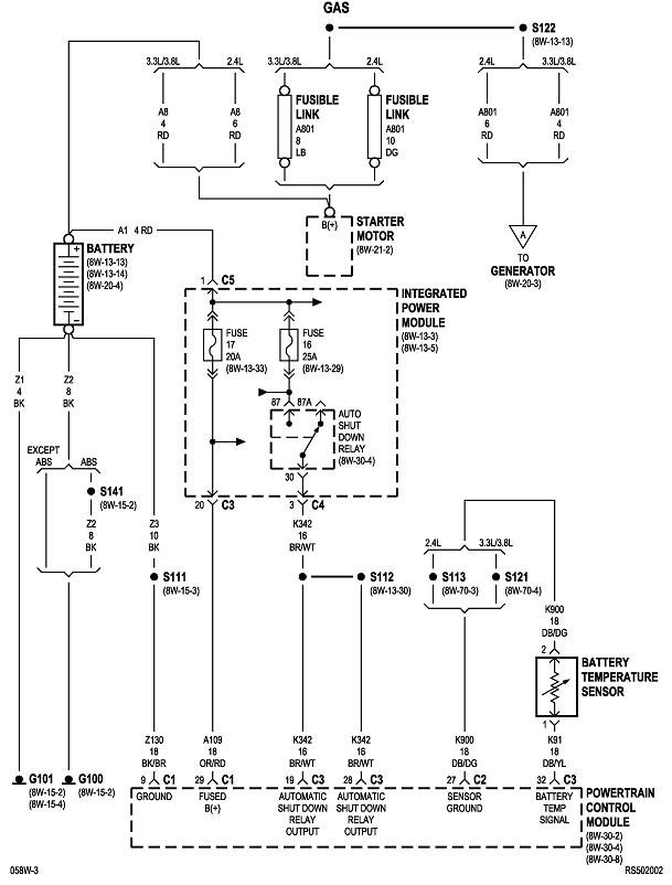
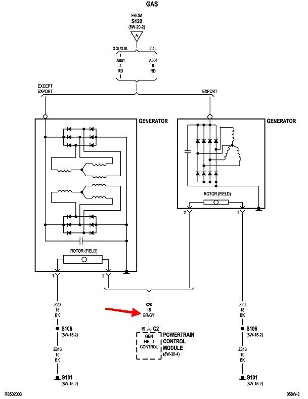
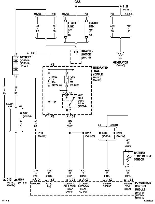
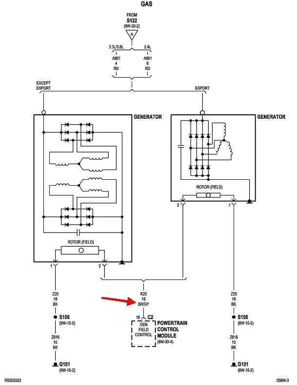
What is the question? Are you trying to find the cause of a noise or the failed charging system? If you're after the dead charging system, you can start the diagnosis by measuring the voltages on the two smaller terminals on the back of the alternator, but this has to be done with the engine running. If you need them, here's links to articles on how to use a test light and digital voltmeter:

https://www.2carpros.com/articles/how-to-use-a-test-light-circuit-tester

https://www.2carpros.com/articles/how-to-use-a-voltmeter

If you don't have them already, you can find these tools at Harbor Freight Tools, Walmart, or any hardware store. Due to the design of this circuit, digital voltmeters might give erratic readings that bounce around a lot. If that is what you find, use the test light instead. The exact voltage on these terminals is not important. What we need to know is if the test light is off, bright, or something in between.

You can also try measuring the continuity between these two terminals. That must be done with the engine off. It is not uncommon to find an open circuit due to little chunks of dirt sticking under the brushes when the rotor isn't spinning. In that case, irritate it a little by tugging on the belt. If you still get an open circuit reading, the brushes are worn. This always starts out as an intermittent problem. The brush assembly can be replaced separately, but it is more common to just replace the entire alternator.
Was this
answer
helpful?
Yes
No
Thursday, January 30th, 2020 AT 2:48 PM

Please login or register to post a reply.