Starter will not engage

Tiny
DES.NAPIER
  • MEMBER
  • 2001 CADILLAC DEVILLE
  • V8
  • 2WD
  • AUTOMATIC
  • 92,000 MILES
Have replaced battery, starter circuit breaker in under hood box. When you engage to start mode on the switch, nothing happens (no noise) but all dash lights light up in the on position.
Tuesday, August 31st, 2021 AT 9:42 AM

4 Replies

Tiny
AL514
  • MECHANIC
  • 5,584 POSTS
Hello, is there any theft light flashing or anything like that? You may want to try changing the battery in your key fob. The key has a transponder in it and it's read by the Reader/Exciter inside the ignition switch. If the battery is dead in the key itself, you can have this type of issue. It's a cheap part to try. Just don't break the key fob when taking it apart. It should pop open. This may help too,

https://www.2carpros.com/articles/how-to-re-program-a-key-remote-fob
Was this
answer
helpful?
Yes
No
Tuesday, August 31st, 2021 AT 10:04 AM
Tiny
DES.NAPIER
  • MEMBER
  • 9 POSTS
Okay, when you shut the door and use the key fob to lock doors. There is a beep and the security light comes on for a few seconds and then goes out. So it appears the security is arming and disarming right. Did not replace the battery in key fob for as it appears to be working okay. Should I replace it anyway?
When I turn the key on I get 2 warning lights (Check Coolant level and fuel level low). Could the low fuel level low, disengage it from the starter working?
Read on net on how to reset the security system (just in case it was not disengaging) and tried both ways that I found on the net but neither seamed to make a difference as starter still will not make a sound. There has prior to this been no indication that the starter was making any unusual noise of troubles.
Thanks in advance for you input. Desmond
Was this
answer
helpful?
Yes
No
Wednesday, September 1st, 2021 AT 7:15 AM
Tiny
AL514
  • MECHANIC
  • 5,584 POSTS
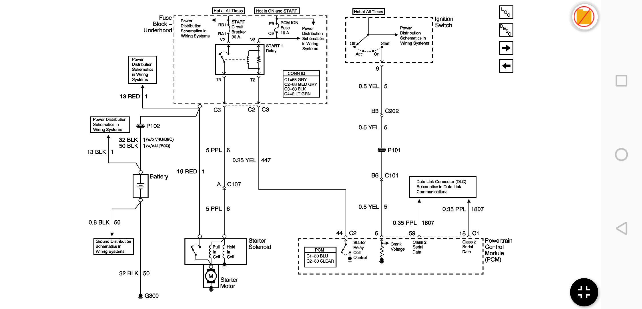
Okay, then checking for power at the starter would be the next step. I don't think on that model those indicator lights are going to effect the starting circuit. But you should definitely make sure you have the correct coolant level for normal running conditions. I added a diagram for the starter circuit. If those 2 lights haven't been on before this problem started, that could be an indication of a PCM issue or a bad ground wire. The PCM is responsible for grounding the starter relay. Does the check engine light come on for about 2 seconds when you try to start it and then go off? It should. (PCM IGN Fuse # 10 is power for the Starter Relay) so is (Start Circuit Breaker 30Amp) Start 1 relay is the starter relay.
Was this
answer
helpful?
Yes
No
Wednesday, September 1st, 2021 AT 2:21 PM
Tiny
AL514
  • MECHANIC
  • 5,584 POSTS
Hello, so I did a little research on this issue, because it seems to happen to a lot of these cars. What you can try is disconnecting the battery for a few minutes and see if that helps reset the alarm system. I don't know if this trick will help but it's worth a try, it's easy enough. Disconnect the negative first. Also a new battery in the key fob is worth a try too just because its easy an cheap. Even if it locks the car it's worth a try.
Was this
answer
helpful?
Yes
No
Thursday, September 2nd, 2021 AT 12:44 PM

Please login or register to post a reply.