Starter acts like it is not getting power

2008 DODGE AVENGER
200,000 MILES • 2.4L • V6 • AUTOMATIC
Avatar
SWEET9698
  • MEMBER
  • 1 POST
The starter is new, the cables are replaced, the battery is new, but the starter acts like it isn't getting power.
Nov 3, 2020 at 2:09 PM
Repair Safety Notice: This information is for general instructional purposes only. Vehicle repair can be dangerous. Verify all information, follow manufacturer service procedures, use proper tools and safety equipment, and consult a qualified repair shop when needed.
Advertisement
Avatar
ASEMASTER6371
  • AUTOMOTIVE REPAIR CONTRIBUTOR
  • 52,796 POSTS
Good evening,

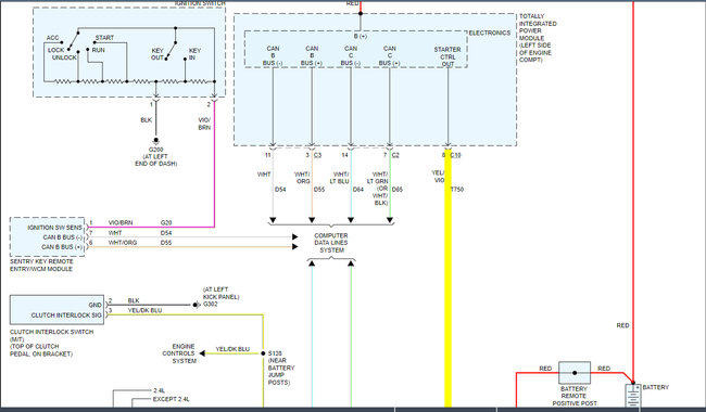
I attached a wiring diagram for you to view.

https://www.2carpros.com/articles/starter-not-working-repair

You need to test for power to the starter solenoid to see if it has a signal from the TIPM.

https://www.2carpros.com/articles/how-to-check-wiring

Roy

REMOVAL

1. Open hood.
2. Disconnect and isolate the battery negative cable.
3. Release the Totally Integrated Power Module (TIPM) cover retaining clips and open the TIPM cover.
4. Remove the TIPM positive cable retaining nut and remove the cable from the stud.
5. Depress the four mounting clips to disengage and remove the TIPM housing from its mounting bracket.
6. Disconnect each of the seven TIPM wire harness connectors.
7. Remove the TIPM from the vehicle.


Pin Circuit Description
1 - -
2 - -
3 T16 16YL/OR TRANSMISSION CONTROL OUTPUT
4 - -
5 F343 20BR/YL FUSED MAIN RELAY OUTPUT
5 F343 18BR/YL FUSED MAIN RELAY OUTPUT
6 F344 18BR/DB FUSED MAIN RELAY OUTPUT
6 F344 20BR/DB FUSED MAIN RELAY OUTPUT
7 - -
8 T750 16YL/VT STARTER CONTROL OUTPU
Nov 3, 2020 at 2:53 PM
Advertisement