Saturday, May 6th, 2023 AT 9:14 AM
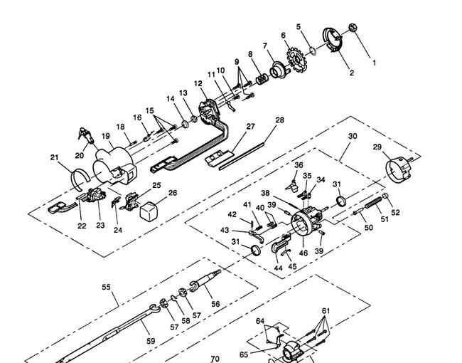
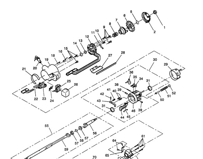
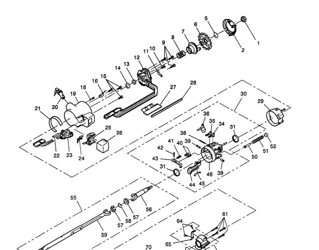
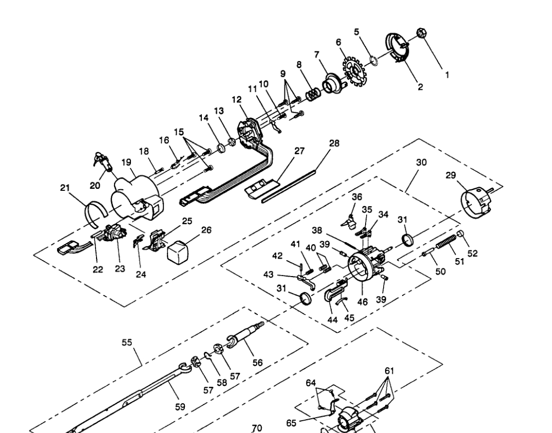
Truck started running like it was about to run out of gas and had plenty of gas. Wants to cough and sputter, no power, barely moves, push the gas pedal all the way to the floor it will revs up takes a minute for the transmission to catch up, but it does finally decide to, its idling up and down up and down put it in park crank right back up. Now the key is stuck in the ignition, and it will not engage to even turn over. Gear shift moves freely feels like it's going into each gear but will not turn over.












