Intermittent inoperative start stop button?

Tiny
MARK BLACKSTONE
  • MEMBER
  • 2021 JEEP GRAND CHEROKEE LAREDO
  • 50,000 MILES
Crank but won't engine start or won't turn off motor.
Monday, May 5th, 2025 AT 6:43 PM

2 Replies

Tiny
MARK BLACKSTONE
  • MEMBER
  • 4 POSTS
Don’t have vehicle at this. Dealership was unable to diagnose.
Was this
answer
helpful?
Yes
No
Monday, May 5th, 2025 AT 6:52 PM
Tiny
STEVE W.
  • MECHANIC
  • 15,697 POSTS
So you step on the brake push the button and it does nothing sometimes? If you pushed the button without the brake, did it cycle through the Stop-Accessory-Run steps? Any messages on the dash stating that the key wasn't detected when it didn't work? Nothing that isn't stock in the vehicle? Stereo, remote start anything like that?
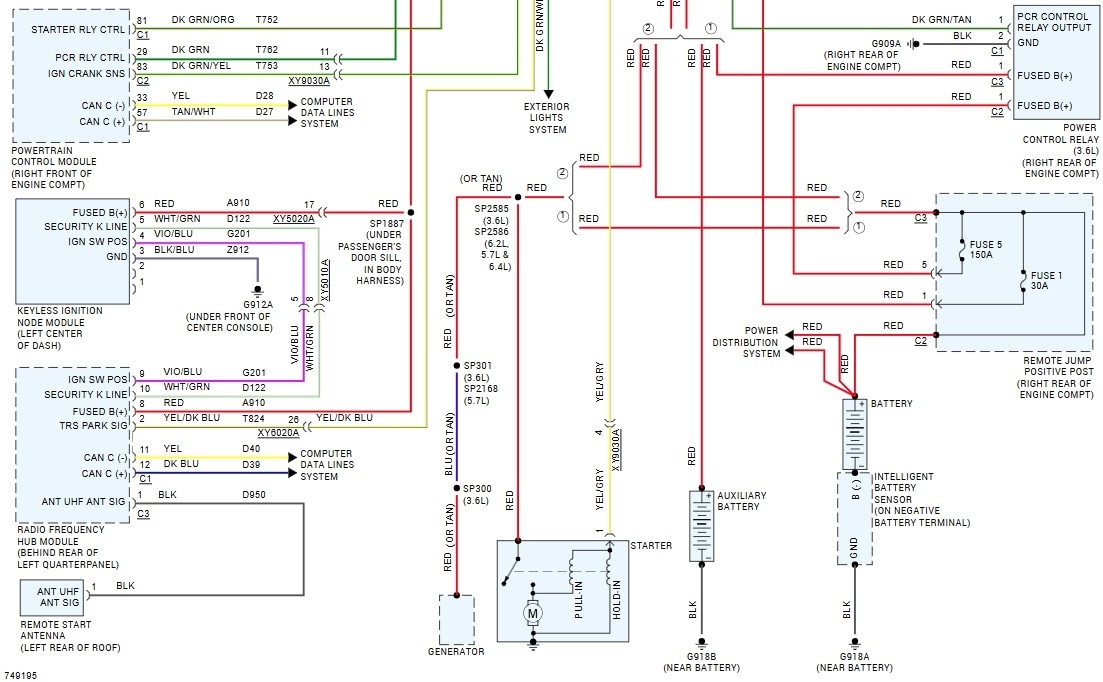
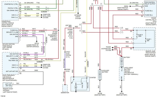
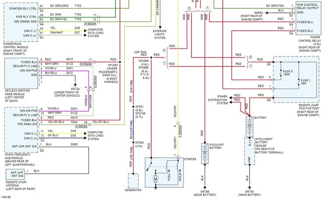
The button itself is just that, a button, it sends a signal to the RF module in the rear of the truck asking it to start the engine. That RF module also handles the input from the key fob and TPMS system. The RF module checks if the brake switch is closed and that there is a valid fob in the vehicle. Then it sends a signal to the body control module that verifies the fobs code and turns on the starter relay. The problem is that if it is an intermittent problem, the only way to diagnose it is to watch every button push with a scan tool and catch the problem when it happens. That is hampered by the secure gateway module Chrysler put on vehicles after 2018 which blocks access to the network for anything beyond basic diagnostics unless you use a scan tool that is authorized access and is online during the testing. I suspect that is why the dealership is having trouble, they don't want to pay someone to set in the seat for hours trying the make it fail, it ties up the tech and the scan tool for that time. So, they just park it and say they don't find a problem.
Unfortunately that SGM also makes it almost impossible for the average owner to diagnose the problem as well, you would need to have a high end scan tool that can "talk" to the various modules and either the paid access or a bypass cable that lets you watch the same inputs to catch when it fails. The other option is to try different parts and see if it goes away, but those parts are not cheap and also require the same tools to be able to program them. In this case (and many others) there are no physical tests or bypass tests that would narrow down the problem module.
Oh, and the reason for the SGM? It was their answer to the fact that you could take over their cars by remote control!

https://www.wired.com/2015/07/hackers-remotely-kill-jeep-highway/

Was this
answer
helpful?
Yes
No
+1
Tuesday, May 6th, 2025 AT 7:30 AM

Please login or register to post a reply.

Related Engine Not Running Content

Car Cranking but Not Starting? Try This
VIDEO