Engine shuts off after driving twenty to thirty minutes

Tiny
JAKE TC
  • MEMBER
  • 20 POSTS
Still don’t know what fan has to do with this.
Was this
answer
helpful?
Yes
No
Saturday, December 22nd, 2018 AT 1:05 PM
Tiny
JAKE TC
  • MEMBER
  • 20 POSTS
Just took truck for drive as long as heater fan switch on little truck lights it up in three gears. Runs awesome go figure.
Was this
answer
helpful?
Yes
No
Saturday, December 22nd, 2018 AT 2:26 PM
Tiny
JACOBANDNICKOLAS
  • MECHANIC
  • 110,192 POSTS
Hi again.

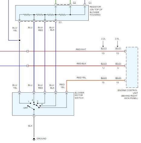
I just spent an hour looking through schematics and I may have an idea. Power to the blower motor originates at the opposite end. In other word, when you turn the switch on, power is allowed to pass through supply (fuse), through the blower motor, then the resister, and enter the switch, which provides a ground. See picture 1

With that in mind, the switch is also connected with the ECU to operate the AC. When the blower motor switch is in the off position, there is no ground provided. However, as soon as you turn it on at any speed, a ground is provided. With that in mind, I feel we have a ground issue.

What I need you to do is start cleaning and inspecting grounds under the hood and in the passenger compartment. Also, check around the battery for body grounds as well as the main ground strap.

What are your thoughts on my theory?

Let me know.

Joe
Was this
answer
helpful?
Yes
No
+1
Saturday, December 22nd, 2018 AT 6:20 PM
Tiny
JAKE TC
  • MEMBER
  • 20 POSTS
I’m in because grounding is the first thing I look at when it comes to electrical.
Was this
answer
helpful?
Yes
No
+1
Saturday, December 22nd, 2018 AT 8:55 PM
Tiny
JACOBANDNICKOLAS
  • MECHANIC
  • 110,192 POSTS
Let me know what you find. I wish I was there to help. I love a good challenge. LOL
Was this
answer
helpful?
Yes
No
+1
Sunday, December 23rd, 2018 AT 5:58 PM
Tiny
JAKE TC
  • MEMBER
  • 20 POSTS
I will but won’t be for a week. I like a challenge too.
Was this
answer
helpful?
Yes
No
+1
Sunday, December 23rd, 2018 AT 6:01 PM
Tiny
JACOBANDNICKOLAS
  • MECHANIC
  • 110,192 POSTS
Take care and I hope you have a nice Christmas. Let me know.

Joe
Was this
answer
helpful?
Yes
No
+1
Sunday, December 23rd, 2018 AT 8:05 PM

Please login or register to post a reply.