Wednesday, February 3rd, 2021 AT 6:37 PM
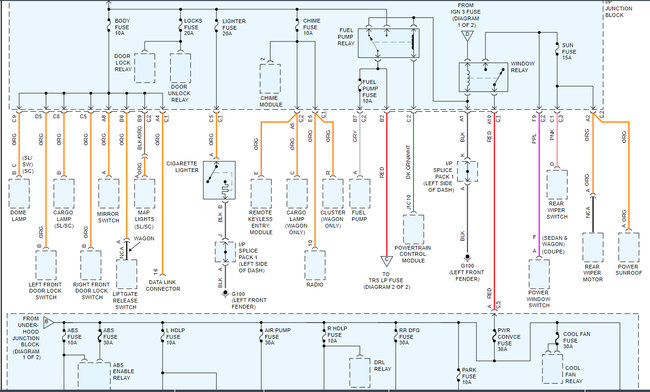
Got this car with 84,000 miles no issues. About 6,000 miles later it randomly stalled and I found a blown fuse (#3 of the starter red 10) replaced it an all good. Then about 3,000 miles later it kept doing it an left me stranded. Came back a day later ran fine but randomly does it. But if I start it then take the red 10 out it will not shut off. I got codes for knock sensor and some other things but I don't know where to start.









