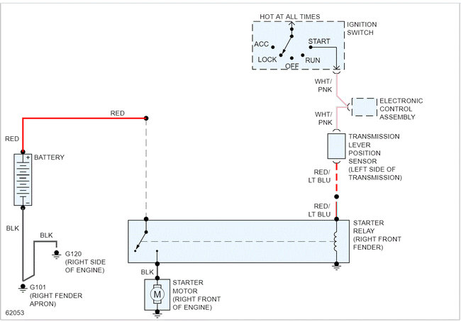
it has two starter solenoids (why? And how do they work?) And there’s two transistor relays on the firewall with two terminals on each, I don’t know what they are for, I’ve seen one on cars but never two (why would there be two?).
okay, but my issues are with it starting, because it wont!
When I got it home, out of curiosity, I cranked it over and it sounded like it wanted to start but didn’t. It was full of stale gas, so I disconnected the fuel pump so no gas would get to the engine, and I poured good gas directly into the throttle body and cranked it over but this time it didn't even try to start.
Could the stale gas have put a coating on the plugs to hinder their spark?
What might be going on here?
And does anybody know where I can find a free download of a manual for this beast.
Thursday, October 15th, 2020 AT 6:36 PM




