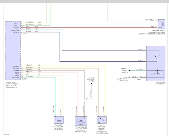
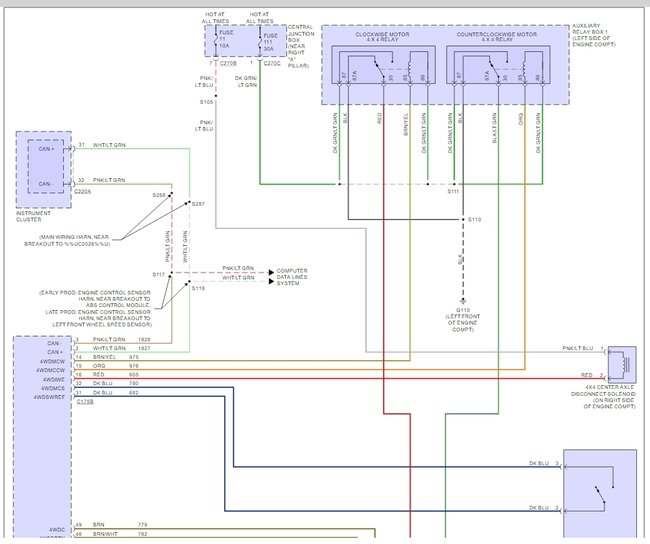
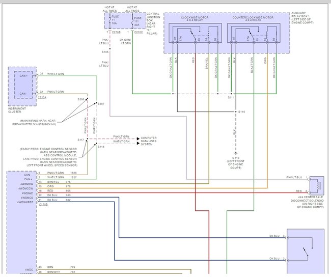
Sunday, September 18th, 2016 AT 3:58 PM
When driving the speedometer is reading eighty mph when doing about thirty mph. I have checked the speed sensor and gauge cluster, they are both fine. Rear gears have not been changed. What could throw it off this far?





